Spark Plug: Service and Repair

Need a step-by-step guide?

Get an AI-powered repair guide with parts lists, cost estimates, and clear instructions for your 2007 Ford.

AI Repair Guides
SPARK PLUGS







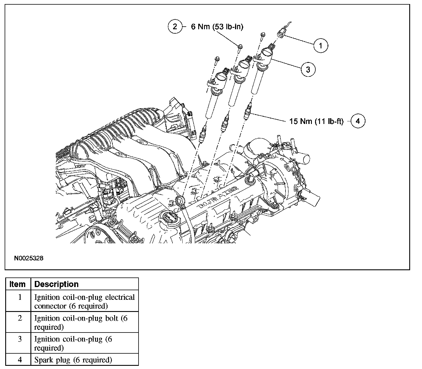
Exploded View

Removal and Installation

RH spark plugs
1. Remove the upper intake manifold.

All spark plugs
2. Disconnect the ignition coil electrical connectors.
3. Remove the ignition coil bolts.
- To install, tighten to 6 Nm (53 lb-in).

4. NOTE: When removing the ignition coils, a slight twisting motion will break the seal and ease removal.

Remove the ignition coils.

5. CAUTION: Only use hand tools when removing or installing the spark plugs, or damage can occur to the cylinder head or spark plug.

NOTE: Use compressed air to remove any debris from the spark plug well before removing the spark plugs.

Remove the spark plugs.
- To install, tighten to 15 Nm (11 lb-ft).

6. Inspect the spark plugs.







7. NOTE: Clean the spark plugs with a wire brush or a professional spark plug cleaner (follow the manufacturer's instructions).

To install, reverse the removal procedure.
- Adjust the plug gap as necessary.
- Apply a light film of Silicone Brake Caliper Grease and Dielectric compound XG-3-A meeting Ford specifications ESE-M1C171-A to the inside of the coil boots before installation.