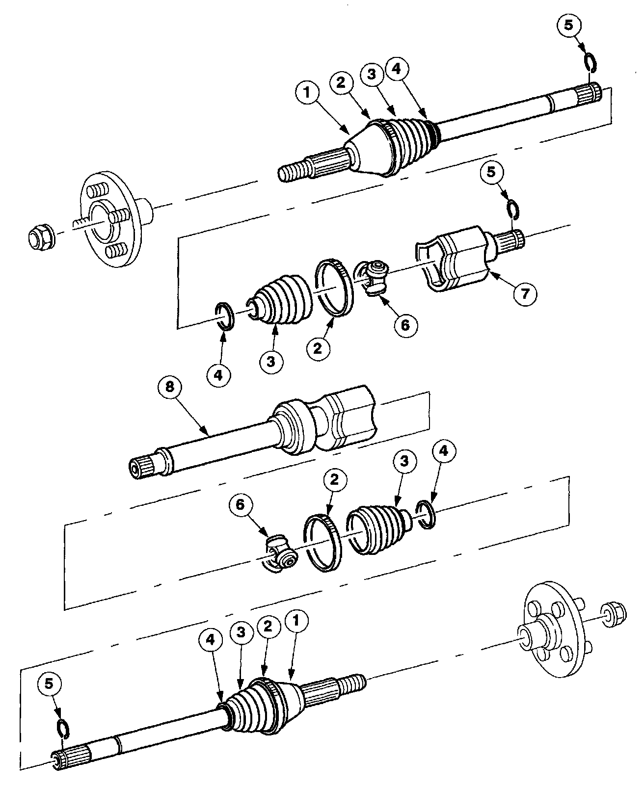
Axle Shaft

Need a step-by-step guide?

Get an AI-powered repair guide with parts lists, cost estimates, and clear instructions for your 2001 Ford.

AI Repair Guides
Front Drive Halfshafts





Part 1 of 2





Part 2 of 2