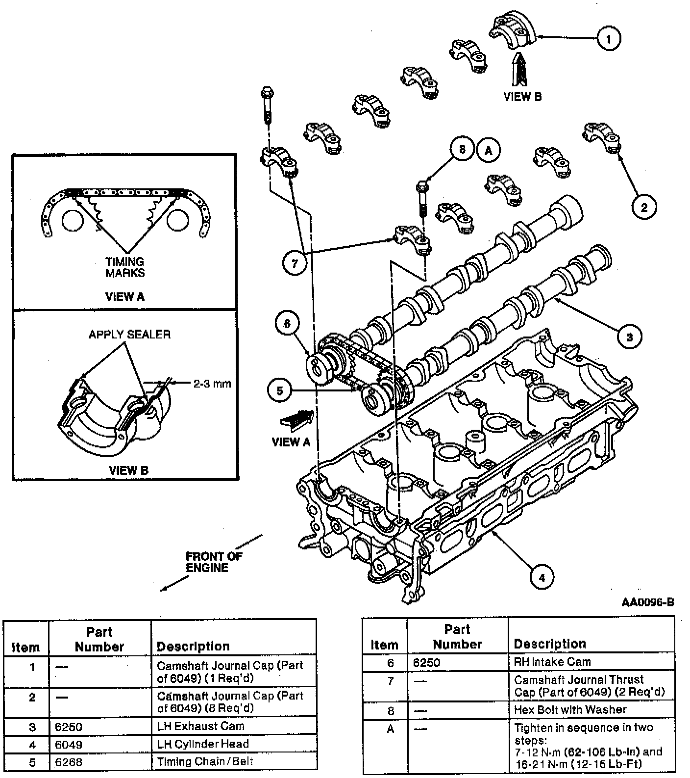
Timing Component Alignment Marks

Need a step-by-step guide?

Get an AI-powered repair guide with parts lists, cost estimates, and clear instructions for your 1999 Ford.

AI Repair Guides




LH Shown. RH Similar.:





Fig. 13 Engine Front Cover Installation:









Refer to Engine Cooling and Exhaust/Engine/Service and Repair/Procedures/Assembly for timing information. Assembly