Rear

Need a step-by-step guide?

Get an AI-powered repair guide with parts lists, cost estimates, and clear instructions for your 1997 Ford.

AI Repair Guides

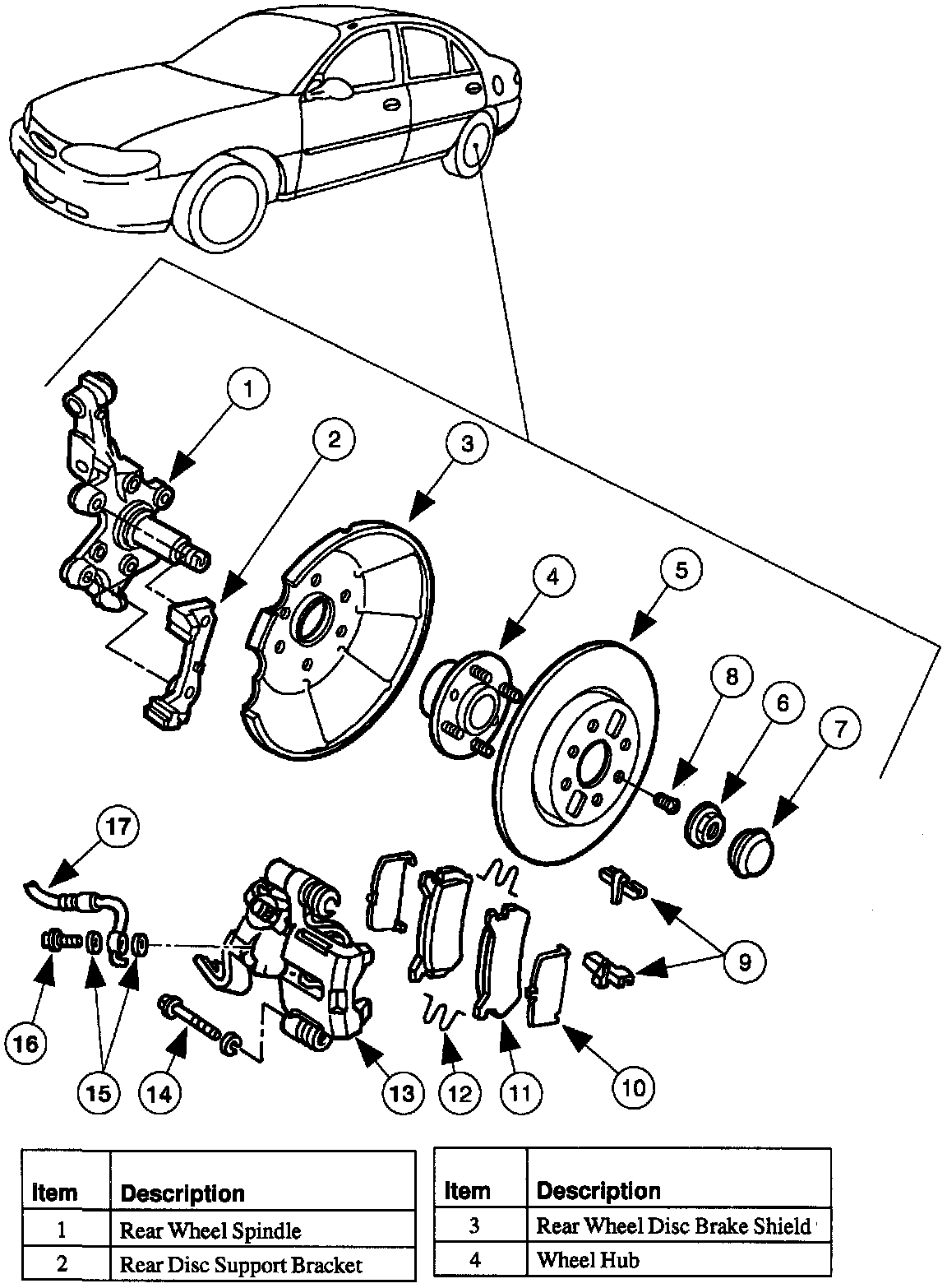
Disc Brake Components, Rear (Part 1 Of 2):




Disc Brake Components, Rear (Part 2 Of 2):




Rear Caliper Internal Components: