Pinpoint Test F: The Speech Recognition Module (SRM) Does Not Respond To The Scan Tool

Need a step-by-step guide?

Get an AI-powered repair guide with parts lists, cost estimates, and clear instructions for your 2012 Ford Truck.

AI Repair Guides



Communications Network

Pinpoint Test F: The Speech Recognition Module (SRM) Does Not Respond To The Scan Tool

Refer to Wiring Diagrams Set 14, Module Communications Network for schematic and connector information. Electrical Diagrams

Refer to Wiring Diagrams Set 130, Audio System for schematic and connector information. Electrical Diagrams

Normal Operation

The Speech Recognition Module (SRM) communicates with the scan tool through the Medium Speed Controller Area Network (MS-CAN).

This pinpoint test is intended to diagnose the following:

- Fuse

- Wiring, terminals or connectors

- SRM (Speech Recognition Module)

PINPOINT TEST F : THE SRM (Speech Recognition Module) DOES NOT RESPOND TO THE SCAN TOOL

NOTICE: Use the correct probe adapter(s) when making measurements. Failure to use the correct probe adapter(s) may damage the connector.

NOTE: Failure to disconnect the battery when instructed will result in false resistance readings.

F1 CHECK THE SRM (Speech Recognition Module) VOLTAGE SUPPLY CIRCUIT FOR AN OPEN

- Ignition OFF.

- Disconnect: SRM (Speech Recognition Module) C2307.

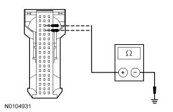
- Measure the voltage between the SRM (Speech Recognition Module) C2307-17, circuit 29-MC12 (OG/YE), harness side and ground; and between the SRM (Speech Recognition Module) C2307-18, circuit 29-MC12 (OG/YE), harness side and ground.





Is the voltage greater than 10 volts?

Yes
GO to F2.

No
VERIFY the Central Junction Box (CJB) fuse 151 (15A) is OK. If OK, REPAIR the circuit. If not OK, REFER to the Wiring Diagrams to identify the possible causes of the circuit short. CLEAR the DTCs. REPEAT the network test with the scan tool. Electrical Diagrams

F2 CHECK THE SRM (Speech Recognition Module) GROUND CIRCUIT FOR AN OPEN

- Disconnect: Negative Battery Cable.

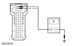
- Measure the resistance between the SRM (Speech Recognition Module) C2307-33, circuit 91-MC12 (BK/YE), harness side and ground; and between the SRM (Speech Recognition Module) C2307-34, circuit 91-MC12 (BK/YE), harness side and ground.





Is the resistance less than 5 ohms?

Yes
GO to F3.

No
REPAIR the circuit. CONNECT the negative battery cable. CLEAR the DTCs. REPEAT the network test with the scan tool.

F3 CHECK THE MS-CAN (Medium Speed Controller Area Network) CIRCUITS BETWEEN THE SRM (Speech Recognition Module) AND THE DLC (Data Link Connector) FOR AN OPEN

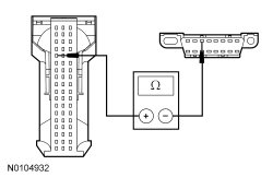
- Measure the resistance between the SRM (Speech Recognition Module) C2307-14, circuit 4-EC1 (GY/RD), harness side and the DLC (Data Link Connector) C251-3, circuit 4-EC1 (GY/RD)/4-EC13 (GY/VT)/4-EC14 (GY/OG), harness side.





- Measure the resistance between the SRM (Speech Recognition Module) C2307-15, circuit 5-EC1 (BU/RD), harness side and the DLC (Data Link Connector) C251-11, circuit 5-EC1 (BU/RD)/5-EC13 (BU/WH)/5-EC14 (BU/BK), harness side.





Are the resistances less than 5 ohms?

Yes
CONNECT the negative battery cable. GO to F4.

No
REPAIR the circuit. CONNECT the negative battery cable. CLEAR the DTCs. REPEAT the network test with the scan tool.

F4 CHECK FOR CORRECT SRM (Speech Recognition Module) OPERATION

- Disconnect the SRM (Speech Recognition Module) connector.

- Check for:
- corrosion

- damaged pins

- pushed-out pins


- Connect the SRM (Speech Recognition Module) connector and make sure it seats correctly.

- Verify the concern is still present.

Is the concern still present?

Yes
INSTALL a new SRM (Speech Recognition Module). CLEAR the DTCs. REPEAT the network test with the scan tool.

No
The system is operating correctly at this time. The concern may have been caused by a loose or corroded connector.