Pinpoint Test B: The ABS Module Does Not Respond To The Scan Tool

Need a step-by-step guide?

Get an AI-powered repair guide with parts lists, cost estimates, and clear instructions for your 2012 Ford Truck.

AI Repair Guides



Communications Network

Pinpoint Test B: The ABS Module Does Not Respond To The Scan Tool

Refer to Wiring Diagrams Set 14, Module Communications Network for schematic and connector information. Electrical Diagrams

Refer to Wiring Diagrams Set 42, Vehicle Dynamic Systems for schematic and connector information. Electrical Diagrams

Normal Operation

The ABS module communicates with the scan tool through the High Speed Controller Area Network (HS-CAN).

This pinpoint test is intended to diagnose the following:

- Fuse

- Wiring, terminals or connectors

- ABS module

PINPOINT TEST B : THE ABS MODULE DOES NOT RESPOND TO THE SCAN TOOL

NOTICE: Use the correct probe adapter(s) when making measurements. Failure to use the correct probe adapter(s) may damage the connector.

NOTE: Failure to disconnect the battery when instructed will result in false resistance readings.

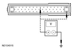
B1 CHECK THE ABS MODULE VOLTAGE SUPPLY CIRCUITS FOR AN OPEN

- Ignition OFF.

- Disconnect: ABS Module C135 (Without Stability Control) or C155 (With Stability Control).

- Ignition ON.

- For vehicles without stability control, measure the voltage between the ABS module C135-1, circuit 30-CF6 (RD), harness side and ground; and between the ABS module C135-20, circuit 15-CF6 (GN/YE), harness side and ground.





- For vehicles with stability control, measure the voltage between the ABS module C155-8, circuit 15-CF6 (GN/YE), harness side and ground; and between the ABS module C155-32, circuit 30-CF6 (RD), harness side and ground.





Is the voltage greater than 10 volts?

Yes
GO to B2.

No
VERIFY Battery Junction Box (BJB) fuse 15 (20A) or Central Junction Box (CJB) fuse 161 (7.5A) is OK. If OK, REPAIR the circuit in question.
If not OK, REFER to the Wiring Diagrams to identify the possible causes of the circuit short. CLEAR the DTCs. REPEAT the network test with the scan tool. Electrical Diagrams

B2 CHECK THE ABS MODULE GROUND CIRCUIT FOR AN OPEN

- Ignition OFF.

- Disconnect: Negative Battery Cable.

- For vehicles without stability control, measure the resistance between the ABS module C135-26, circuit 91-CF13 (BK/BU), harness side and ground.





- For vehicles with stability control, measure the resistance between the ABS module C155-16, circuit 91-CF6 (BK/YE), harness side and ground.





Are the resistances less than 5 ohms?

Yes
For vehicles without stability control, GO to B3.

For vehicles with stability control, GO to B4.

No
REPAIR the circuit. CLEAR the DTCs. REPEAT the network test with the scan tool.

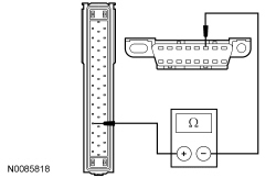
B3 CHECK THE HS-CAN (High Speed Controller Area Network) CIRCUITS BETWEEN THE ABS MODULE AND THE DLC (Data Link Connector) FOR AN OPEN - WITHOUT STABILITY CONTROL

- Measure the resistance between the ABS module C135-23, circuit 4-EC7 (GY/RD), harness side and the Data Link Connector (DLC) C251-6, circuit 4-EC7 (GY/RD)/4-EC8 (GY/VT), harness side.





- Measure the resistance between the ABS module C135-21, circuit 5-EC7 (BU/RD), harness side and the DLC (Data Link Connector) C251-14, circuit 5-EC7 (BU/RD)/5-EC8 (BU/WH), harness side.





Are the resistances less than 5 ohms?

Yes
CONNECT the negative battery cable. GO to B5.

No
REPAIR the circuit in question. CONNECT the negative battery cable. CLEAR the DTCs. REPEAT the network test with the scan tool.

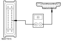
B4 CHECK THE HS-CAN (High Speed Controller Area Network) CIRCUITS BETWEEN THE ABS MODULE AND THE DLC (Data Link Connector) FOR AN OPEN - WITH STABILITY CONTROL

- Measure the resistance between the ABS module C155-12, circuit 4-EC7 (GY/RD), harness side and the Data Link Connector (DLC) C251-6, circuit 4-EC7 (GY/RD)/4-EC8 (GY/VT), harness side.





- Measure the resistance between the ABS module C155-13, circuit 5-EC7 (BU/RD), harness side and the DLC (Data Link Connector) C251-14, circuit 5-EC7 (BU/RD)/5-EC8 (BU/WH), harness side.





Are the resistances less than 5 ohms?

Yes
CONNECT the negative battery cable. GO to B5.

No
REPAIR the circuit in question. CONNECT the negative battery cable. CLEAR the DTCs. REPEAT the network test with the scan tool.

B5 CHECK FOR CORRECT ABS MODULE OPERATION

- Disconnect the ABS module connector.

- Check for:
- corrosion

- damaged pins

- pushed-out pins


- Connect the ABS module connector and make sure it seats correctly.

- Operate the system and verify the concern is still present.

Is the concern still present?

Yes
INSTALL a new ABS module. CLEAR the DTCs. REPEAT the network test with the scan tool.

No
The system is operating correctly at this time. The concern may have been caused by a loose or corroded connector.