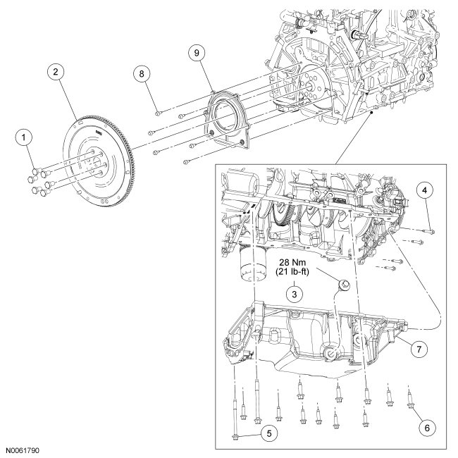
Lower End Components - Exploded View

Need a step-by-step guide?

Get an AI-powered repair guide with parts lists, cost estimates, and clear instructions for your 2012 Ford Truck.

AI Repair Guides



Lower End Components - Exploded View

Crankshaft Pulley and Crankshaft Front Seal










Flexplate and Crankshaft Rear Seal With Retainer Plate