Part 2

Need a step-by-step guide?

Get an AI-powered repair guide with parts lists, cost estimates, and clear instructions for your 2012 Ford Truck.

AI Repair Guides



Engine




















Lower Engine Block (View 1)










Lower Engine Block (View 2)










Front Engine Block










Cylinder Head










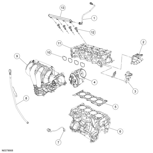
Intake Manifold









NOTICE: Do not loosen or remove the crankshaft pulley bolt without first installing the special tools as instructed. The crankshaft pulley and the crankshaft timing sprocket are not keyed to the crankshaft. The crankshaft, the crankshaft sprocket and the pulley are fitted together by friction, using diamond washers between the flange faces on each part. For that reason, the crankshaft sprocket is also unfastened if the pulley bolt is loosened. Before any repair requiring loosening or removal of the crankshaft pulley bolt, the crankshaft and camshafts must be locked in place by the special service tools, otherwise severe engine damage can occur.

NOTICE: During engine repair procedures, cleanliness is extremely important. All parts must be thoroughly cleaned and any foreign material, including any material created while cleaning gasket surfaces, that enters the oil passages, coolant passages or the oil pan, can cause engine failure.

NOTE: Assembly of the engine requires various inspections/measurements of the engine components (engine block, crankshaft, connecting rods, pistons and piston rings). These inspections/measurements will aid in determining if the engine components will require replacement.

24. Using a new oil pump pickup tube gasket, install the pickup tube and bolts.
- Tighten to 10 Nm (89 lb-in).






25. Using the Crankshaft Rear Main Oil Seal Installer, install the crankshaft rear seal.





26. Tighten the 6 crankshaft rear seal with retainer plate bolts in the sequence shown.
- Tighten to 10 Nm (89 lb-in).






27. NOTICE: Do not use metal scrapers, wire brushes, power abrasive discs or other abrasive means to clean the sealing surfaces. These tools cause scratches and gouges, which make leak paths. Use a plastic scraping tool to remove traces of sealant.

Clean and inspect all mating surfaces.


28. NOTE: If the oil pan is not secured within 4 minutes of sealant application, the sealant must be removed and the sealing area cleaned with metal surface prep. Allow to dry until there is no sign of wetness, or 4 minutes, whichever is longer. Failure to follow this procedure can cause future oil leakage.
Apply a 2.5 mm (0.09 in) bead of silicone gasket and sealant to the oil pan-to-engine block and to the oil pan-to-engine front cover mating surface.






29. Install the oil pan. Install the 2 oil pan bolts finger-tight.





30. Using a suitable straight edge, align the front surface of the oil pan flush with the front surface of the engine block.





31. Install the remaining 13 oil pan bolts and tighten the oil pan bolts in the sequence shown to 25 Nm (18 lb-ft).





32. Install the cylinder head alignment dowels. Dowels must be fully seated in the cylinder block.





33. Apply silicone gasket and sealant to the locations shown.





34. Install a new cylinder head gasket.





35. NOTE: The cylinder head bolts are torque-to-yield and must not be reused. New cylinder head bolts must be installed.
Install the cylinder head and 10 new bolts. Tighten the bolts in the sequence shown in 5 stages.

- Stage 1: Tighten to 5 Nm (44 lb-in).

- Stage 2: Tighten to 15 Nm (133 lb-in).

- Stage 3: Tighten to 45 Nm (33 lb-ft).

- Stage 4: Turn 90 degrees.

- Stage 5: Turn an additional 90 degrees.






36. NOTE: If the camshafts and valve tappets are to be reused, make sure they are assembled in their original positions.

NOTE: Coat the valve tappets with clean engine oil.
Install the valve tappets.


37. NOTICE: Install the camshafts with the alignment slots in the camshafts lined up so the Camshaft Alignment Plate can be installed without rotating the camshafts. Make sure the lobes on the No. 1 cylinder are in the same position as noted in the disassembly procedure. Rotating the camshafts when the timing chain is removed, or installing the camshafts 180 degrees out of position, can cause severe damage to the valves and pistons.

NOTE: Lubricate the camshaft journals and bearing caps with clean engine oil.

Install the camshafts and bearing caps in their original location and orientation. Tighten the bearing caps in the sequence shown in 3 stages:
- Stage 1: Tighten one turn at a time until tight.

- Stage 2: Tighten to 7 Nm (62 lb-in).

- Stage 3: Tighten to 16 Nm (142 lb-in).






38. NOTE: Install a new crankshaft sprocket diamond washer on both sides of the crankshaft sprocket.
Install the crankshaft sprocket, new crankshaft sprocket diamond washers, oil pump chain and oil pump sprocket.

- The crankshaft sprocket flange must be facing away from the engine block.






39. Install the oil pump chain, sprocket and bolt.
- Tighten to 25 Nm (18 lb-ft).






40. Install the oil pump chain tensioner shoulder bolt.
- Tighten to 10 Nm (89 lb-in).






41. Install the oil pump chain tensioner. Hook the tensioner spring around the shoulder bolt.
- Tighten to 10 Nm (89 lb-in).






42. NOTICE: The Camshaft Alignment Plate is for camshaft alignment only. Using this tool to prevent engine rotation can result in engine damage.

Install the Camshaft Alignment Plate in the slots on the rear of both camshafts.






43. Install the camshaft sprockets and the bolts. Do not tighten the bolts at this time.





44. Install the LH timing chain guide and the 2 bolts.
- Tighten to 10 Nm (89 lb-in).






45. Install the timing chain.





46. Install the RH timing chain guide.





NOTE: If the timing chain tensioner plunger and ratchet assembly are not pinned in the compressed position, follow the next 4 steps.