Parking Brake System

Need a step-by-step guide?

Get an AI-powered repair guide with parts lists, cost estimates, and clear instructions for your 2012 Ford Truck.

AI Repair Guides



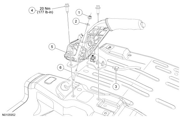
Parking Brake - Exploded View

Parking Brake (View 1 of 3)










Parking Brake (View 2 of 3)










Parking Brake (View 3 of 3)