Ignition Switch: Service and Repair

Need a step-by-step guide?

Get an AI-powered repair guide with parts lists, cost estimates, and clear instructions for your 1995 Eagle.

AI Repair Guides

Ignition Switch - Removal And Installation:





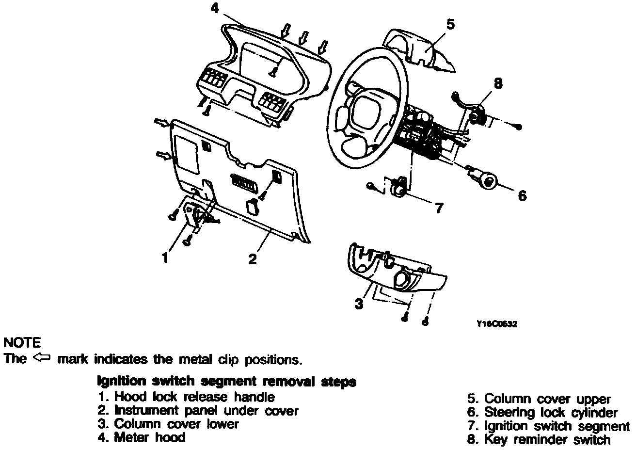
REMOVE
1. Hood lock release handle
2. Instrument panel under cover
3. Column cover lower
4. Meter hood
5. Column cover upper
6. Steering lock cylinder
7. Ignition switch segment
8. Key reminder switch

INSTALL
1. Key reminder switch
2. Ignition switch segment
3. Steering lock cylinder
4. Column cover upper
5. Meter hood
6. Column cover lower
7. Instrument panel under cover
8. Hood lock release handle