Checking The PCM Power And Grounds

Need a step-by-step guide?

Get an AI-powered repair guide with parts lists, cost estimates, and clear instructions for your 1992 Eagle.

AI Repair Guides
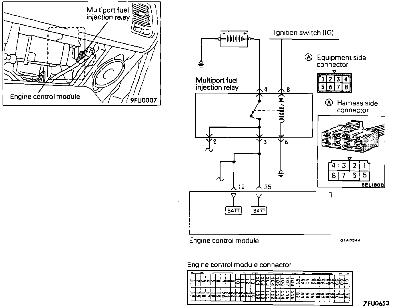
CONTROL RELAY
Failure of the control relay could interrupt power supply to the fuel pump, injectors and ECU, resulting in start failure.

Caution Use caution when connecting jumper wires to the relay. If they are incorrectly connected the relay will be damaged.

Fig. 1 Control Relay Test:






1. Remove the control relay.
2. Using an ohm meter, check the resistance between the terminals as shown in FIG. 1.

Fig. 2 Control Relay Test:






3. Using an ohm meter, check the resistance terminals 1 and 4, when voltage is supplied and not supplied between terminals 6 and 7 as shown in FIG. 2.

Fig. 3 Control Relay Test:






4. Using an ohm meter, check the resistance terminals 2 and 4, when voltage is supplied and not supplied between terminals 6 and 8 as shown in FIG. 3.

Power Supply Circuit:





KEY "ON" POWER CIRCUIT
1. Disconnect the control relay and turn the key to the ON position.
2. Using a voltmeter, check the voltage between the relay harness terminal 8 and ground.

Voltage
System voltage.

3. Turn the key to the OFF position.
4. Using an ohm meter, check for continuity between relay harness terminal 6 and ground.

Continuity
Should exist.

5. Using a voltmeter, check the voltage between the relay harness terminal 4 and ground.

Voltage
System voltage.

6. Disconnect the negative battery cable and the ECU connectors.
7. Using an ohm meter, check for continuity between the ECU harness terminal 12 and relay harness connector terminal 3.

Continuity
Should exist.

8. Using an ohm meter, check for continuity between the ECU harness terminal 25 and relay harness connector terminal 3.

Continuity
Should exist.

9. Using an ohm meter, check for continuity between the relay harness terminal 3 and ground.

Continuity
Should not exist.


Engine Control Module Ground Circuit:





GROUND CIRCUIT
1. Disconnect the ECU connector.
2. Using an ohm meter, check for continuity between ECU harness terminal 13 and ground.

Continuity
Should exist.

3. Using an ohm meter, check for continuity between ECU harness terminal 26 and ground.

Continuity
Should exist.


If any of the previous tests produce unsatisfactory results, the harness will need to be repaired or replaced. Once repairs have been completed, road test the vehicle to confirm that the repair has corrected the problem.
If the same problem reoccurs, it is possible that there is an intermittent failure of the component or the ECU. Check for looseness at all harness junctions and test for an intermittent failure.