INSTALLATION
NOTE: A battery reconnect procedure must be performed anytime the battery has been disconnected.
1. Position Integrated Power Module (IPM) to vehicle. Engage the three retaining clips.
2. Disengage the outboard retaining clip and rotate the IPM to access wire harness connectors.
3. Connect electrical harness connectors to IPM.
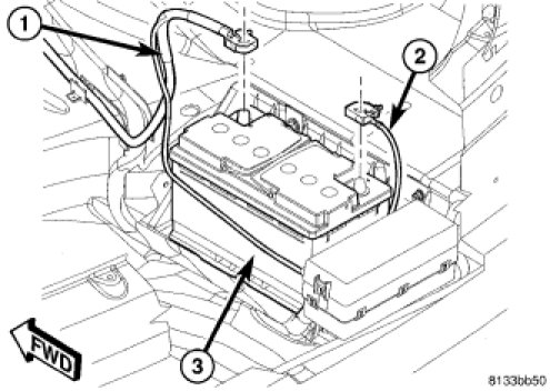
4. Connect battery cable to IPM.
5. Install and tighten retaining nut.
6. Close the battery cable nut cover.
7. Connect battery negative cable (2).