Disassembly and Assembly

Need a step-by-step guide?

Get an AI-powered repair guide with parts lists, cost estimates, and clear instructions for your 1991 Dodge.

AI Repair Guides

Remove Or Install 2 Extension Outer Bolts:





Remove Or Install 3 Differential Bearing Retainer Outer Bolts:





Remove Or Install Differential Cover Bolts:





Remove Differential Cover:





Differential Cover Removal:





Remove Or Install 2 Extension Bolts:




OUT OF CAR TRANSAXLE-DISASSEMBLE AND ASSEMBLE
DIFFERENTIAL


Remove Or Install Extension:





Remove Or Install 3 Differential Bearing Retainer Bolts:





Remove Or Install Differential Bearing Retainer:





Differential Assembly Removed:





Rear End Cover Bolts:





Rear End Cover Removed:




GEAR SET

CAUTION:
Tool 6252 must be used to remove or install this nut. Always install a NEW nut and tighten to 258 Nm (190 ft. lbs.).

Remove 5th Fork Roll Pin:





Install 5th Fork Roll Pin:





5th Fork And Sleeve:





Snap Ring:





Remove 5th Synchronizer Hub:





Install 5th Synchronizer Hub:





Remove Or Install 5th Gear Nut:





Bearing Retainer Plate Bolts:





Bearing Retainer Plate:





Interlock Shuttles:





Interlock Plate:





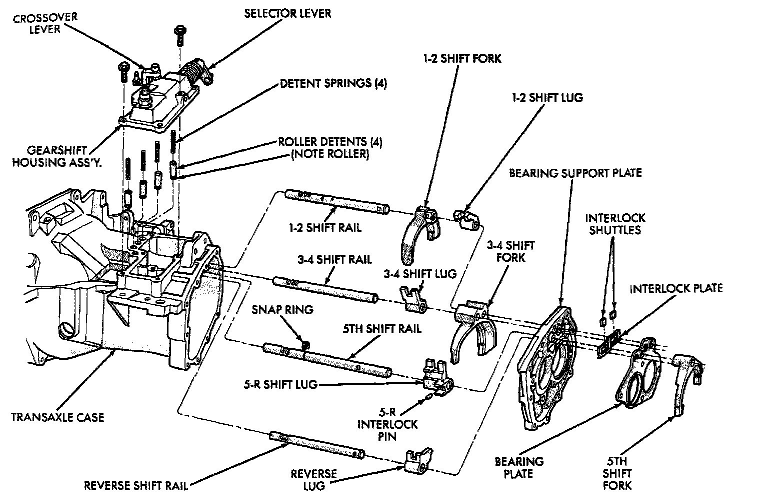
A-523/A-543/A-568 Shift Forks And Shift Rail Components:





Gearshift Housing Bolts:





Gearshift Housing Removed:




CAUTION: Before removing the gearshift housing, reverse the lock pin (so the long end is down) and insert lock pin into the same threaded hole. This procedure will save time when the gearshift housing assembly is reinstalled.

Remove Roller Detents:





Remove 1-2 Shift Lug Roll Pin:





Install 1-2 Shift Lug Roll Pin:





Remove 1-2 Shift Fork Roll Pin:





Reverse Pivot Lever:




To install gearshift housing, be sure to reverse the lock pin in the housing to lock the selector shaft in the 3-4 neutral position.

CAUTION: Install roller detents so roller and slots are parallel with shift rails.

Remove or install 3-4 lug roll pin, 3-4 fork roll pin, and reverse lug roll pin using the above procedure.


CAUTION: If any roll pin falls out, retrieve roll pin from bottom of case.

5th Shift Rail C-Clip:





5th Shift Rail And Lug:





5th Shift Lug With Interlock Pin:





5th Shift Lug Properly Installed:





Reverse Shift Rail And Shift Lug:





Shift Rail And Shift Lug:





Shift Rail And Shift Lug:





Remove Or Install Large Snap Ring:





Pry Bearing Retainer Plate To Remove:




CAUTION: Pry only at slot as shown.

Bearing Support Plate:





Remove Or Install Reverse Idler Gear:





Reverse Idler Gear Assembly:





Remove Or Install Gear Set:





Gear Set:





Remove Retaining E-Clip:





Remove Or Install Clutch Release Shaft:





Clutch Release Shaft Components:




CLUTCH RELEASE BEARING

Remove Or Install Input Shaft Seal Retainer:





Input Shaft Seal Retainer:





Install New Input Shaft Seal:




INPUT SHAFT OIL SEAL

Remove Or Install Reverse Shift Lever E-Clip:





Reverse Shift Lever Components:




REVERSE SHIFT LEVER