Cooling System: Testing and Inspection

Need a step-by-step guide?

Get an AI-powered repair guide with parts lists, cost estimates, and clear instructions for your 1991 Dodge.

AI Repair Guides

Cooling (Part 1 Of 7) - For Illustration Only:



Fig. 1 Cooling (Part 2 Of 7):



Fig. 1 Cooling (Part 3 Of 7):



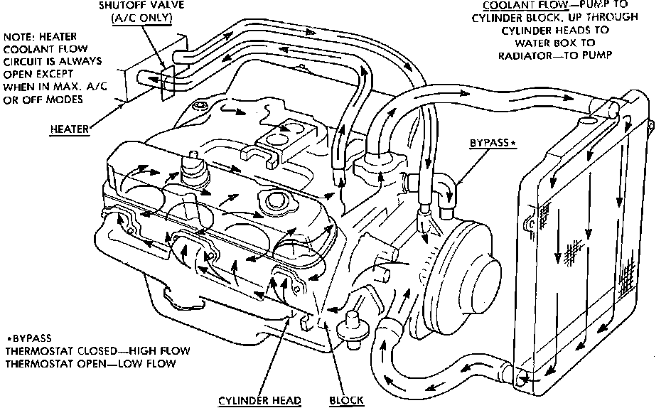
Fig. 1 Cooling (Part 4 Of 7):



Fig. 1 Cooling (Part 5 Of 7):



Fig. 1 Cooling (Part 6 Of 7):



Fig. 1 Cooling (Part 7 Of 7):