Engine Lubrication

Need a step-by-step guide?

Get an AI-powered repair guide with parts lists, cost estimates, and clear instructions for your 1991 Dodge.

AI Repair Guides

Engine Lubrication System:





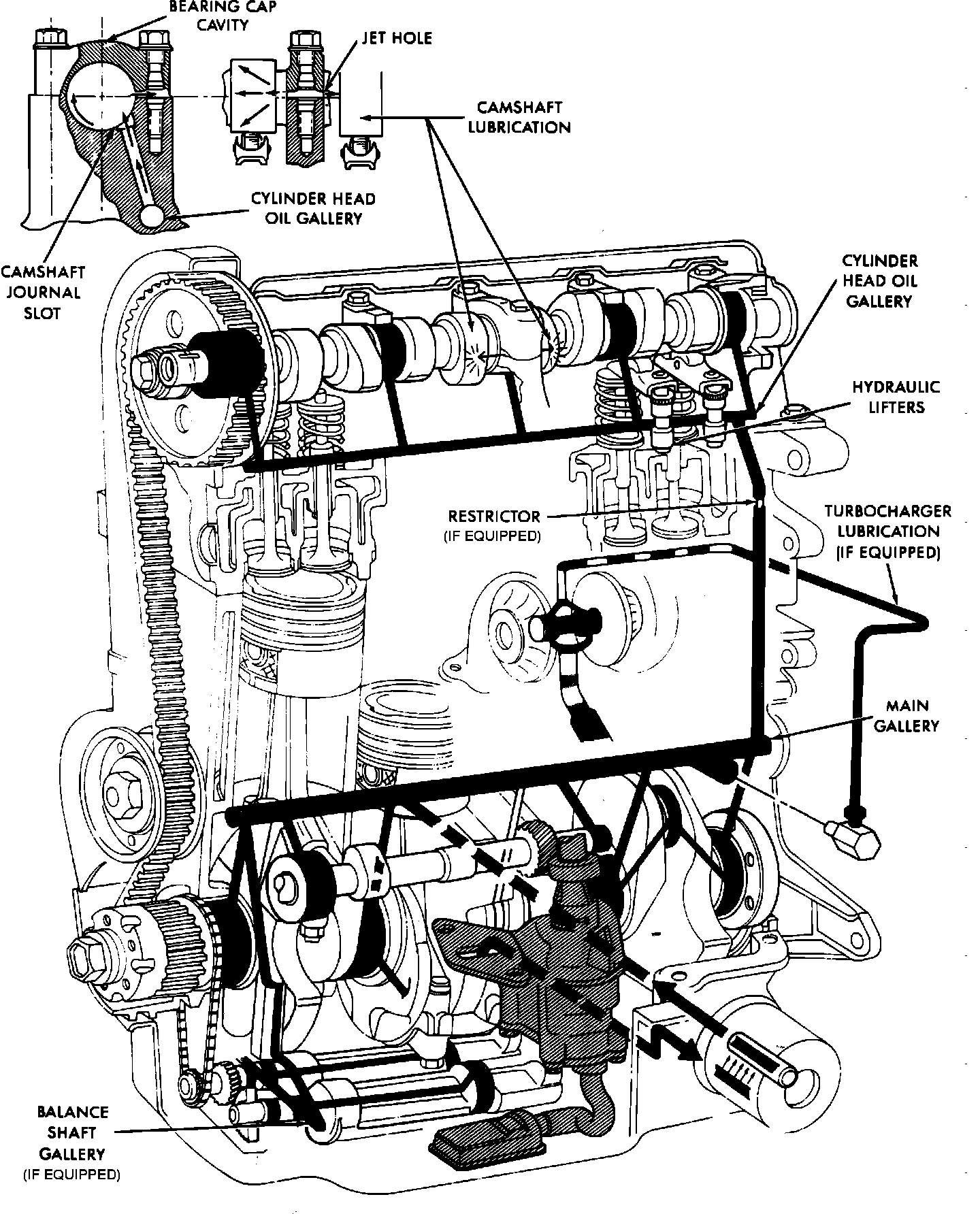
Engines not equipped with balance shafts do not have oil passages drilled for them.
Engines not equipped with a turbocharger do not have the turbo oil drain back passage.
Engines not equipped with either a turbocharger or balance shafts do not have the restrictor in the cylinder block surface.