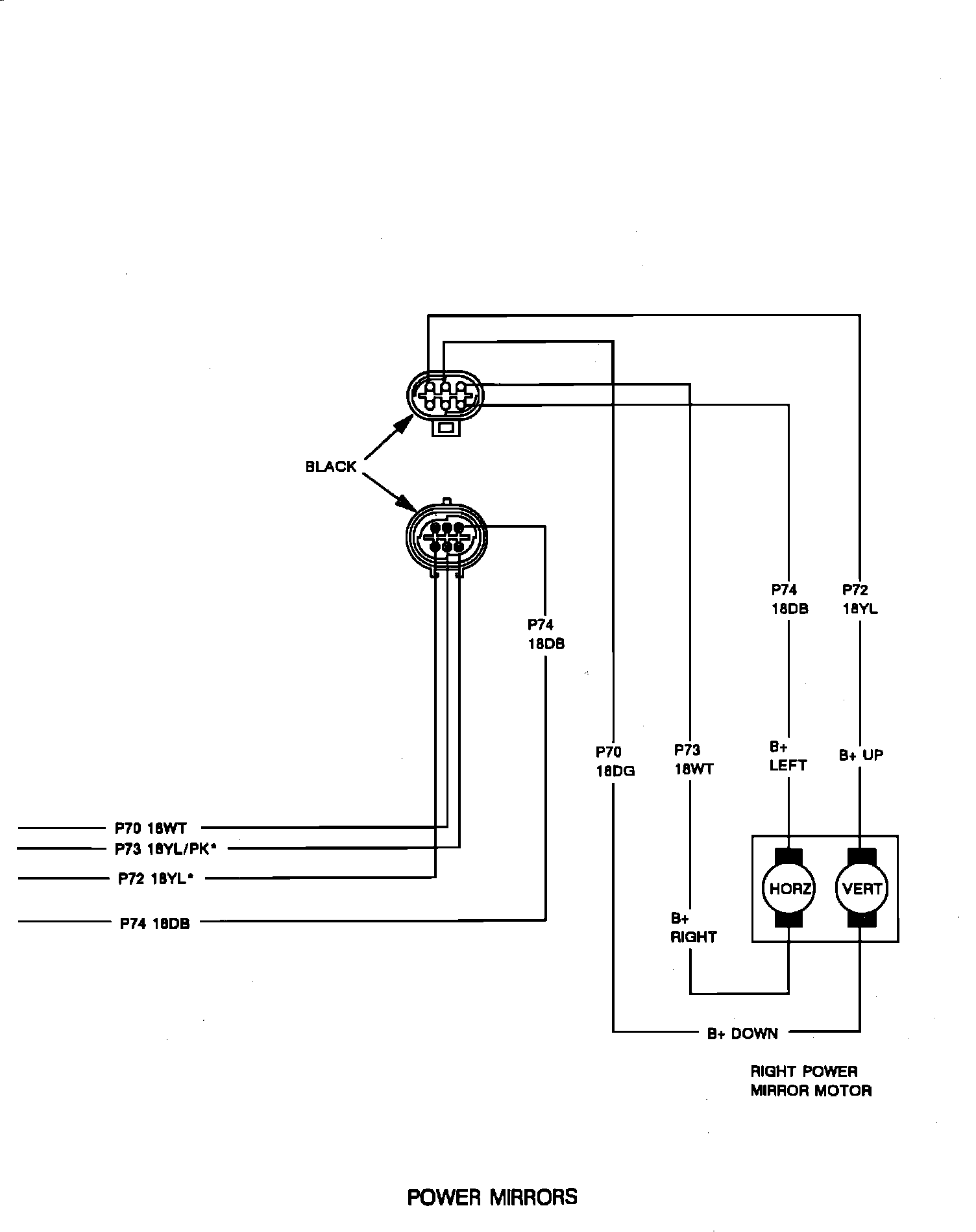
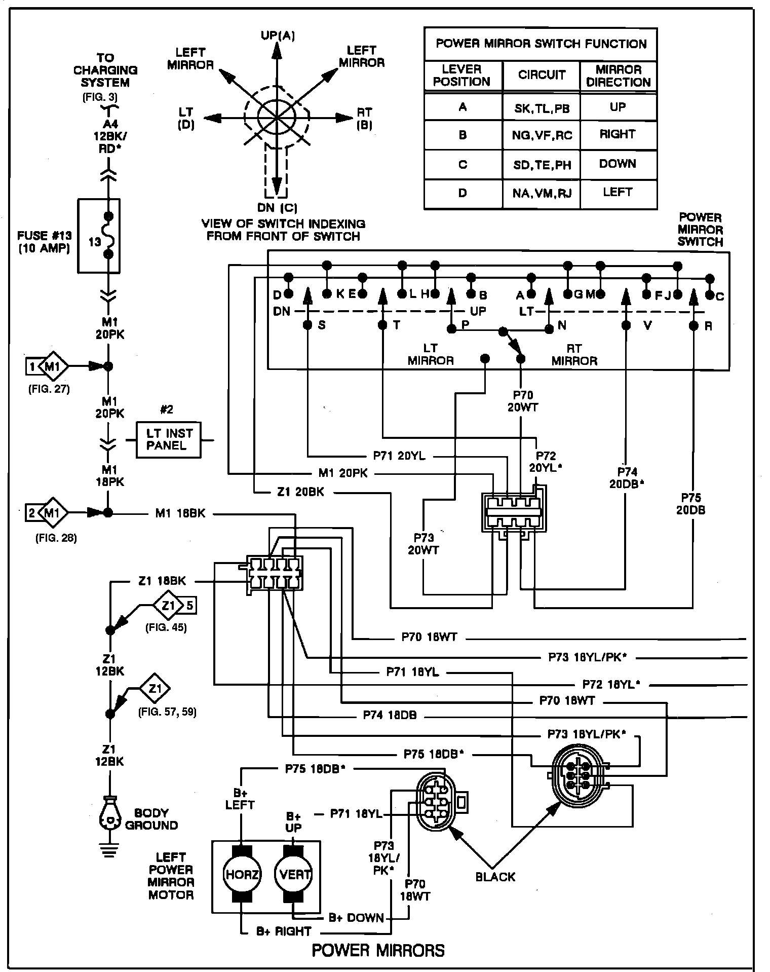
Mirrors
Need a step-by-step guide?
Get an AI-powered repair guide with parts lists, cost estimates, and clear instructions for your 1991 Dodge.
Need a step-by-step guide?
Get an AI-powered repair guide with parts lists, cost estimates, and clear instructions for your 1991 Dodge.