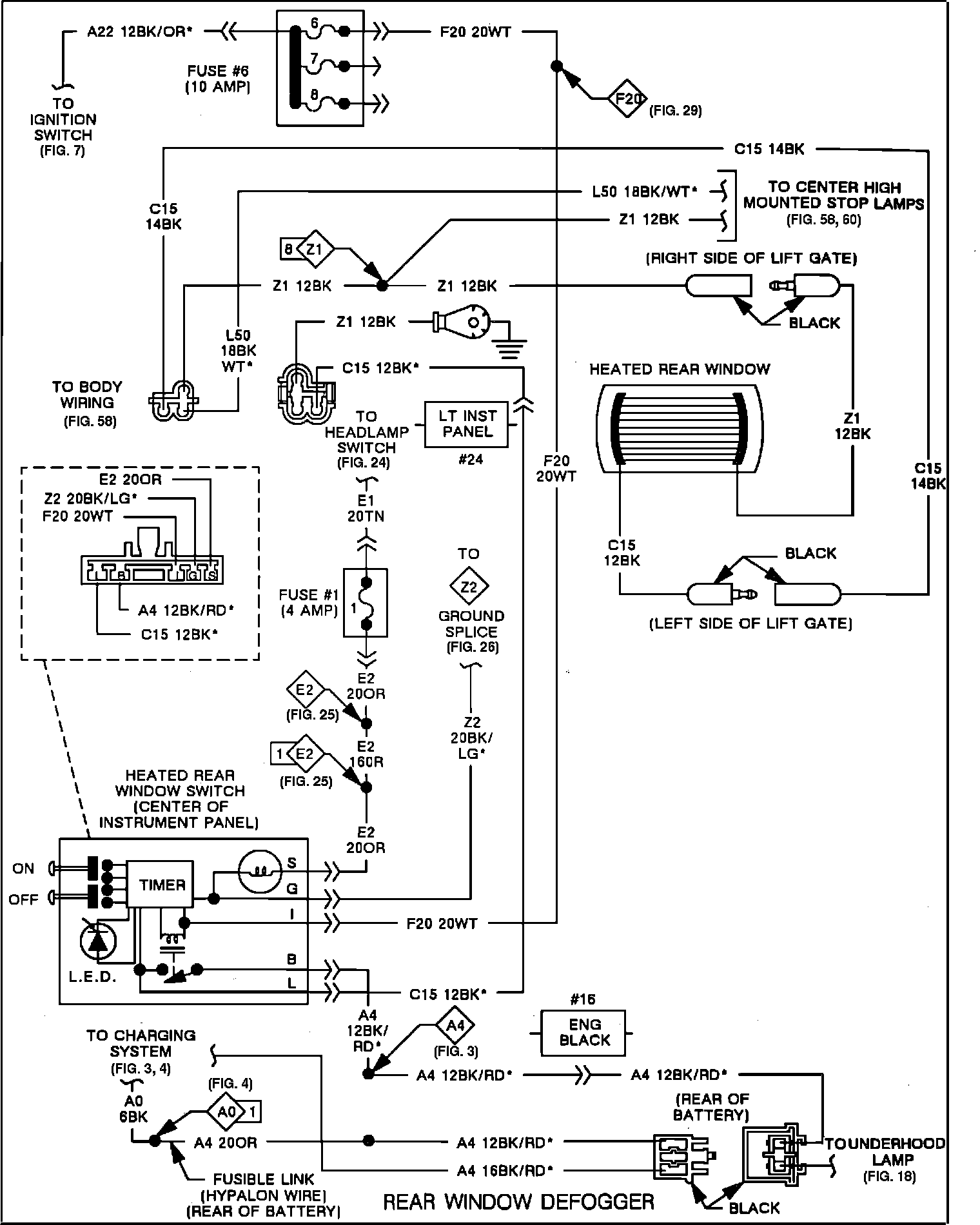
Heated Glass Element

Need a step-by-step guide?

Get an AI-powered repair guide with parts lists, cost estimates, and clear instructions for your 1991 Dodge.

AI Repair Guides

Rear Window Defroster: