Accessory Delay Module

Need a step-by-step guide?

Get an AI-powered repair guide with parts lists, cost estimates, and clear instructions for your 1987 Dodge.

AI Repair Guides

Fig. 14 Courtesy Lamps & Seatbelt Warning System Wiring Circuit (Part 1 of 2):



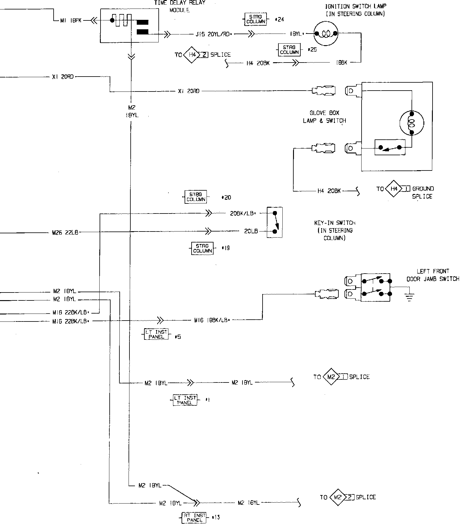
Fig. 14 Courtesy Lamps & Seatbelt Warning System Wiring Circuit (Part 2 of 2):