System Schematic

Need a step-by-step guide?

Get an AI-powered repair guide with parts lists, cost estimates, and clear instructions for your 2003 Chrysler.

AI Repair Guides

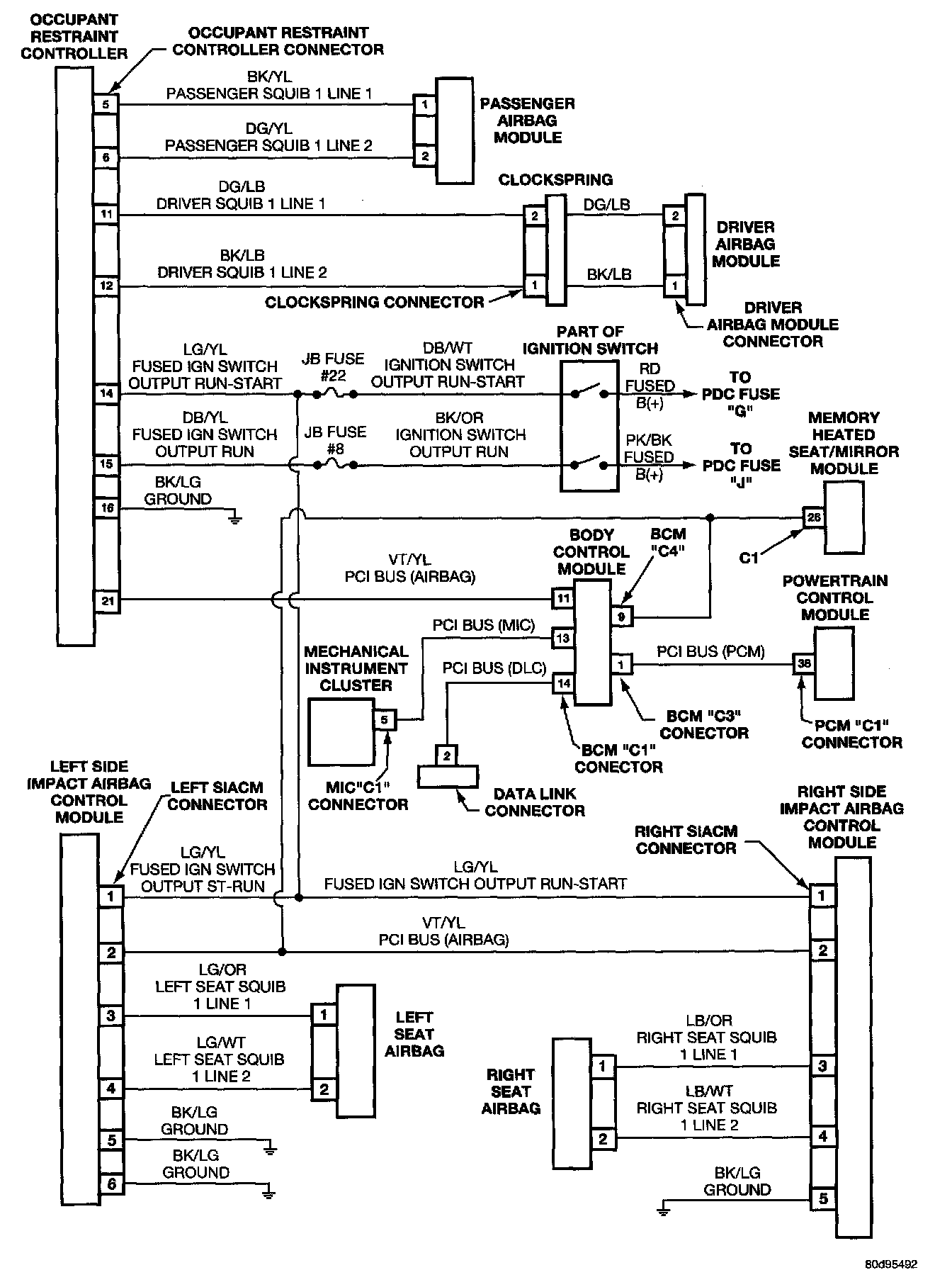
Airbag Systems:




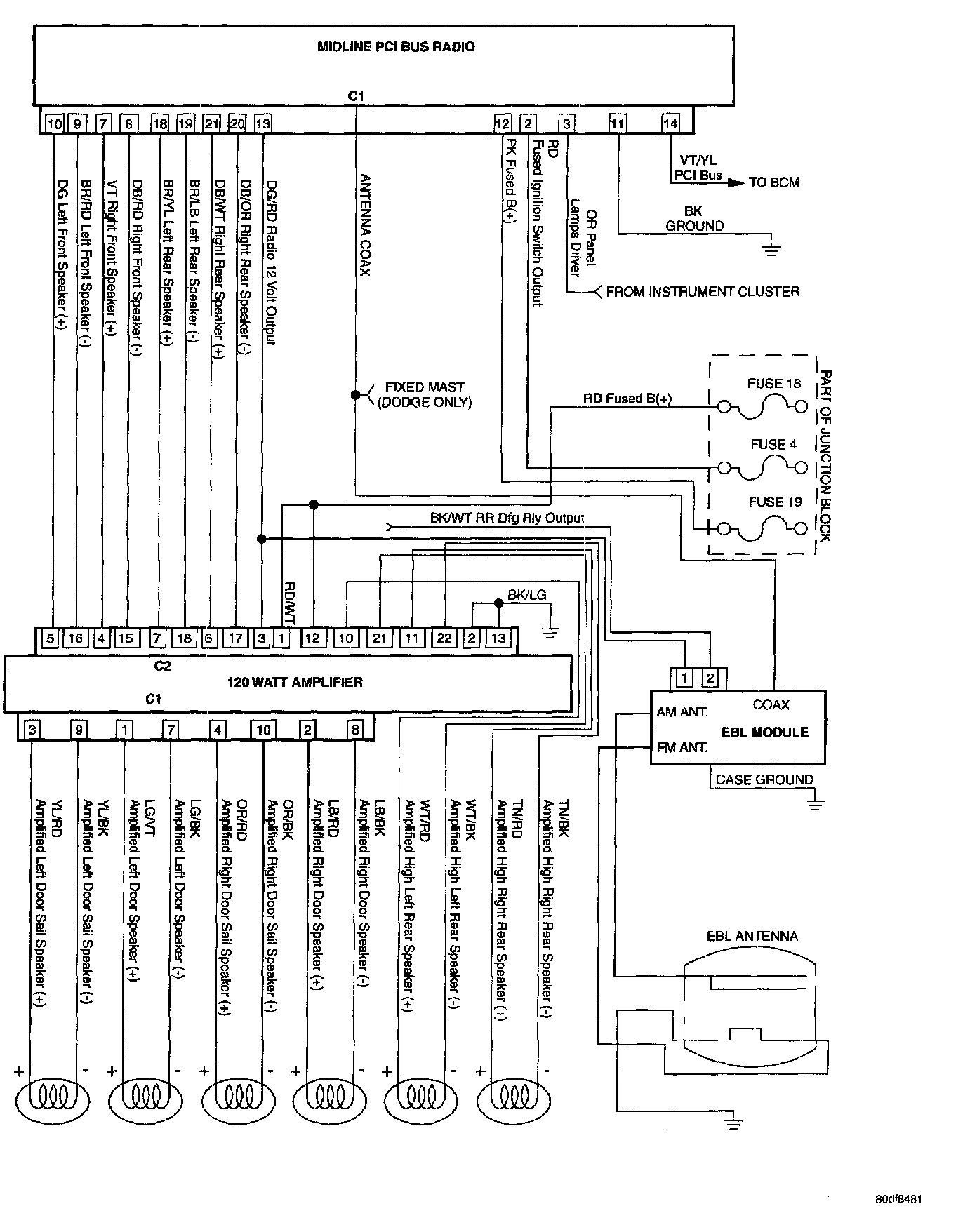
Audio System - Midline:




Audio System - Premium Infinity I:




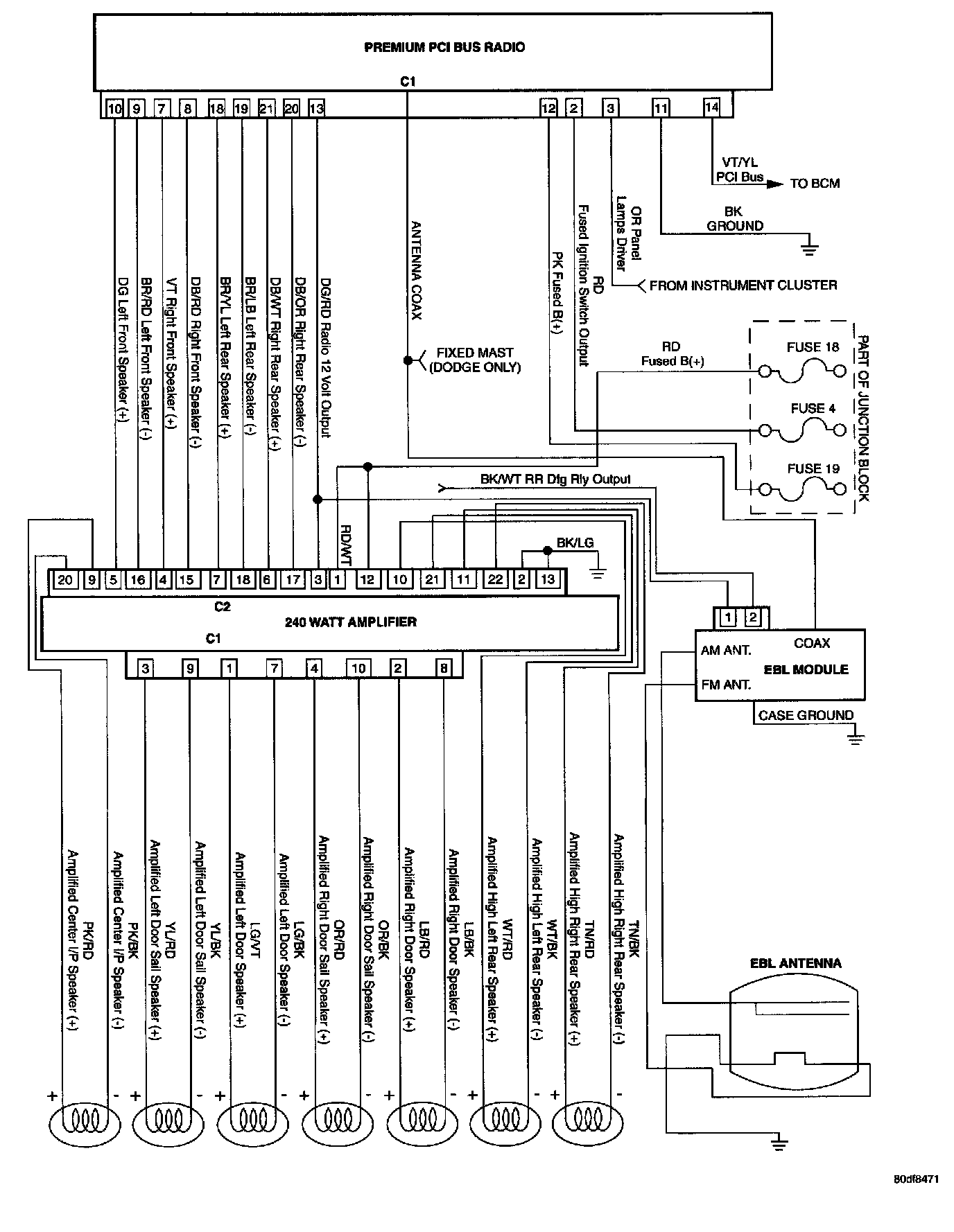
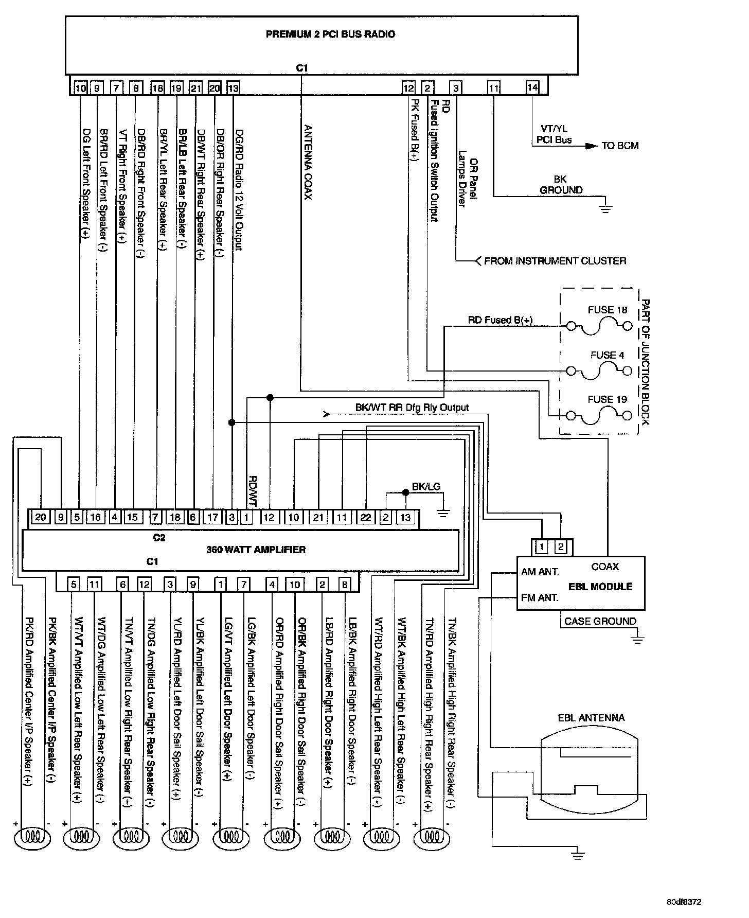
Audio System - Premium 2 Infinity II:




CD Changer:




Remote Radio Switches:




Chime Warning System:




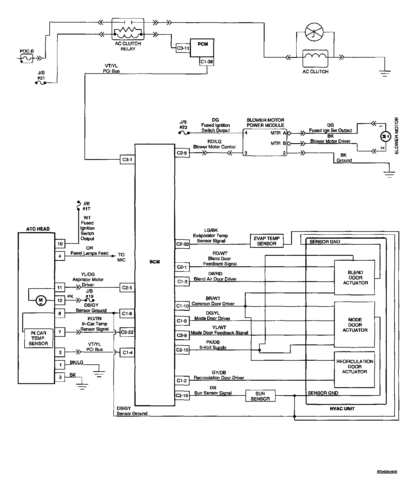
Climate Control - Automatic Temperature Control:




Climate Control - Manual Temperature Control:




Communications:




PCM Communication:




Door Ajar:




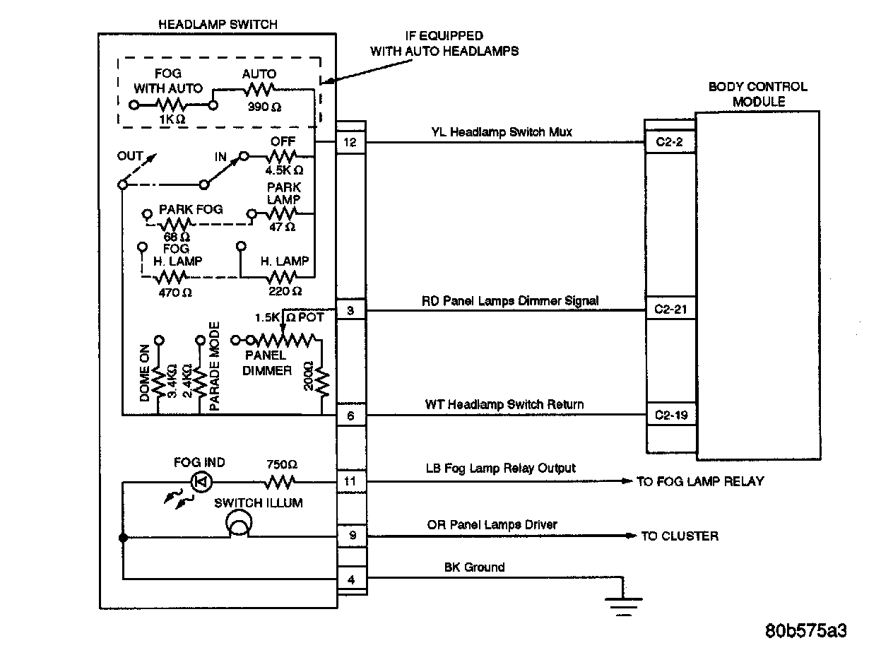
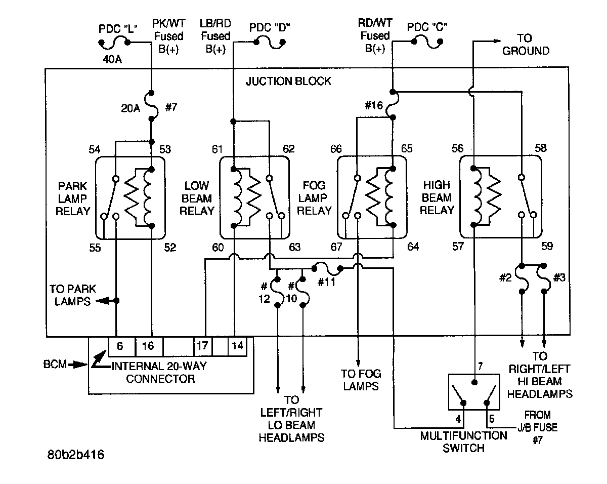
Exterior Lighting:




Exterior Lighting:




Instrument Cluster:




Instrument Cluster:




Interior Lighting:




Interior Lighting:




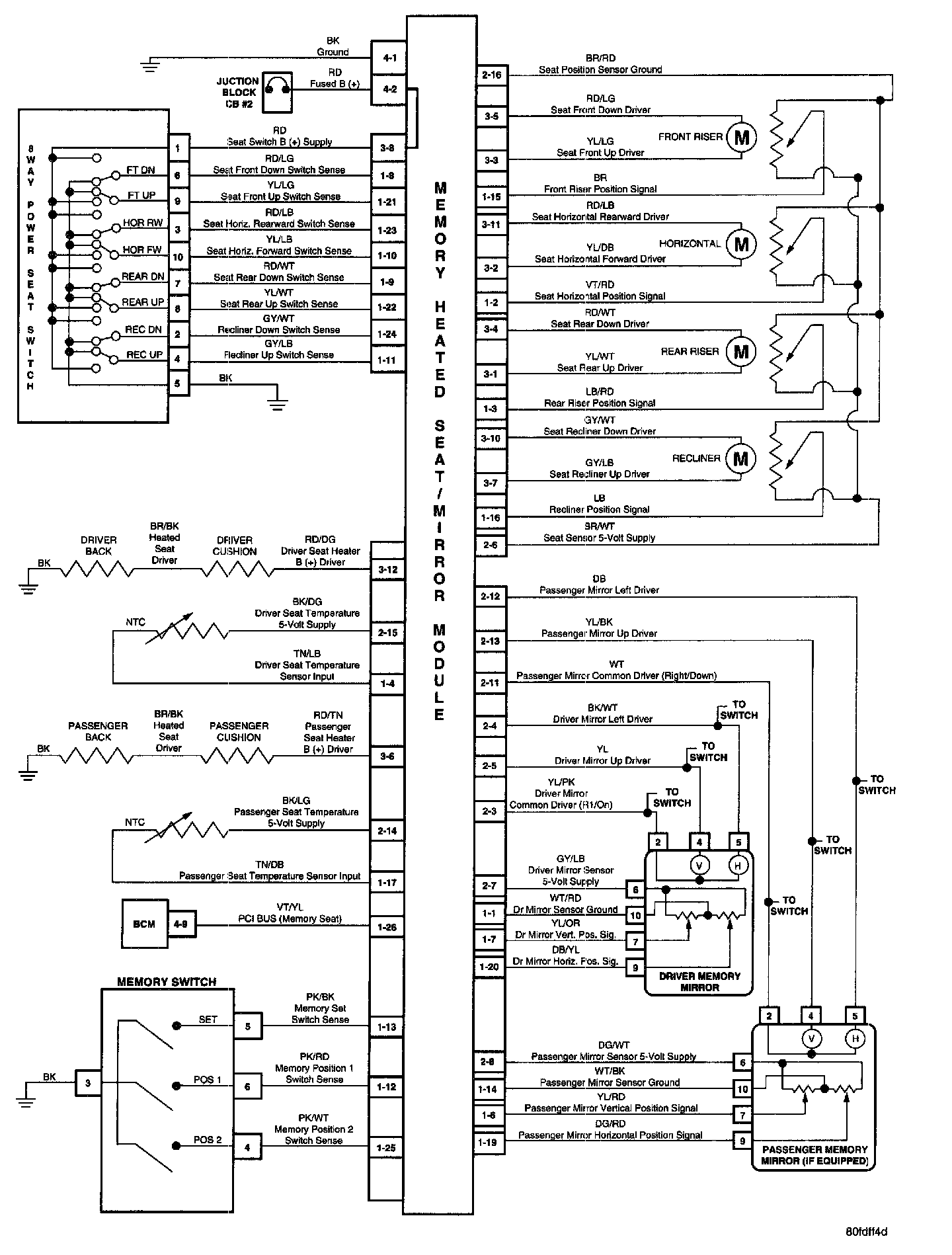
Memory System:




OTIS:




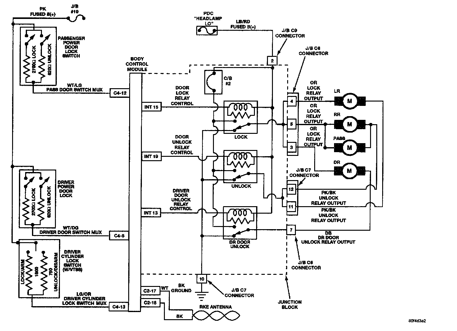
Door Locks:




Decklid Release:




Sentry Key Immobilizer:




Speed Proportional Steering:




Vehicle Theft Security System:




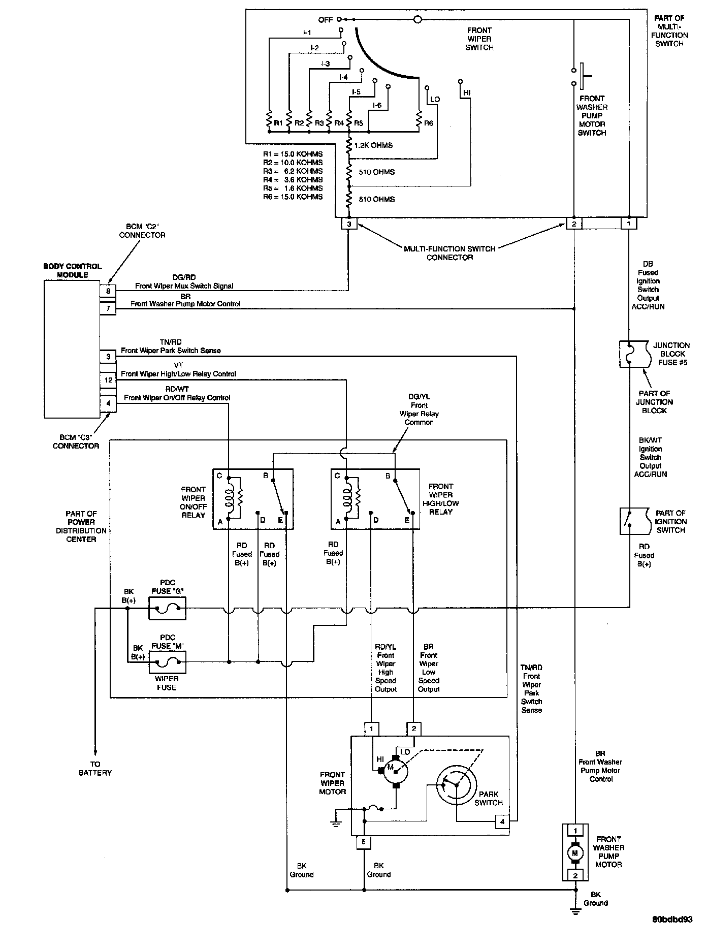
Wiper System: