Battery: Locations

Need a step-by-step guide?

Get an AI-powered repair guide with parts lists, cost estimates, and clear instructions for your 1999 Chrysler.

AI Repair Guides

Battery Location:





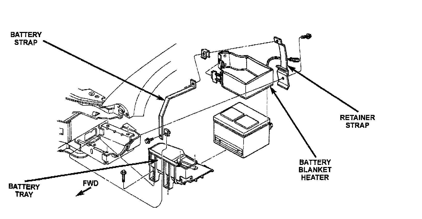
The battery is located in the fenderwell.

Auxiliary Jumper Terminal:





There is an auxiliary jumper terminal located on the left strut tower.