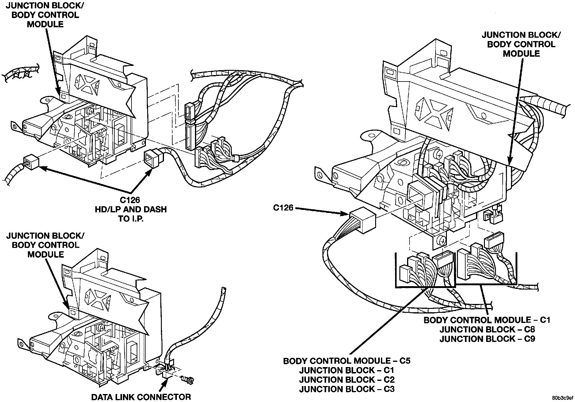
Figure 10

Need a step-by-step guide?

Get an AI-powered repair guide with parts lists, cost estimates, and clear instructions for your 1999 Chrysler.

AI Repair Guides

Junction Block Connections: