Wiring Diagrams

Need a step-by-step guide?

Get an AI-powered repair guide with parts lists, cost estimates, and clear instructions for your 1999 Chrysler.

AI Repair Guides

8w-45-2:




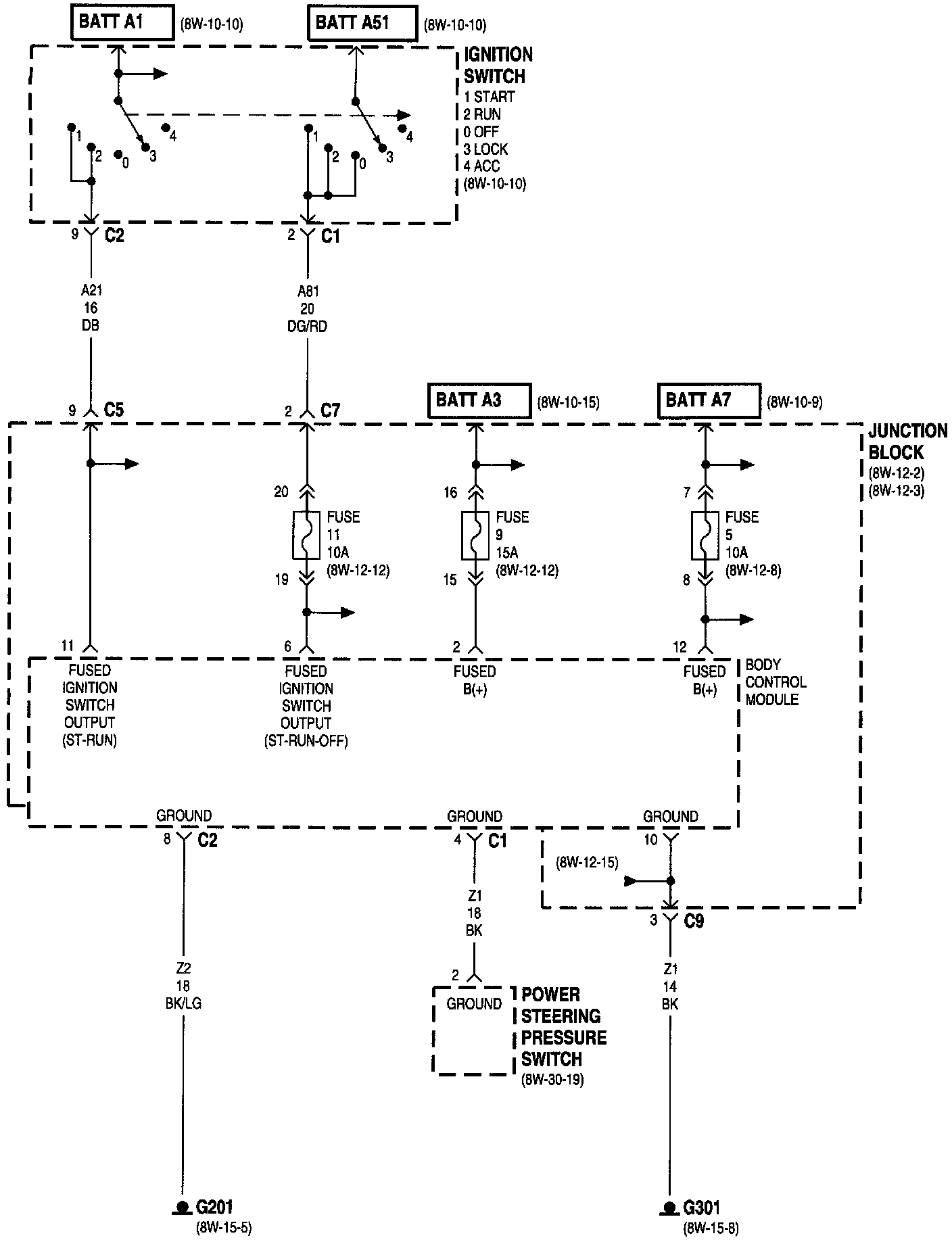
Fuse 5 (JB)
Fuse 9 (JB)
Fuse 11 (JB)
G201
G301
Ignition Switch
Junction Block
Power Steering Pressure Switch

8w-45-3:




Airbag Control Module
Controller Anti-Lock Brake
Data Link Connector
Instrument Cluster
Powertrain Control Module
Sentry Key Immobilizer Module
Transmission Control Module

8w-45-4:




Intermittent Wiper Relay
Power Distribution Center
Stop Lamp Switch
Windshield Washer Pump
Windshield Wiper Motor
Wiper High/Low Relay
Wiper Switch

8w-45-5:




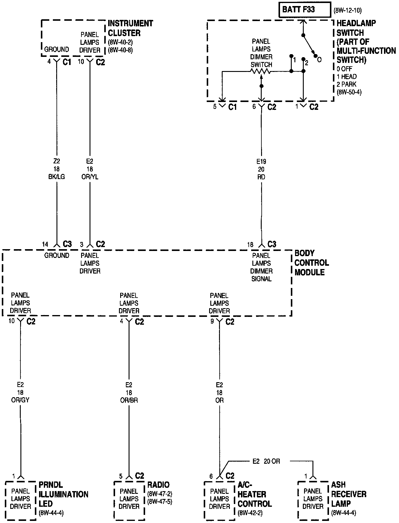
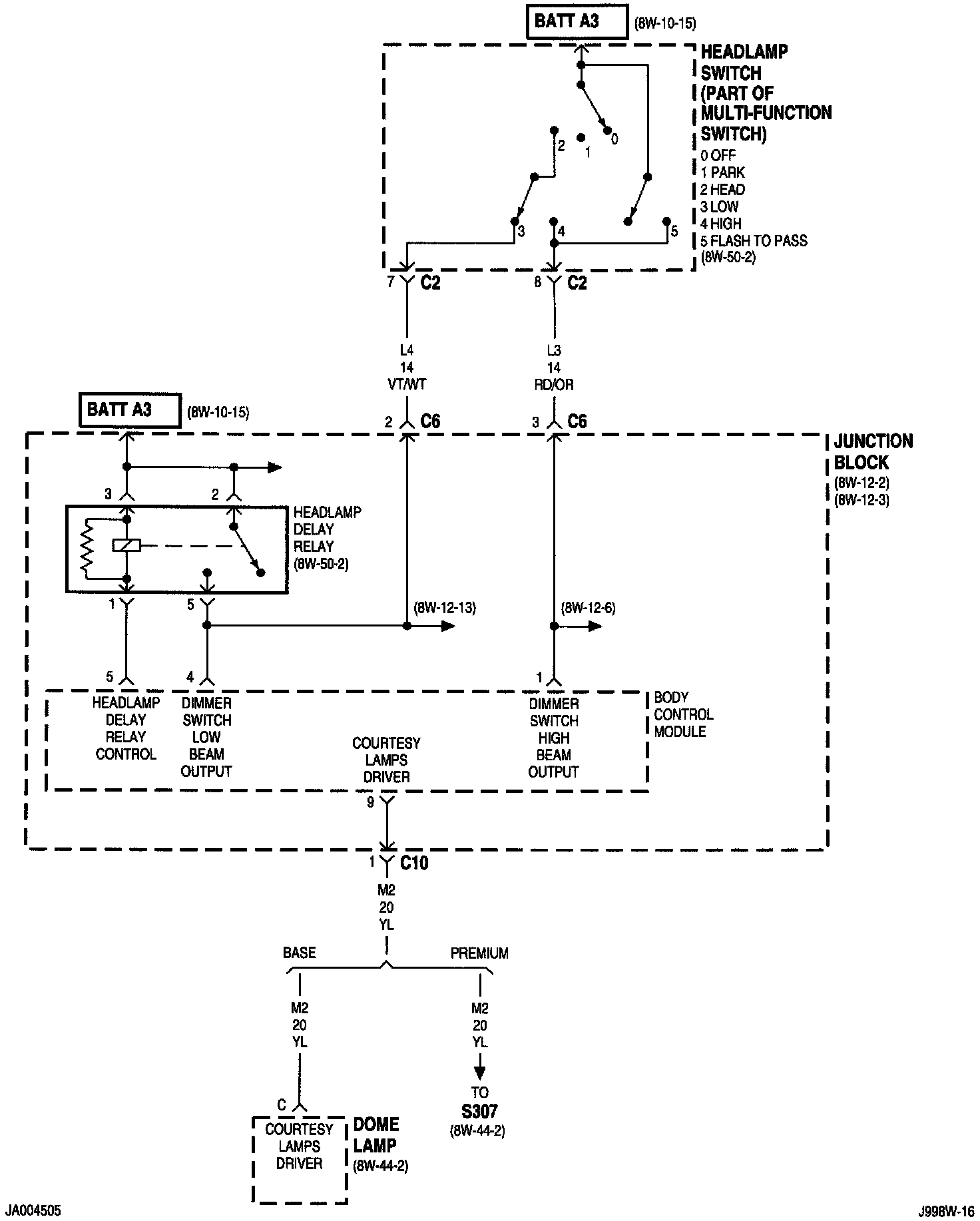
Dome Lamp
Headlamp Delay Relay
Headlamp Switch
Junction Block

8w-45-6:




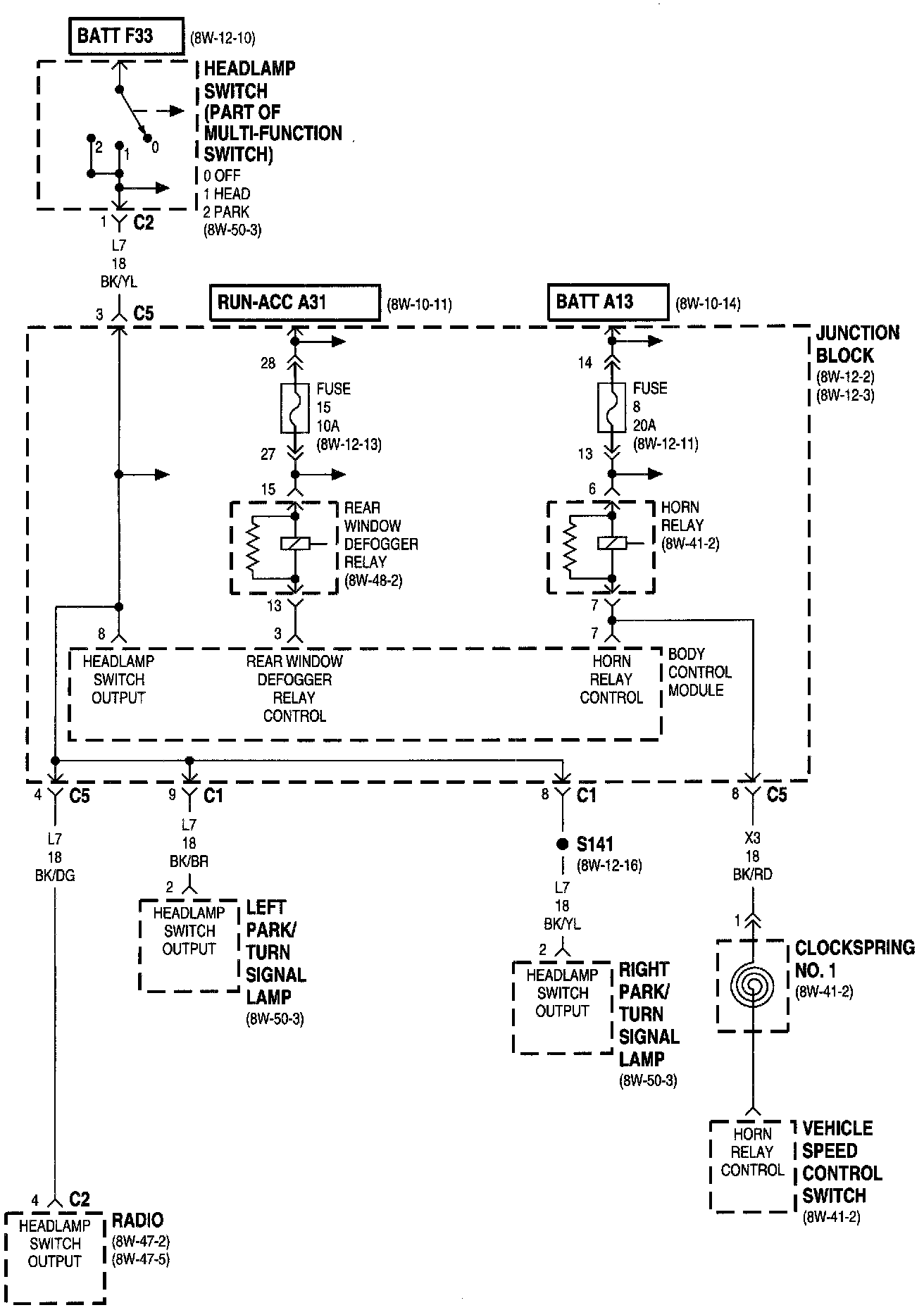
Clockspring
Fuse 8 (JB)
Fuse 15 (JB)
Headlamp Switch
Horn Relay
Junction Block
Left Horn Switch
Left Park
Radio
Rear Window Defogger Relay
Right Horn Switch
Right Park/Turn Signal Lamp
Vehicle Speed Control Switch

8w-45-7:




A/C-Heater Control
Ash Receiver Lamp
Headlamp Switch
Instrument Cluster
PRNDL Illumination LED
Radio

8w-45-8:




A/C Evaporator Temperature Sensor
A/C-Heater Control
Mode Door Actuator

8w-45-9:




Clockspring
Fuel Pump Module
G301
Junction Block
Left Remote Keyless Entry Antenna
Right Remote Keyless Entry Antenna
Vehicle Speed Control Switch

8w-45-10:




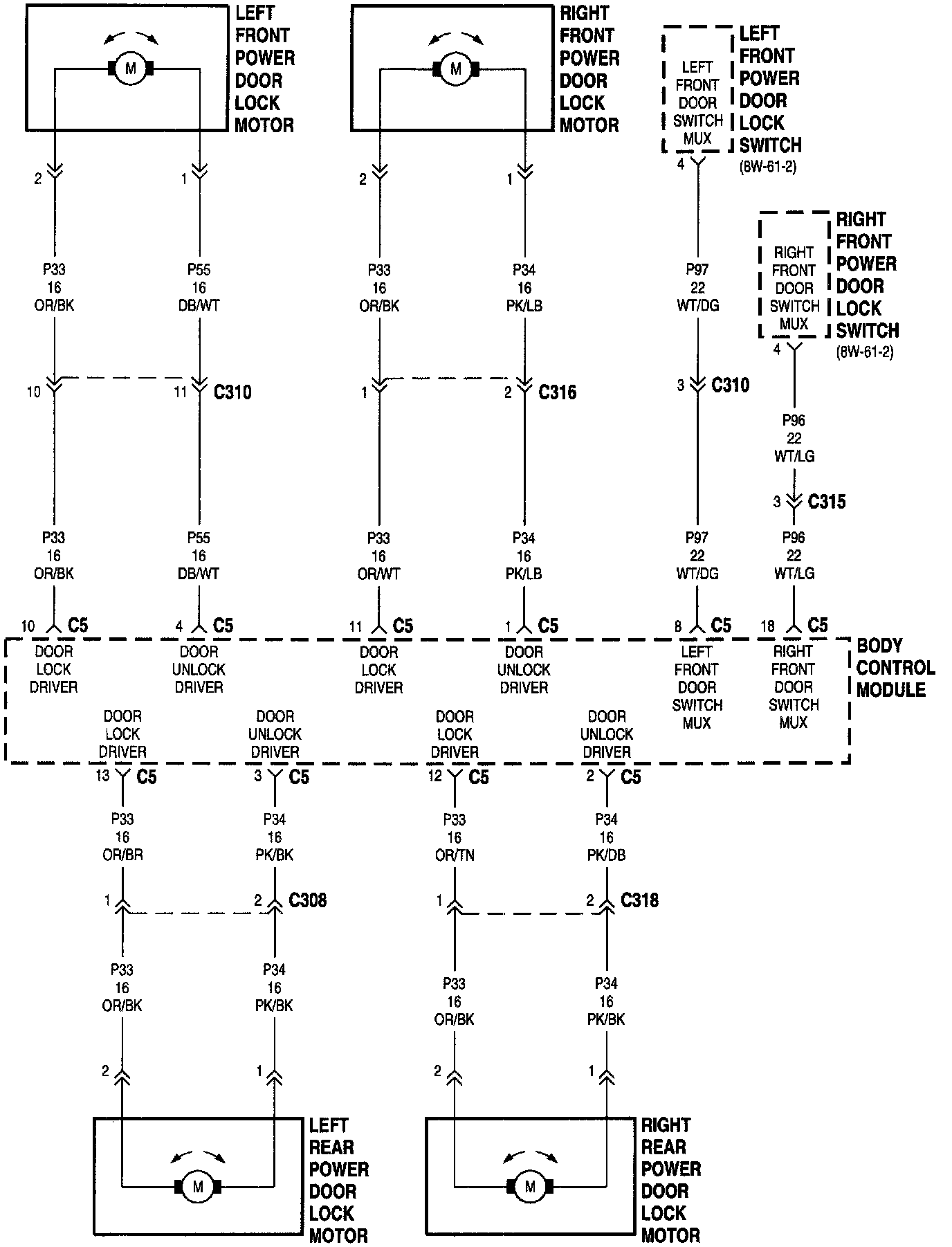
Right Front Power Door Lock Motor
Right Front Power Door Lock Switch
Left Rear Power Door Lock Motor
Left Front Power Door Lock Motor
Left Front Power Door Lock Switch

8w-45-11:




Instrument Cluster
Left Cylinder Lock Switch
Left Front Door Ajar Switch
Left Rear Door Ajar Switch
Right Cylinder Lock Switch
Right Front Door Ajar Switch
Right Rear Door Ajar Switch
Seat Belt Switch
Trunk Key Cylinder Switch


NOTE: To view sheets referred to in these diagrams, see Complete Body and Chassis Diagrams Diagrams By Group Number.