Cruise Control: Service and Repair

Need a step-by-step guide?

Get an AI-powered repair guide with parts lists, cost estimates, and clear instructions for your 1999 Chrysler.

AI Repair Guides

Speed Control System:






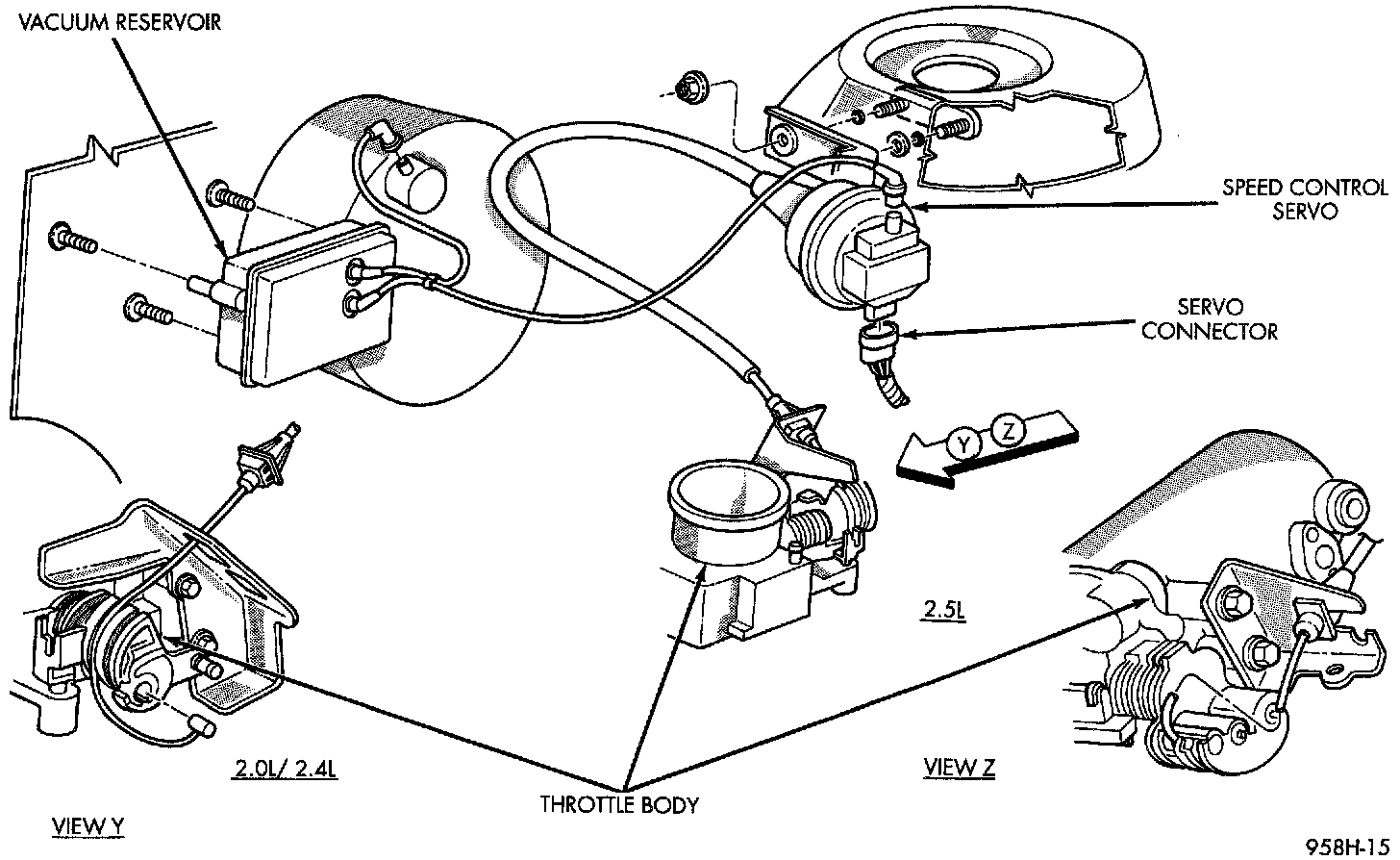
REMOVAL
1. Remove two nuts attaching speed control cable and mounting bracket to servo.
2. Remove servo from the mounting bracket.
3. Disconnect electrical connectors and vacuum hose.
4. Remove cable from throttle cam. Refer to Speed Control Servo Cable Replacement.
5. Remove clip attaching cable to servo.

INSTALLATION
1. Install servo cable to servo and install clip.
2. Install speed control cable to throttle cam.
3. Connect vacuum hose to servo.
4. Connect electrical connector.
5. Insert servo studs through holes in speed control cable and mounting bracket.
6. Install nuts, tighten to 7 N.m (60 in. lbs.).