System Wiring Diagram

Need a step-by-step guide?

Get an AI-powered repair guide with parts lists, cost estimates, and clear instructions for your 1999 Chrysler.

AI Repair Guides

8w-31-2:




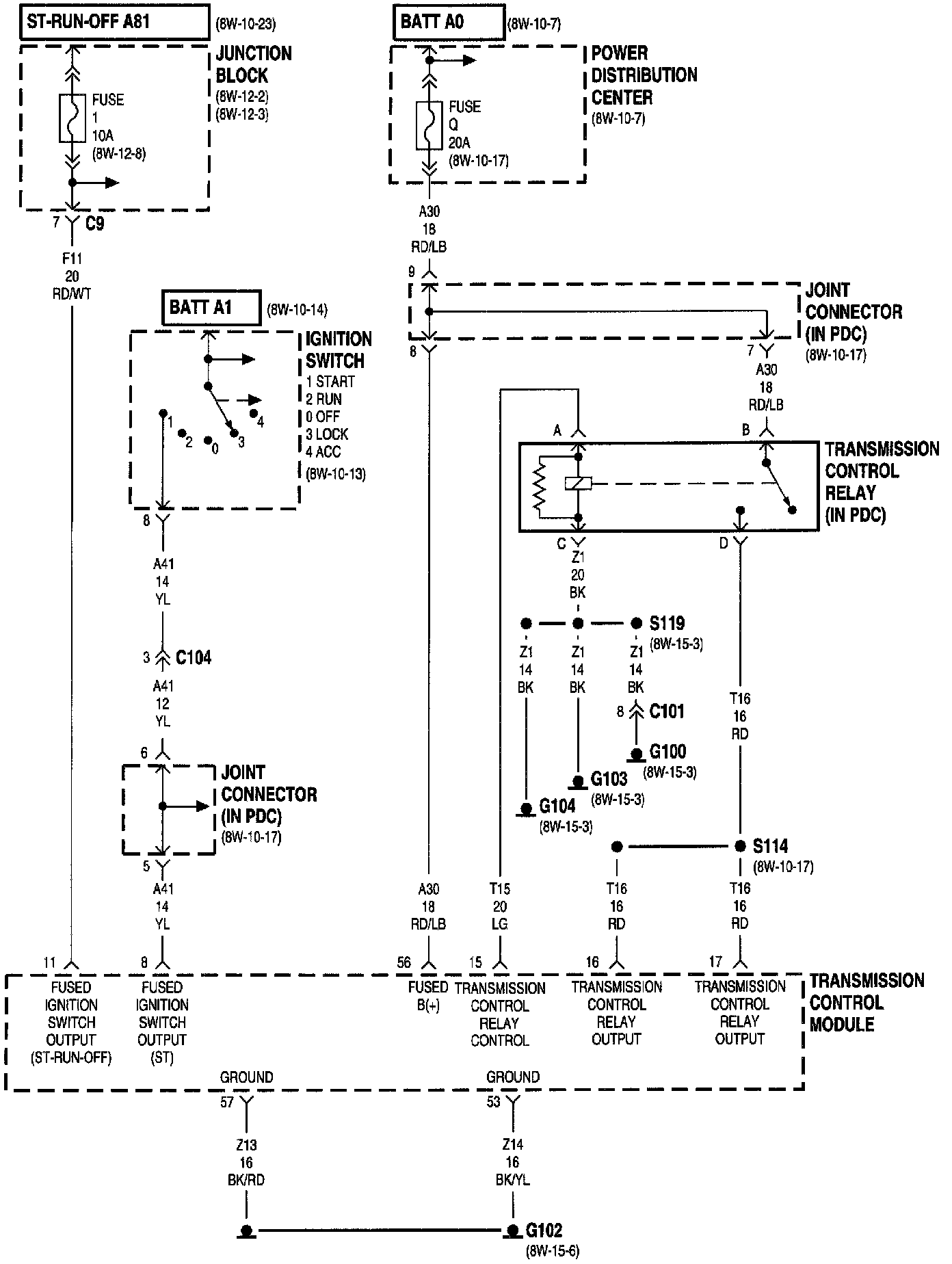
Fuse 1 (JB)
Fuse Q (PDC)
G100
G102
G103
G104
Ignition Switch
Joint Connector
Junction Block
Power Distribution Center
Transmission Control Module
Transmission Control Relay

8w-31-3:




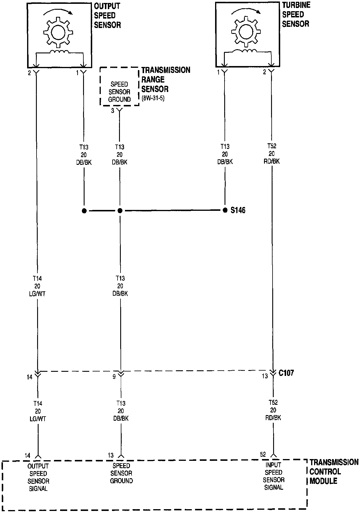
Output Speed Sensor
Transmission Control Module
Transmission Range Sensor
Turbine Speed Sensor

8w-31-4:




Powertrain Control Module
Throttle Position Sensor
Transmission Control Module

8w-31-5:




Automatic Day/Night Mirror
Fuse 17 (JB)
Junction Block
Powertrain Control Module
Transmission Control Module
Transmission Range Sensor

8w-31-6:




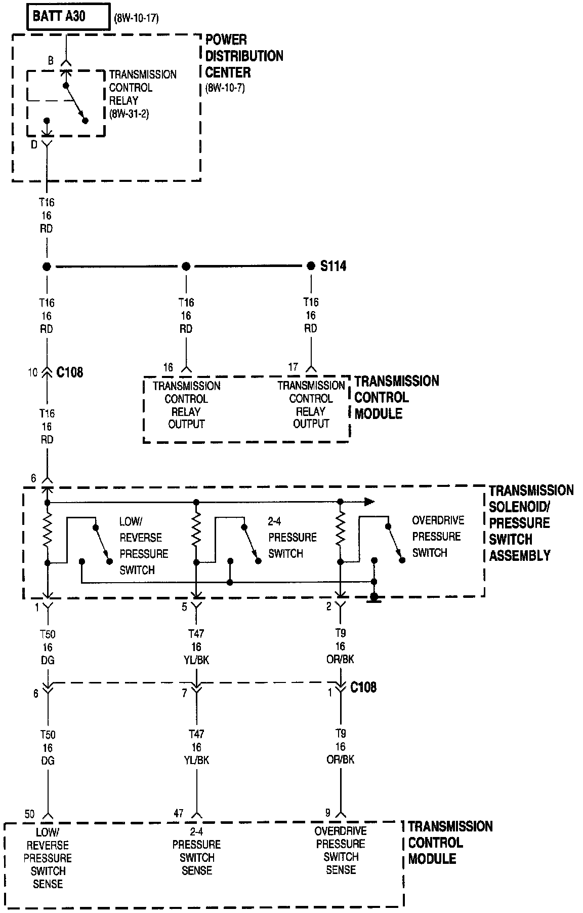
Low/Reverse Pressure Switch
Overdrive Pressure Switch
Power Distribution Center
Transmission Control Module
Transmission Control Relay
Transmission Solenoid/Pressure Switch Assembly

8w-31-7:




Low/Reverse Solenoid
Overdrive Solenoid
Power Distribution Center
Transmission Control Module
Transmission Control Relay
Transmission Solenoid/Pressure Switch Assembly
Underdrive Solenoid

8w-31-8:




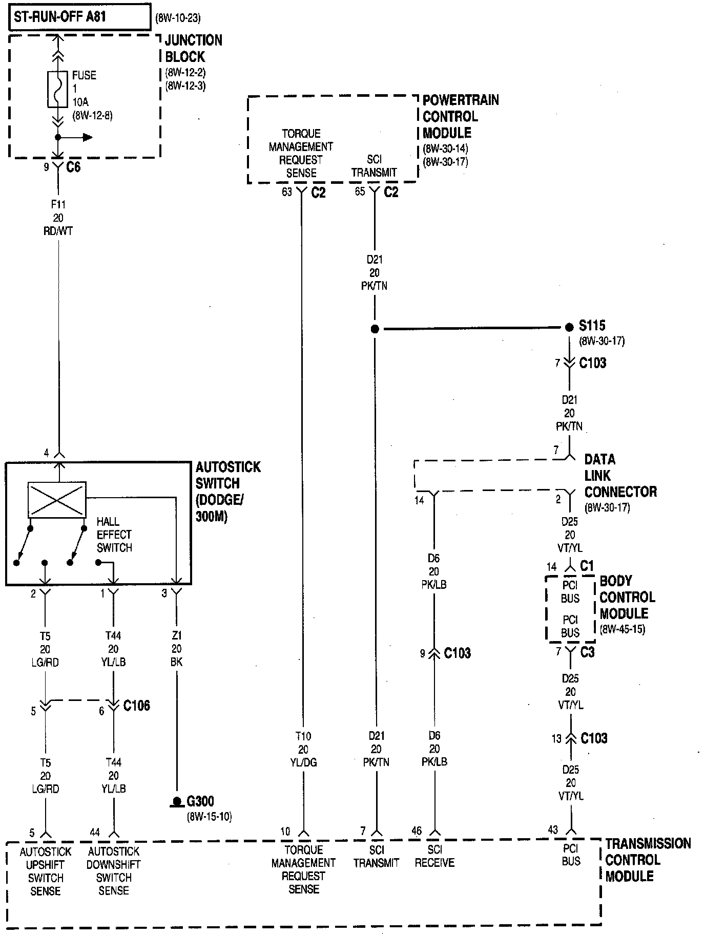
Autostick Switch
Body Control Module
Data Link Connector
Fuse 1 (JB)
G3OO
Junction Block
Powertrain Control Module
Transmission Control Module


NOTE: To view sheets referred to in these diagrams, see Complete Body and Chassis Diagrams Diagrams By Group Number.