Wiring Diagrams

Need a step-by-step guide?

Get an AI-powered repair guide with parts lists, cost estimates, and clear instructions for your 1999 Chrysler.

AI Repair Guides

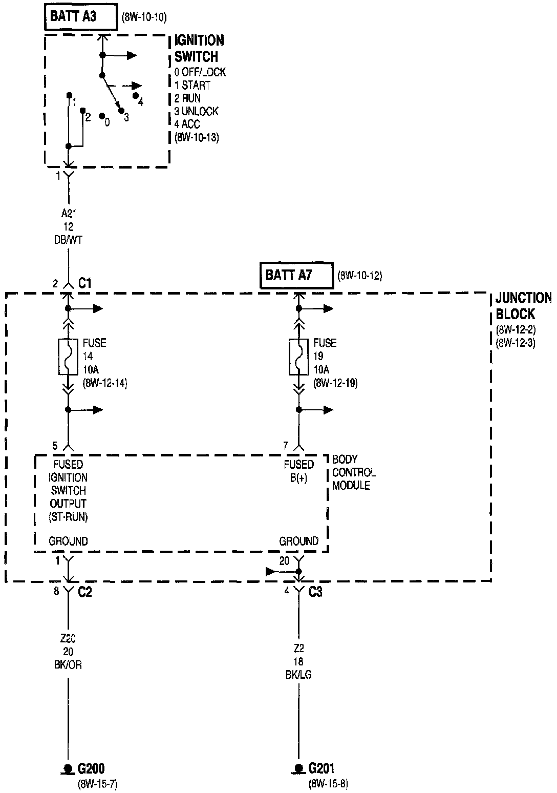
8w-45-2:




Body Control Module
Fuse 14 (JB)
Fuse 19 (JB)
G200
G201
Ignition Switch
Junction Block

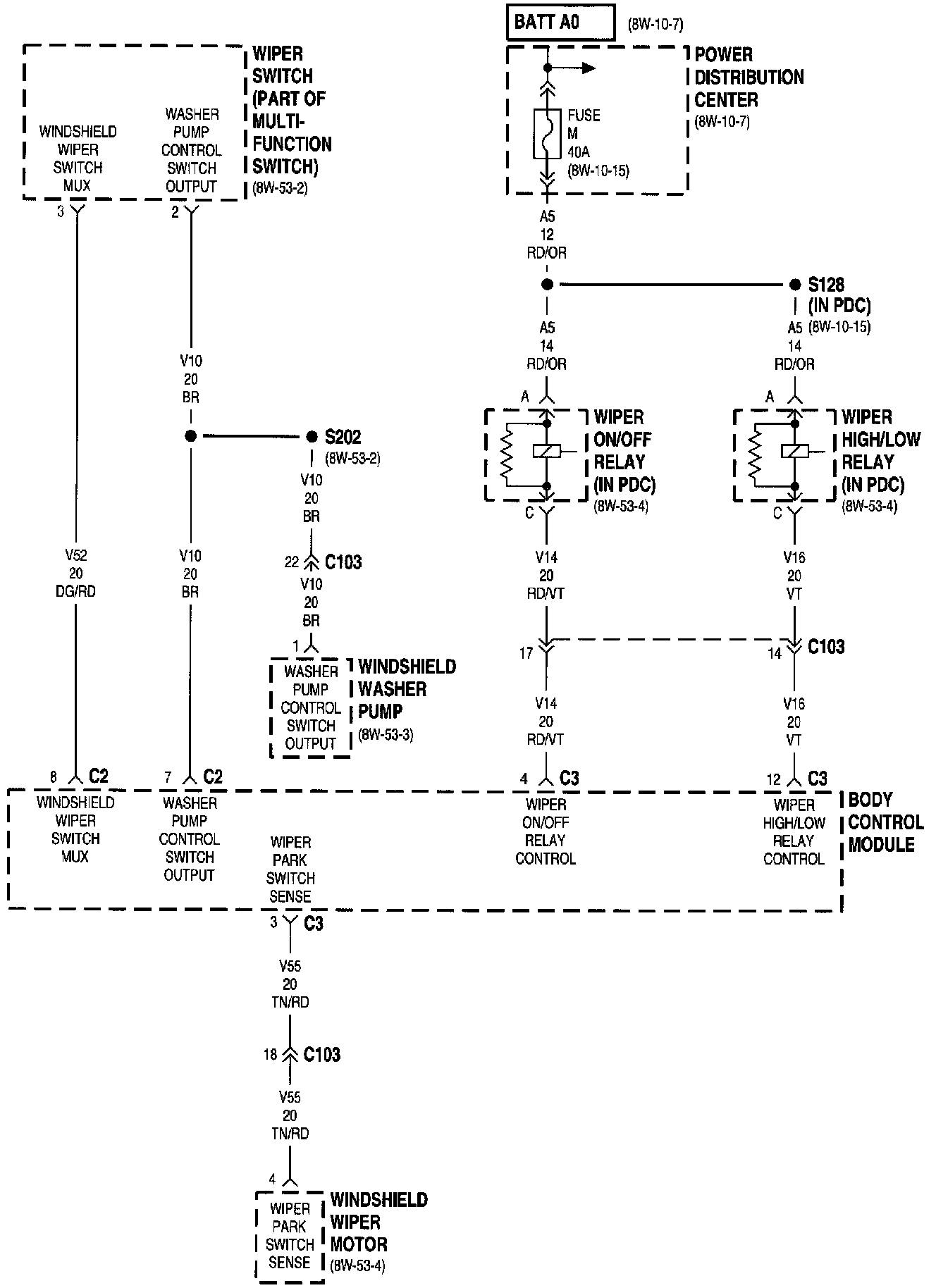
8w-45-3:




Body Control Module
Fuse M (PDC)
Power Distribution Center
Windshield Washer Pump
Windshield Wiper Motor
Wiper High/Low Relay
Wiper On/Off Relay
Wiper Switch

8w-45-4:




Body Control Module
Driver Door Courtesy Lamp
Junction Block
Left Rear Door Courtesy Lamp
Left Rear Reading Lamp
Left Rear Reading Lamp Switch
Overhead Map/Courtesy Lamp
Passenger Door Courtesy Lamp
Right Rear Door Courtesy Lamp
Right Rear Reading Lamp
Right Rear Reading Lamp Switch

8w-45-5:




Body Control Module
Driver Door Cylinder Lock Switch
Headlamp Switch
Passenger Door Cylinder Lock Switch

8w-45-6:




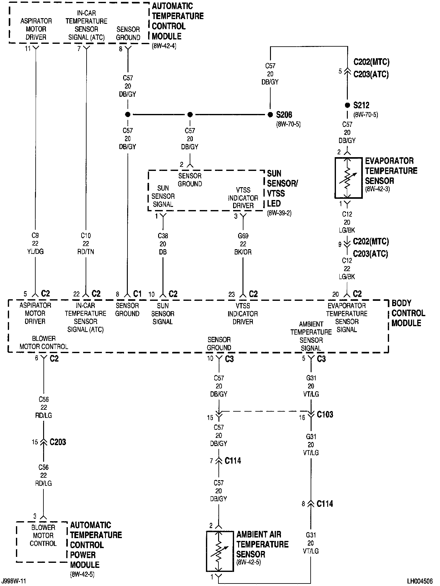
Ambient Air Temperature Sensor
Automatic Temperature Control Module
Automatic Temperature Control Power Module
Body Control Module
Evaporator Temperature Sensor
Sun Sensor/VTSS LED

8w-45-7:




Body Control Module
Mode Door Actuator

8w-45-8:




Blend Door Actuator
Body Control Module
Recirculation Door Actuator

8w-45-9:




Body Control Module
Decklid Security Switch
Driver Power Door Lock Switch
Headlamp Switch
Ignition Switch
Passenger Power Door Lock Switch
Seat Belt Switch

8w-45-10:




Body Control Module
Driver Door Lock Motor/Ajar Switch
Fuel Pump Module
Left Rear Door Lock Motor/Ajar Switch
Passenger Door Lock Motor/Ajar Switch
Remote Keyless Entry Module
Right Rear Door Lock Motor/Ajar Switch

8w-45-11:




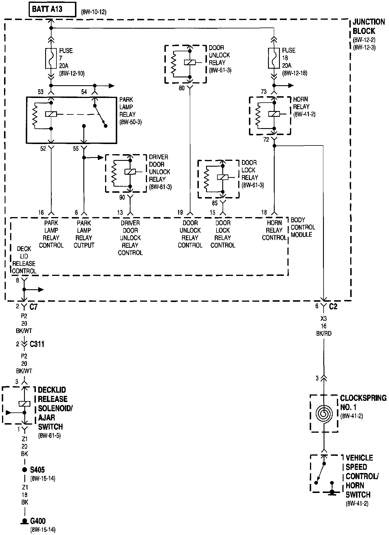
Body Control Module
Clockspring No. 1
Decklid Release Solenoid/Ajar Switch
Door Lock Relay
Door Unlock Relay
Driver Door Unlock Relay
Fuse 7 (JB)
Fuse 18 (JB)
G400
Horn Relay
Junction Block
Park Lamp Relay
Vehicle Speed Control/Horn Switch

8w-45-12:




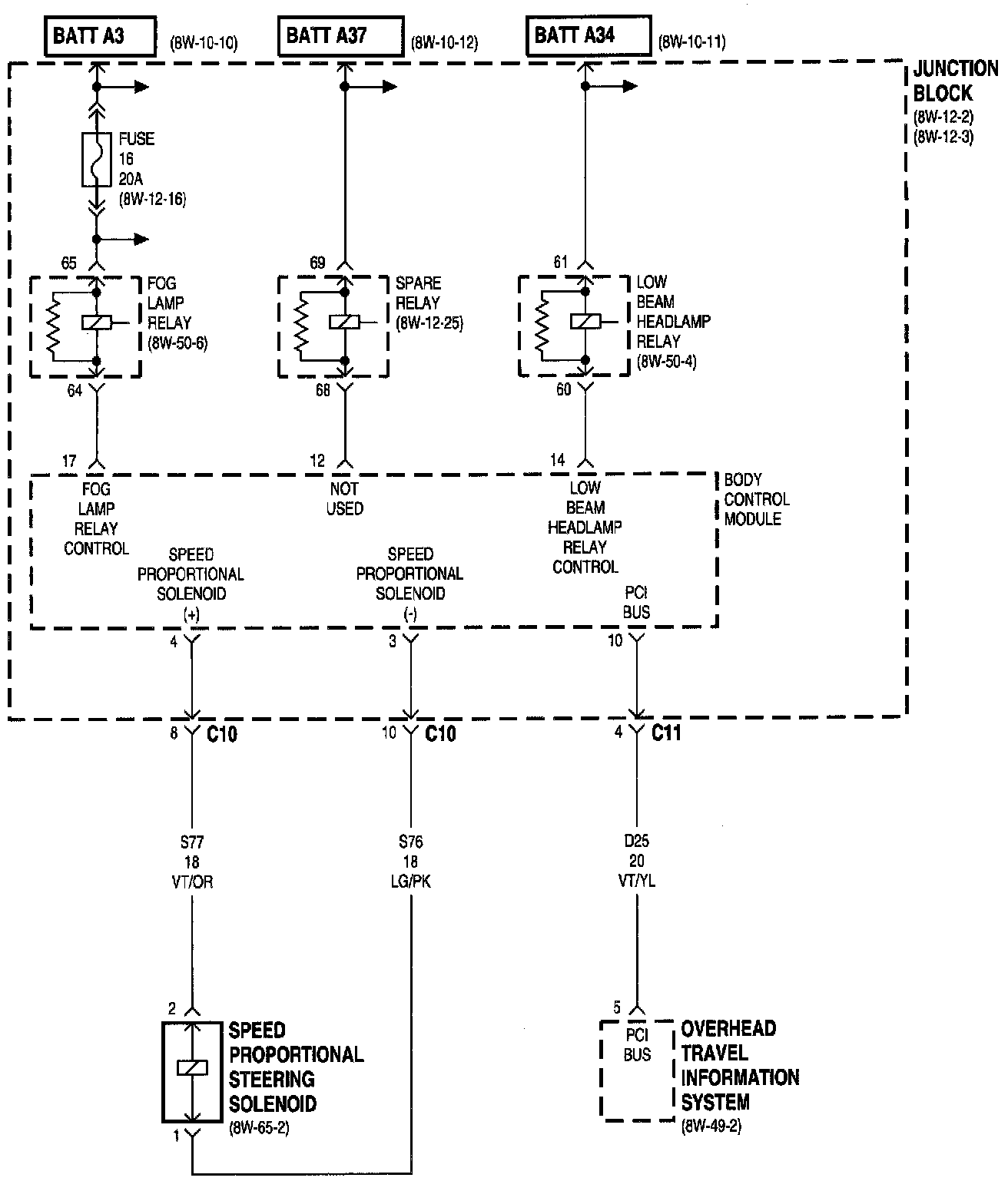
Body Control Module
Fog Lamp Relay
Fuse 16 (JB)
Junction Block
Low Beam Headlamp Relay
Overhead Travel Information System
Spare Relay
Speed Proportional Steering Solenoid

8w-45-13:




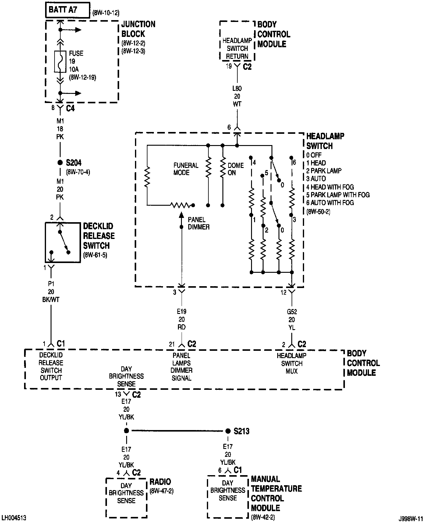
Body Control Module
Decklid Release Switch
Fuse 19 (JB)
Headlamp Switch
Junction Block
Manual Temperature Control Module
Radio

8w-45-14:




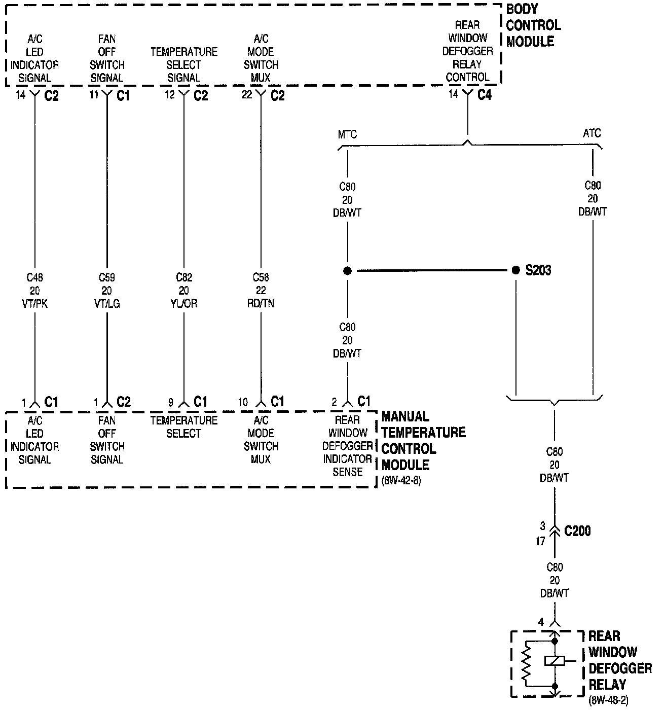
Body Control Module
Manual Temperature Control Module
Rear Window Defogger Relay

8w-45-15:




Airbag Control Module
Automatic Temperature Control Module
Body Control Module
Controller Antilock Brake
Data Link Connector
Instrument Cluster
Memory Heated Seat Mirror Module
Powertrain Control Module
Radio
Sentry Key Immobilizer Module
Transmission Control Module


NOTE: To view sheets referred to in these diagrams, see Complete Body and Chassis Diagrams Diagrams By Group Number.