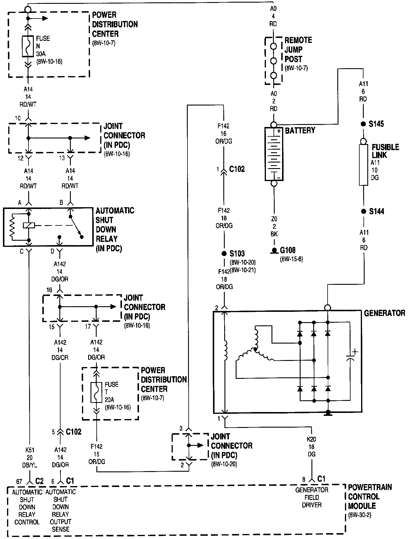
Charging System

Need a step-by-step guide?

Get an AI-powered repair guide with parts lists, cost estimates, and clear instructions for your 1999 Chrysler.

AI Repair Guides

8w-20-2:






NOTE: To view sheets referred to in these diagrams, see Complete Body and Chassis Diagrams Diagrams By Group Number.