Engine Control Module Replacement
Caution:
* Turn the ignition OFF when installing or removing the control module connectors and disconnecting or reconnecting the power to the control module (battery cable, powertrain control module (PCM)/engine control module (ECM)/transaxle control module (TCM) pigtail, control module fuse, jumper cables, etc.) in order to prevent internal control module damage.
* Control module damage may result when the metal case contacts battery voltage. DO NOT contact the control module metal case with battery voltage when servicing a control module, using battery booster cables, or when charging the vehicle battery.
* In order to prevent any possible electrostatic discharge damage to the control module, do no touch the connector pins or the soldered components on the circuit board.
* Remove any debris from around the control module connector surfaces before servicing the control module. Inspect the control module connector gaskets when diagnosing or replacing the control module. Ensure that the gaskets are installed correctly. The gaskets prevent contaminant intrusion into the control module.
* The replacement control module must be programmed.
Note: Before removing the engine control module (ECM), use the scan tool to capture the ECM data. This captured data will then need to be restored into the NEW ECM. Refer to Control Module References Control Module References.
Removal Procedure
1. Turn the ignition OFF.
2. Using a scan tool, retrieve the percentage of remaining engine oil and the remaining automatic transmission fluid life. Record the remaining engine oil and the remaining automatic transmission fluid life.
3. Disconnect the negative battery cable. Refer to Battery Negative Cable Disconnection and Connection Battery Negative Cable Disconnection and Connection.
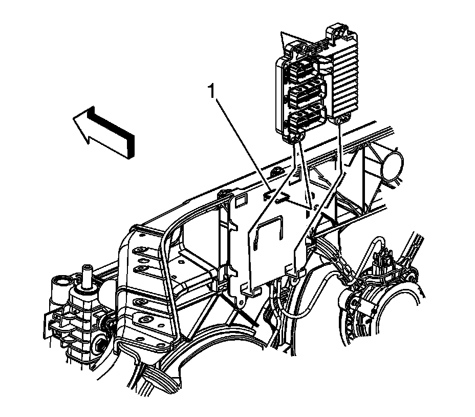
4. Disconnect the engine wiring harness middle and lower electrical connectors (1) from the ECM.
5. If also replacing the ECM bracket, remove the engine wiring harness clip (2) from the ECM bracket tab.
6. Disconnect the engine wiring harness upper electrical connector (1) from the ECM.
Caution:
In order to prevent any possible electrostatic discharge damage to the ECM, do not touch the connector pins.
7. Gently lift up the retaining tab (1) and lift the ECM up and out of the support brackets on the ECM bracket.
8. If necessary, remove the ECM bracket bolts (1) and bracket.
Installation Procedure
Caution: Refer to Fastener Caution Fastener Caution.
1. If necessary, position the ECM bracket and install the bolts (1).
Tighten the bolts to 6 Nm (53 lb in).
2. Install the ECM onto the ECM bracket support tabs and snap the ECM into place under the retaining tab (1).
3. Connect the engine wiring harness upper electrical connector (1) to the ECM.
4. If the ECM bracket was also replaced, install the engine wiring harness clip (2) to the ECM bracket tab.
5. Connect the engine wiring harness middle and lower electrical connectors (1) to the ECM.
6. Connect the negative battery cable. Refer to Battery Negative Cable Disconnection and Connection Battery Negative Cable Disconnection and Connection.
7. If a NEW ECM was installed, reprogram the ECM. Refer to Engine Control Module Programming and Setup Testing and Inspection.