Input Carrier Assembly

Need a step-by-step guide?

Get an AI-powered repair guide with parts lists, cost estimates, and clear instructions for your 2009 Chevrolet.

AI Repair Guides



Disassembled Views

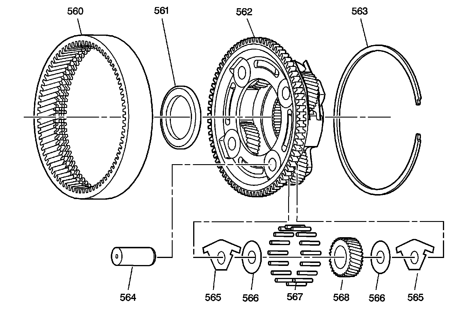
Input Carrier Assembly




560 - Internal Gear (Input and Reaction)
561 - Thrust Bearing
562 - Input Carrier
563 - Snap Ring (Input Carrier to Internal Gear)
564 - Planetary Pinion Gear Pin
565 - Pinion Thrust Input Washer
565 - Pinion Thrust Input Washer
566 - Pinion Thrust Inner Washer
566 - Pinion Thrust Inner Washer
567 - Roller Needle Bearing
568 - Input Planetary Pinion Gear