Electrical Diagrams

Need a step-by-step guide?

Get an AI-powered repair guide with parts lists, cost estimates, and clear instructions for your 2008 Chevrolet.

AI Repair Guides


Power Moding Schematics

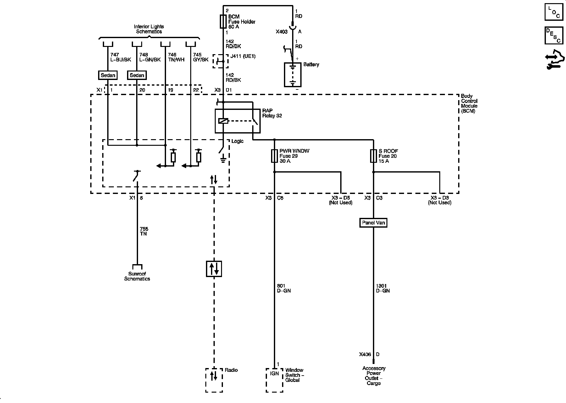
Retained Accessory Power (RAP)