Engine Control Module: Locations

Need a step-by-step guide?

Get an AI-powered repair guide with parts lists, cost estimates, and clear instructions for your 2007 Chevrolet.

AI Repair Guides


Engine Controls Component Views

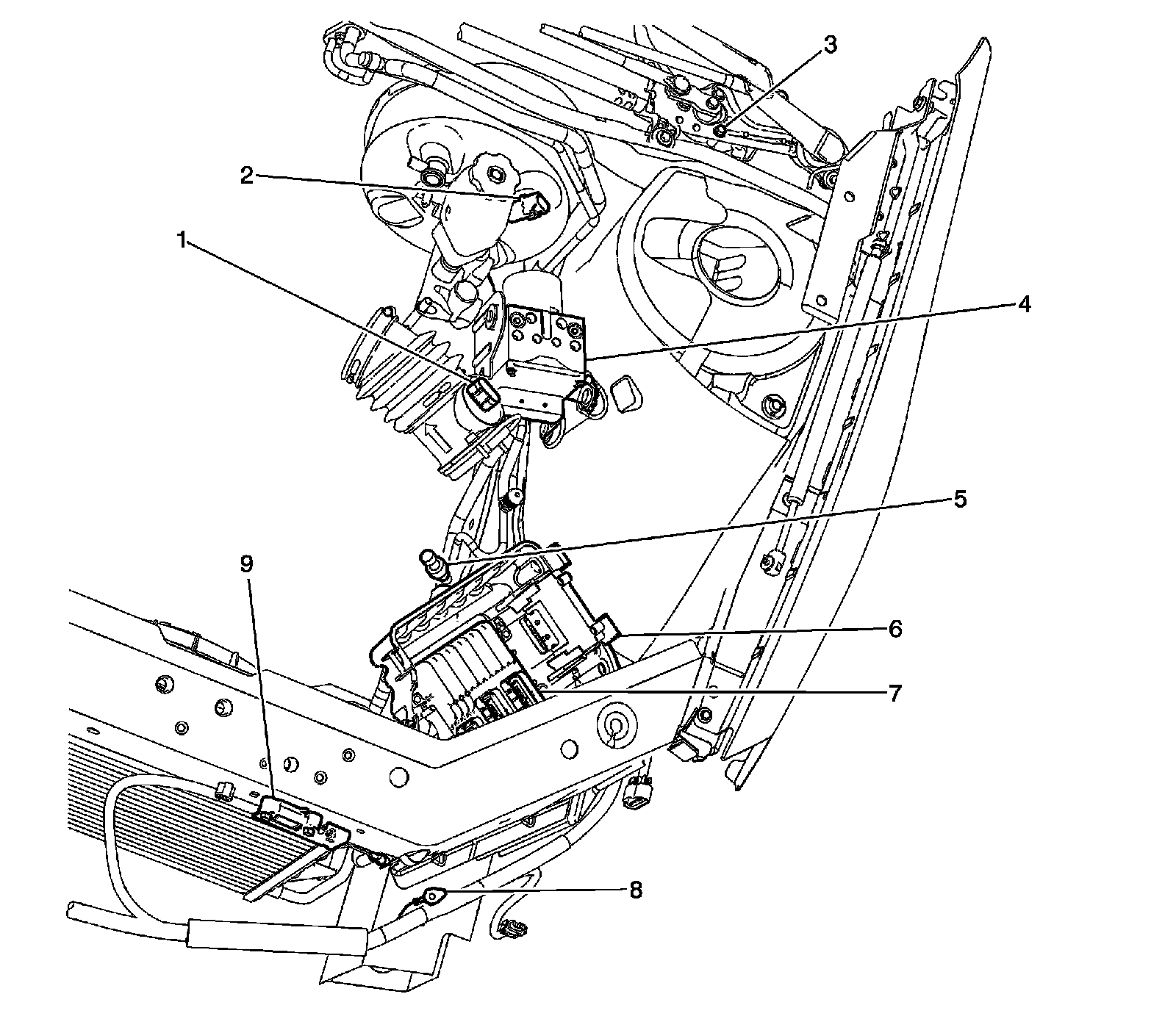
LF of the Engine Compartment

LF of the Engine Compartment:




1 - Mass Air Flow (MAF)/Intake Air Temperature (IAT) Sensor
2 - Brake Booster Vacuum Sensor (LS4)
3 - Windshield Wiper Motor
4 - Electronic Brake Control Module (EBCM)
5 - A/C Refrigerant Pressure Sensor
6 - Transmission Control Module (TCM)
7 - Engine Control Module (ECM)
8 - G101
9 - Inflatable Restraint Front End Sensor - Left