Electrical Diagrams

Need a step-by-step guide?

Get an AI-powered repair guide with parts lists, cost estimates, and clear instructions for your 2006 Chevrolet.

AI Repair Guides


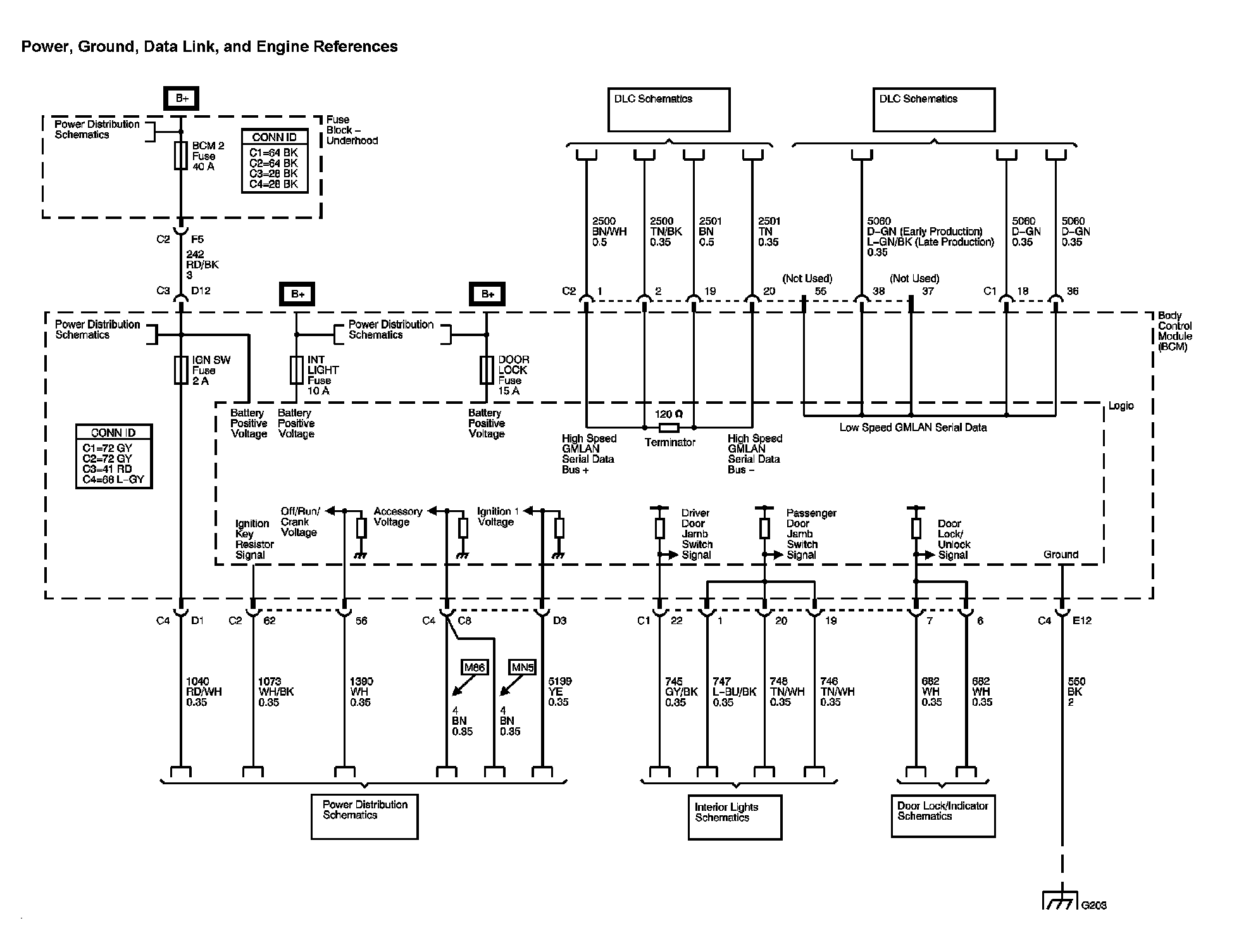
Body Control System Diagram 1:




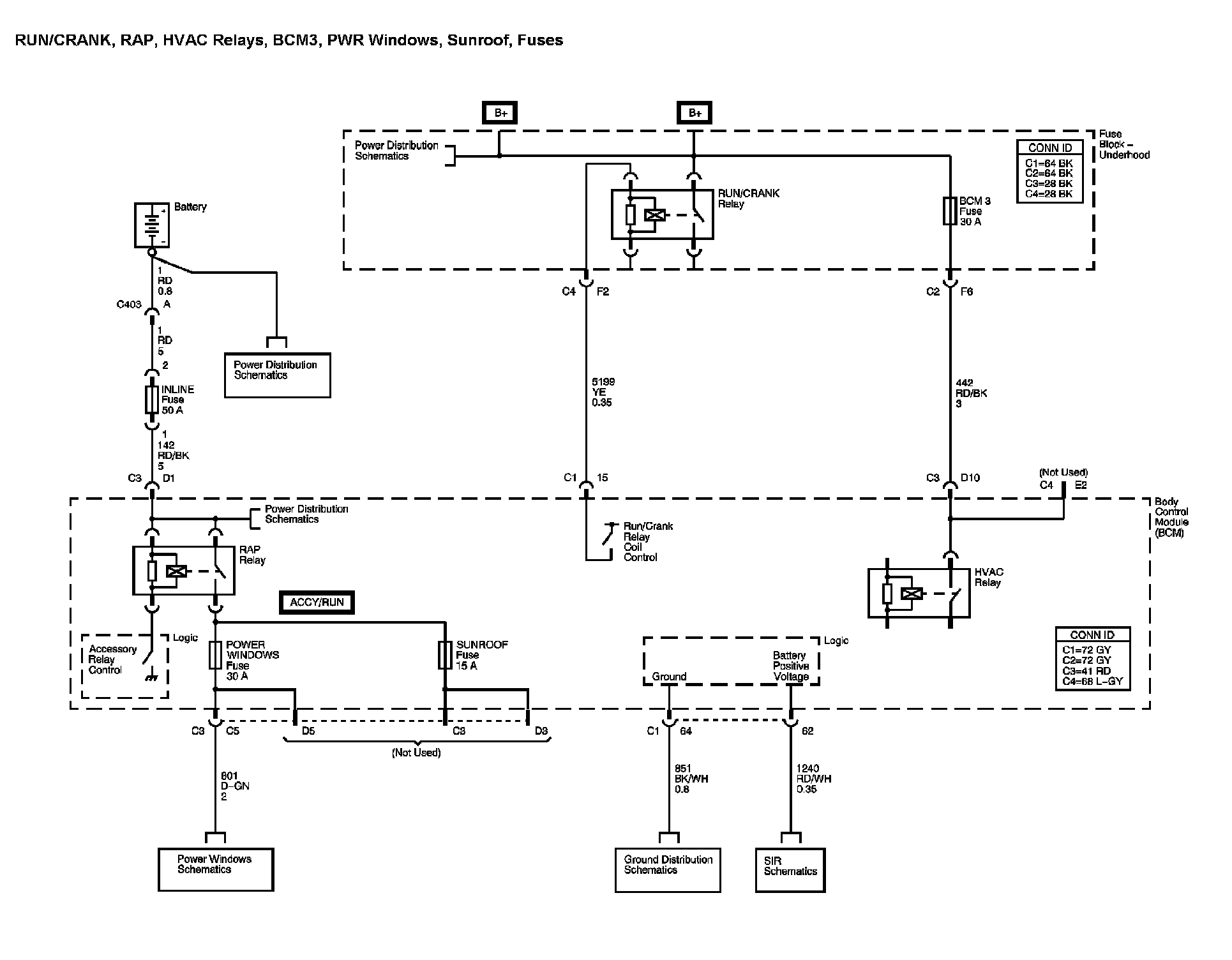
Body Control System Diagram 2:




Body Control System Diagram 3:




Body Control System Diagram 4:




Body Control System Diagram 5:






Location: The locations for the Connectors, Grounds, Splices, and Grommets shown within these diagrams can be found via their numbers at Vehicle Locations. Locations