Control Solenoid Valve and Transmission Control Module Assembly Inspection

Need a step-by-step guide?

Get an AI-powered repair guide with parts lists, cost estimates, and clear instructions for your 2013 Cadillac.

AI Repair Guides




Control Solenoid Valve and Transmission Control Module Assembly Inspection

During transmission manufacturing and assembly, small pieces of material may become dislodged. This may also happen after the transmission has been in operation for a period of time. Because the transmission control solenoid valve assembly is continually immersed in transmission oil, material particles or slivers of metallic debris may become deposited on the control solenoid valve assembly. Often this material is very small and can be hard to see. For this reason, it is important that the control solenoid valve assembly be thoroughly inspected.

A thorough inspection of the control solenoid valve assembly should include the following:

* Clean inspection area - Like all transmission service work, cleanliness is very important. Be sure the area where you are inspecting is free of dust and dirt. Have non-glossy white or lightly colored paper down on the inspection surface. This will enhance the lighting and help to see particles that have come from the control solenoid valve assembly.

* Lighting - Good lighting is necessary for a thorough inspection. If shop lighting is limited, use natural light. A second source of lighting, such as a penlight, is helpful for close examination. A magnifying glass can also be helpful to see into difficult places.

* Cleaning - Clean shop air may be used for spot cleaning as long as the debris can be removed with out it becoming lodged somewhere else. It is best to rinse or flush particles away with GM Brake Parts Cleaner. Do not use a cloth rag to wipe the control solenoid valve assembly, as it could leave lint behind.

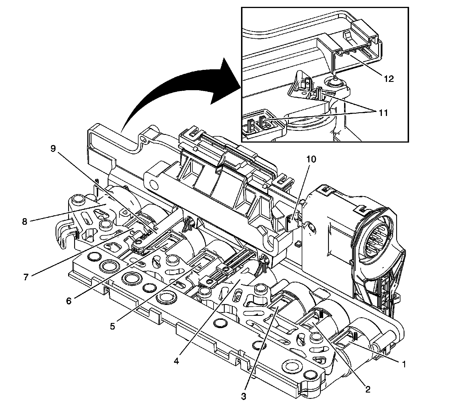
Control Solenoid Valve Assembly Housing and Filter Plate





Note:
At the end of the inspection process where debris is found, it is required the transmission fluid and filter be replaced. Any time the control solenoid valve assembly has been removed, it is mandatory the filter plate assembly (3) be replaced.

1. Inspect the control solenoid valve assembly housing (1) for damage, cracks, or parting seam (4) separation. Inspect all housing lock tabs (2). Any defect will need to be evaluated for critical operation. Ensure all screws along the control solenoid valve assembly housing are present. Remove and closely examine the filter plate assembly (3) for sediment or debris attached to the screen. If sediment or debris is found on the filter screen, be sure to inspect the solenoid supply or control ports that correspond to location of the debris on the filter plate screen. Inspect the filter plate gasket for proper sealing. If poor sealing is found, be sure to inspect the affected solenoid fluid port entrance and exit for sediment or debris deposits. Thoroughly flush the solenoid cavity with GM Brake Parts Cleaner and replace the filter plate assembly (3). It is not necessary to remove all clutch plate soot from the entire surface of the control solenoid valve assembly housing. Inspect the control solenoid valve assembly filter plate retaining tabs (7). Broken or missing tabs do not require the control solenoid valve assembly be replaced. The filter plate can still be adequately aligned using the bolt hole sleeves. Early design control solenoid valve assembly use four filter plate retaining tabs (7).

2. Examine the 16-way connector (5) cavity for material that could make contact between the electrical pins. Also, look for bent or loose connector pins and ensure the connector lock (6) is functioning and is in good condition.

Control Solenoid Valve Assembly Inspection - Solenoids, Sensors, and Contacts





1 - Pressure Control Solenoid 3 (PCS3)

2 - Pressure Control Solenoid 4 (PCS4)

3 - Pressure Control Solenoid 2 (PCS2)

4 - Shift Solenoid 2 (SS2)

5 - Torque Converter Clutch (TCC) Solenoid

6 - Pressure Control Solenoid 5 (PCS5)

7 - Pressure Control Solenoid 1 (PCS1)

8 - Shift Solenoid 1 (SS1)

9 - Transmission Fluid Temperature (TFT) Sensor

10 - Input Speed Sensor/Output Speed Sensor (ISS/OSS) Connector

11 - Pressure Control Solenoid 3 (PCS3) Contact Lead

12 - Pressure Control Solenoid 4 (PCS4) Contact Lead

13 - Pressure Control Solenoid 2 (PCS2) Contact Lead

14 - Shift Solenoid 2 (SS2) Contact Lead

15 - Torque Converter Clutch (TCC) Solenoid Contact Lead

16 - Pressure Control Solenoid 5 (PCS5) Contact Lead

17 - Pressure Control Solenoid 1 (PCS1) Contact Lead

18 - Shift Solenoid 1 (SS1) Contact Lead

19 - Internal Mode Switch (IMS) Connector

20 - Metallic Slivers, Debris or Sediment

1. With the filter plate removed, the control solenoid valve assemblies (1-8) can be inspected. Closely examine the solenoid electrical contact lead solder connections (11-18). Look for material that could make contact between the electrical leads. This is where material particles, metallic slivers, debris or sediment (20) can collect. Carefully inspect all sixteen solenoid electrical contact leads (11-18) for build up of material that could form an electrical short. Inspect the solenoid contact leads (11-18) for terminal separation or weak solder joints. Thoroughly flush away all debris with GM Brake Parts Cleaner.

2. Inspect the transmission fluid temperature (TFT) sensor (9), the input speed sensor/output speed sensor (ISS/OSS) connector (10), and the internal mode switch (IMS) connector (19). Look inside the connector cavities for material that could make contact between the electrical pins. Also look for bent or loose electrical pins. If the TFT sensor (9) is heavily coated with clutch soot, rinse with GM Brake Parts Cleaner.

3. Check the resistance of the solenoids at room temperature and verify with the following table. If the resistance is not within the expected range, carefully inspect the solenoid contact leads.





Control Solenoid Valve Assembly Supply and Control Fluid Inspection





1 - Shift Solenoid 1 Supply Port

2 - Shift Solenoid 1 Control Port

3 - Line Pressure Control Solenoid 1 Control Port

4 - Line Pressure Control Solenoid 1 Supply Port

5 - Pressure Control Solenoid 5 Supply Port

6 - Pressure Control Solenoid 5 Control Port

7 - TCC Pressure Control Solenoid Control Port

8 - TCC Pressure Control Solenoid Supply Port

9 - Shift Solenoid 2 Supply Port

10 - Shift Solenoid 2 Control Port

11 - Pressure Control Solenoid 2 Control Port

12 - Pressure Control Solenoid 2 Supply Port

13 - Pressure Control Solenoid 4 Supply Port

14 - Pressure Control Solenoid 4 Control Port

15 - Pressure Control Solenoid 3 Control Port

16 - Pressure Control Solenoid 3 Supply Port

17 - Transmission Fluid Pressure (TFP) Switch 5

18 - Transmission Fluid Pressure (TFP) Switch 3

19 - Transmission Fluid Pressure (TFP) Switch 1

20 - Transmission Fluid Pressure (TFP) Switch 4

21 - TFP Switch Membrane

22 - TFP Switch Gasket

1. With the filter plate removed, the control solenoid valve fluid supply and control ports (1-16) can be inspected. Solenoid openings are identified in the illustration. Inspect the following supply and control opening for material particles, metallic slivers, debris, or sediment. Look into solenoid fluid supply openings 1, 4, 5, 8, 9, 12, 13, and 16. Look inside the solenoid fluid control ports 2, 3, 6, 7, 10, 11, 14 and 15. If sediment or debris is found in any one of these port openings, look for holes or tears in the filter plate screen. The filter plate gasket may be leaking caused by a torn gasket, poor sealing, or a deformed plate. As necessary, thoroughly flush away all debris in the supply and control fluid ports with GM Brake Parts Cleaner.

2. Inspect the four transmission fluid pressure (TFP) switches (17-20) for trapped debris or sediment. Any sediment or debris found under a switch membrane requires the control solenoid valve assembly to be replaced. Check all TFP switch membranes (21) for cracks, cuts or pin holes. Ensure all TFP switch gaskets (22) are secure and are not deformed, torn, or improperly seated. As necessary, thoroughly rinse debris and sediment from the top of the switches. It is not necessary to remove the clutch plate soot from the entire surface of the control solenoid valve assembly housing.