Installation

Need a step-by-step guide?

Get an AI-powered repair guide with parts lists, cost estimates, and clear instructions for your 1991 Cadillac.

AI Repair Guides

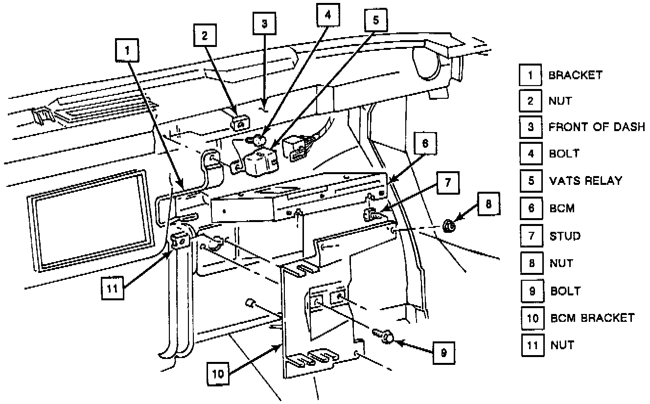
Body Control Module:






INSTALL OR CONNECT
1 . Electrical connector and slide Body Computer Module (BCM) into position.
2. Diagnostic and Energy Reserve Module (DERM) / Body Control Module (BCM) bracket and screws.
- Tighten screws to 1.5 Nm (13 lbs. in.).
3. Nuts onto BCM studs.
- Tighten nuts to 3.7 Nm (33 lbs. in.).
4. DERM into bracket and nuts.
- Tighten nuts to 4 Nm (35lbs. in.).
5. Passenger compartment discriminating/arming sensor pigtail wiring and resistor module to DERM/BCM bracket and nuts.
- Tighten nuts to 4 Nm (35 lbs. in.).
6. Glove box module.
7. Yellow two-way SIR harness connector and clip at base of steering column.
8. Left sound insulator.
9. Right sound insulator.
10. Supplemental Inflatable Restraint (SIR) fuse 3.
11. Turn ignition switch to RUN and verify that the "INFLATABLE RESTRAINT" indicator flashes 7 to 9 times and then turns off. Refer to Air Bags (Supplemental Restraint Systems).