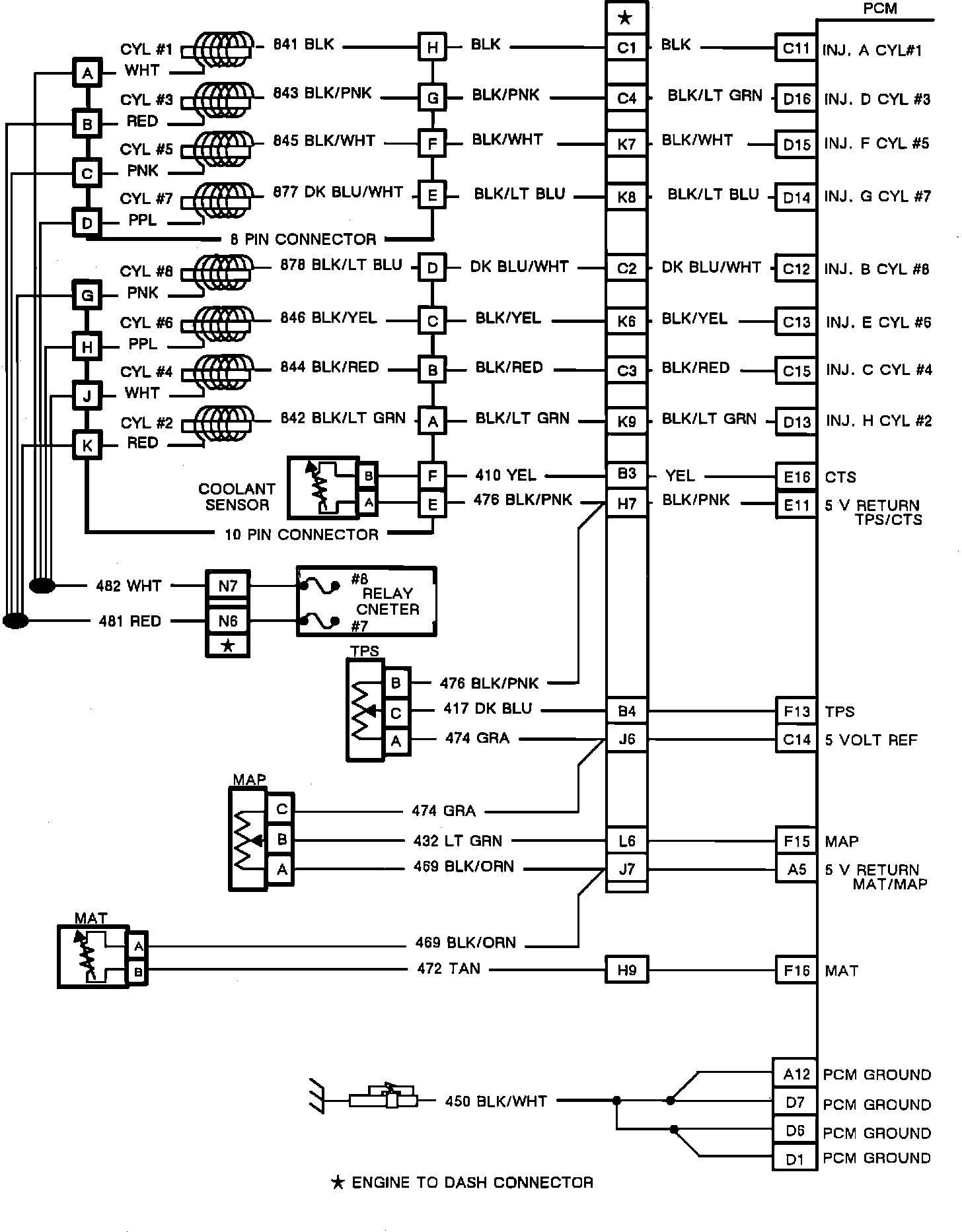
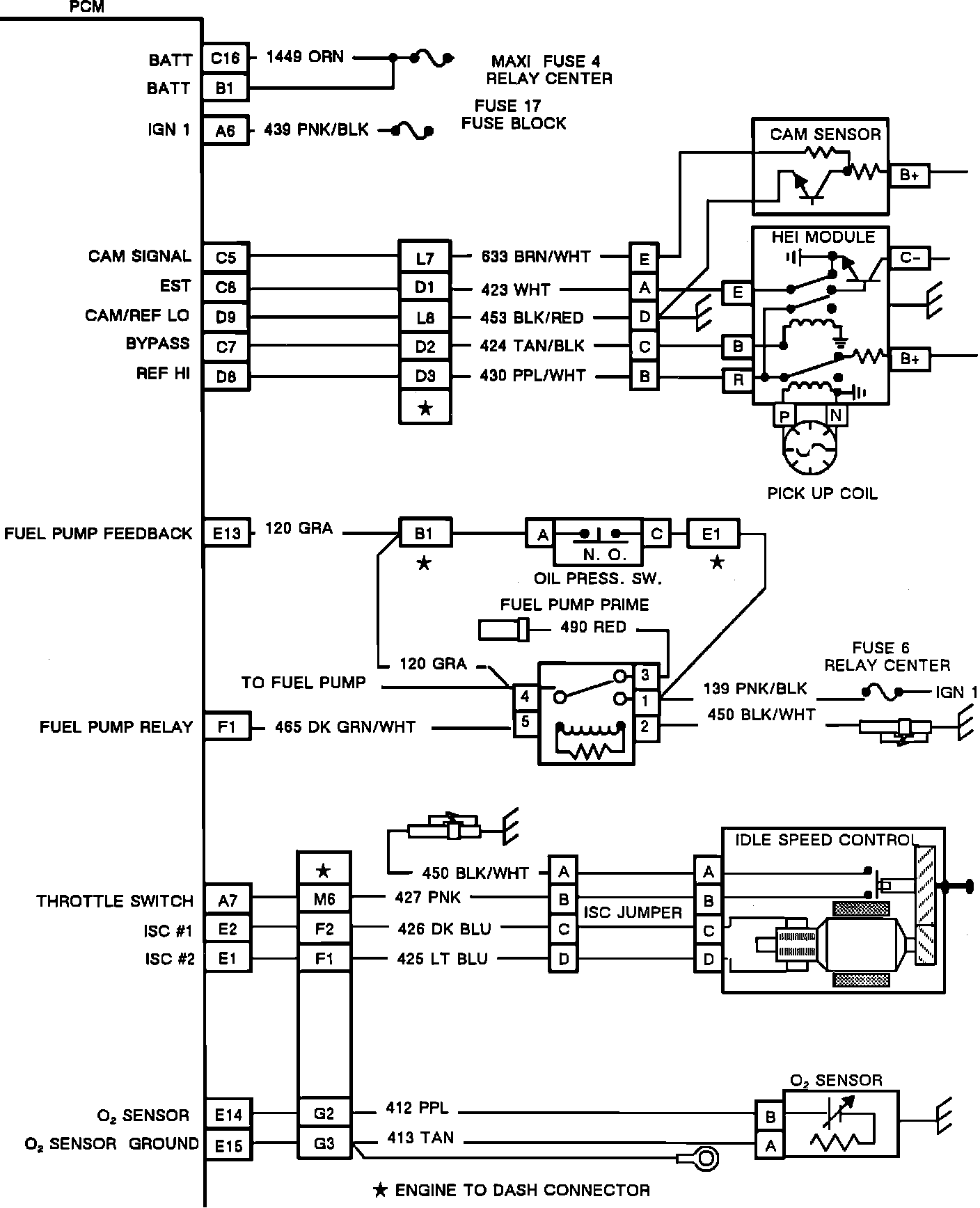
Electronic/Powertrain Control Module (ECM/PCM)
Need a step-by-step guide?
Get an AI-powered repair guide with parts lists, cost estimates, and clear instructions for your 1991 Cadillac.
Need a step-by-step guide?
Get an AI-powered repair guide with parts lists, cost estimates, and clear instructions for your 1991 Cadillac.