Steering Gear

Need a step-by-step guide?

Get an AI-powered repair guide with parts lists, cost estimates, and clear instructions for your 2006 Buick.

AI Repair Guides


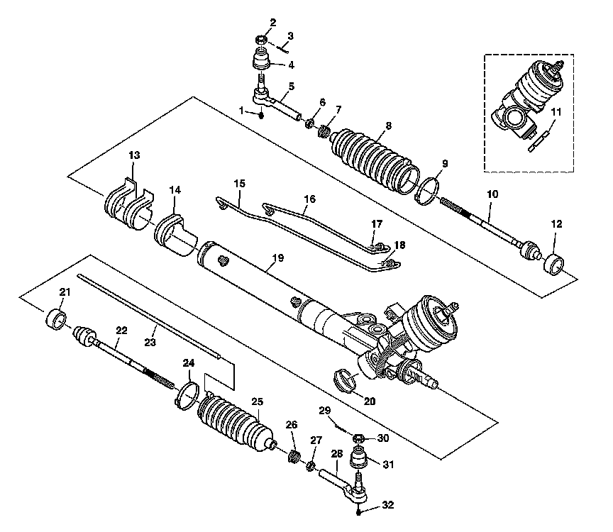
Power Steering Gear Disassembled View (Magnasteer)

Magnasteer Power Steering Gear:





1 - Lubrication Fitting
2 - Hexagon Slotted Nut
3 - Cotter Pin
4 - Tie Rod Seal
5 - Outer Tie Rod
6 - Hexagon Jam Nut
7 - Tie Rod End Clamp
8 - Rack and Pinion Boot
9 - Large Boot Retaining Clamp
10 - Inner Tie Rod
11 - Adjuster Plug Lock Nut
12 - Shock Dampener Ring
13 - Mounting Bracket Assembly
14 - Mounting Grommet
15 - Cylinder Line (LH)
16 - Cylinder Line (RH)
17 - O-ring Seal
18 - O-ring Seal
19 - Rack and Pinion Gear Assembly (Partial)
20 - Dust Cover
21 - Shock Dampener Ring
22 - Inner Tie Rod
23 - Breather Tube
24 - Large Boot Retaining Clamp
25 - Rack and Pinion Boot
26 - Tie Rod End Clamp
27 - Hexagon Jam Nut
28 - Outer Tie Rod
29 - Cotter Pin
30 - Hexagon Slotted Nut
31 - Tie Rod Seal
32 - Lubrication Fitting