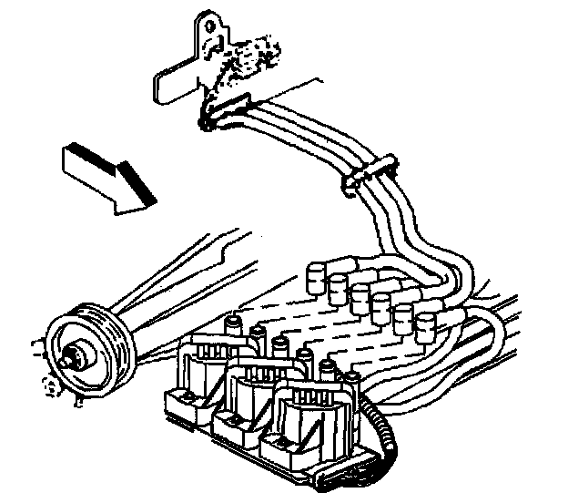
1. Remove the bolt from the 14-way connector from the ignition control module (2).
2. Remove the 14-way connector (1) from the ignition control module (2).
3. Disconnect the spark plug wires from the coil assemblies.
4. Remove the nuts and washers securing the coil assemblies to the ignition control module.
5. Remove the 6 screws (1) securing the coil assemblies (2) to the ignition control module.
6. Remove the coils (2) from the ignition control module (3).
7. Remove the ignition control module.
INSTALLATION PROCEDURE
1. Attach the coils (2) to the ignition control module (3).
NOTE: Refer to Fastener Notice in Service Precautions.
2. Install the 6 ignition coil attaching screws.
Tighten
Tighten the screws to 5 N.m (40 lb in).
3. Install the Ignition Control Module (ICM) with the ignition coils to the mounting bracket.
4. Install the nuts and washers securing the ignition control module assembly to the mounting bracket.
Tighten
Tighten the nuts to 8 N.m (71 lb in).
5. Connect the spark plug wires to the coil assemblies.
6. Connect the 14-way connector (1) to the ignition control module (2).
7. Install the bolt to the 14-way connector (1) to the ignition control module.
Tighten
Tighten the bolt to 8 N.m (71 lb in).