Fuel System Pressure Test

Need a step-by-step guide?

Get an AI-powered repair guide with parts lists, cost estimates, and clear instructions for your 1999 Buick.

AI Repair Guides

















Circuit Description
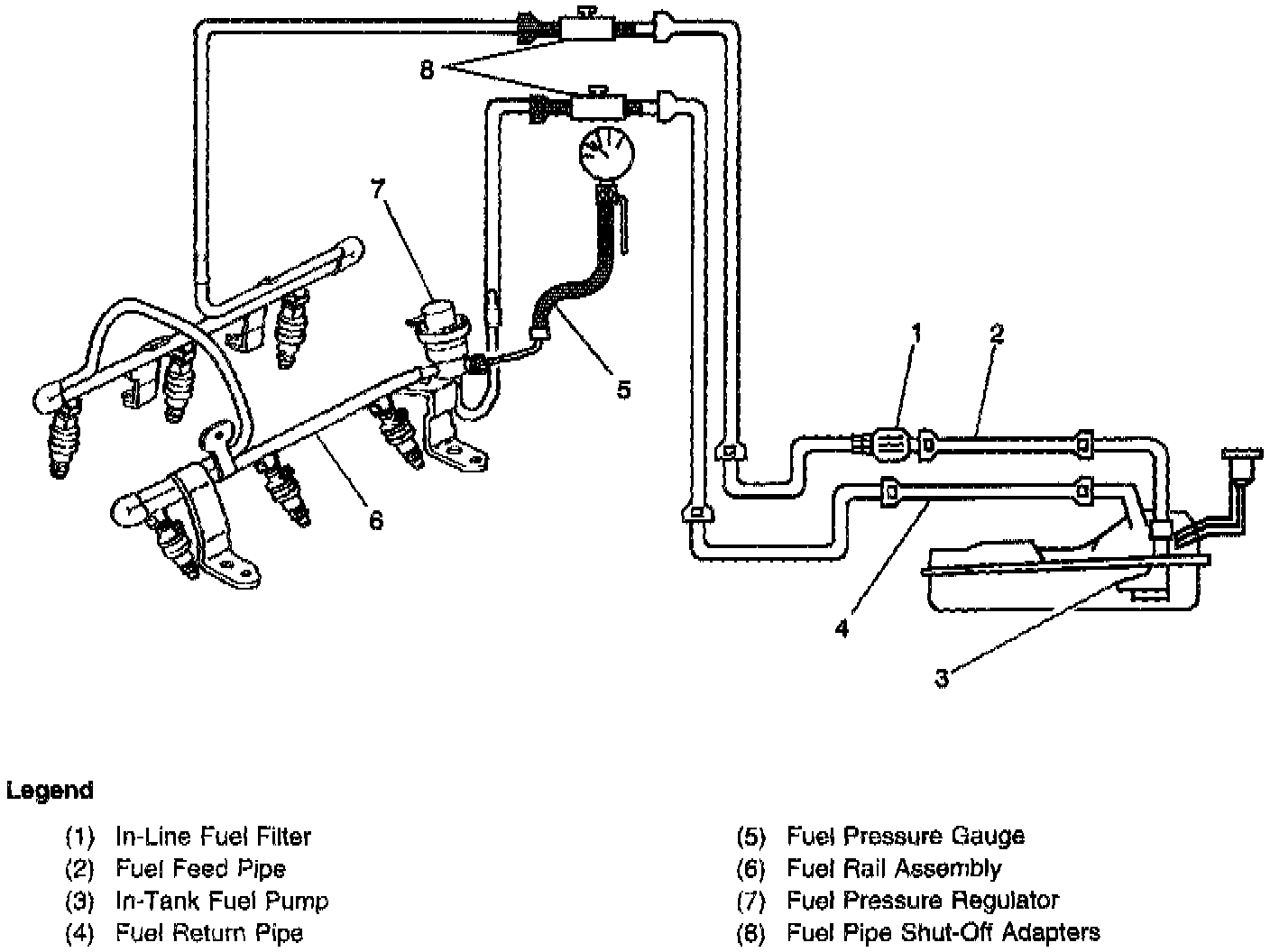
When the ignition switch is turned ON, the Powertrain Control Module (PCM) will turn ON the in-tank fuel pump. The in-tank fuel pump will remain ON as long as the engine is cranking or running and the PCM is receiving reference pulses. If there are no reference pulses, the PCM will turn the in-tank fuel pump OFF 2 seconds after the ignition switch is turned ON or 2 seconds after the engine stops running. The in-tank fuel pump is an electric pump, attached to the Fuel Sender Assembly. The in-tank fuel pump supplies fuel through the fuel feed pipe, and in-line fuel filter to the Fuel Rail Assembly. The fuel pump is designed to provide fuel at a pressure above the pressure needed by the fuel injectors. A fuel pressure regulator, attached to the fuel rail, keeps the fuel available to the fuel injectors at a regulated pressure. Unused fuel is returned to the fuel tank by a separate fuel return pipe. The fuel pressure gauge and fuel pipe shut-off adapters are used for fuel system diagnosis.

Tools Required
^ J 34730 - 1A Fuel Pressure Gauge
^ J 37287 Fuel Pipe Shut-Off Adapters

Test Description
The numbers below refer to the step numbers on the diagnostic table.
2. To relieve the fuel pressure, refer to Fuel Pressure Relief Procedure. With the ignition switch ON and the fuel pump running, the fuel pressure indicated by the fuel pressure gauge should be 333 - 376 kPa (48 - 55 psi). This pressure is controlled by the amount of pressure the spring inside the fuel pressure regulator can provide.
3. A fuel system that drops more than 5 psi in 10 minutes has a leak in one or more of the following areas:
^ The fuel pump check valve.
^ The fuel pump pulse dampener.
^ The valve or valve seat within the fuel pressure regulator.
^ The fuel injector(s).
5. Fuel pressure that drops-off during acceleration, cruise or hard cornering may cause a lean condition. A lean condition can cause a loss of power, surging, or misfire. A lean condition can be diagnosed using a scan tool. If an extremely lean condition occurs, the oxygen sensor(s) will stop toggling. The oxygen sensor output voltage(s) will drop below 500 mV. Also, the fuel injector width will increase.

Important: Make sure the fuel system is not operating in the Fuel Cut-Off Mode. This can cause false indications by the scan tool.

8. When the engine is at idle, the manifold pressure is low (high vacuum). This low pressure (high vacuum) is applied to the fuel pressure regulator diaphragm. The low pressure (high vacuum) will offset the pressure being applied to the fuel pressure regulator diaphragm by the spring inside fuel pressure regulator. When this happens, the result is lower fuel pressure. The fuel pressure at idle will vary slightly as the barometric pressure changes, but the fuel pressure at idle should always be less than the fuel pressure noted in Step 2 with the Engine OFF.
13. A rich condition may result from the fuel pressure being above 376 kPa (55 psi). A rich condition may cause a DTC P0132 or a DTC P0172 to set. Driveability conditions associated with rich conditions can include hard starting (followed by black smoke) and a strong sulfur smell in the exhaust.
14. This test determines if the high fuel pressure is due to a restricted fuel return pipe or if the high fuel pressure is due to a faulty fuel pressure regulator.
16. A lean condition may result from the fuel pressure being below 333 kPa (48 psi). A lean condition may cause a DTC P0131 or a DTC P0171 to set. Driveability conditions associated with lean conditions can include hard starting (when the engine is cold), hesitation, poor driveability, lack of power, surging, and misfiring.

Notice: Do not allow the fuel pressure to exceed 450 kPa (65 psi). Fuel pressure in excess of 450 kPa (65 psi) may damage the Fuel Pressure Regulator.

17. Restricting the fuel return pipe with the J 37287 Fuel Pipe Shut-Off Adapter causes the fuel pressure to rise above the regulated fuel pressure. Using a scan tool to pressurize the system, the fuel pressure should rise above 376 kPa (55 psi) as the gauge outlet hose is pinched.
24. Check the spark plug associated with a particular fuel injector for fouling or saturation in order to determine if that particular fuel injector is leaking. If checking the spark plug associated with a particular fuel injector for fouling or saturation does not determine that a particular fuel injector is leaking, use the following procedure.
1. Remove the fuel rail, but leave the fuel pipes connected to the fuel rail.

Caution: In order to reduce the risk of fire and personal injury that may result from fuel spraying on the engine, verity that the fuel rail is positioned over the fuel injector ports. Also verify that the fuel injector retaining clips are intact.

2. Lift the fuel rail just enough to leave the fuel injector nozzles in the fuel injector ports.
3. Pressurize the fuel system by using a scan tool.
4. Visually and physically inspect the fuel injector nozzles for leaks.