Boost Control System Diagnosis

Need a step-by-step guide?

Get an AI-powered repair guide with parts lists, cost estimates, and clear instructions for your 1999 Buick.

AI Repair Guides














Circuit Description
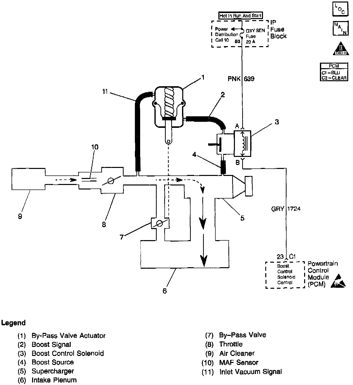
Under most conditions, the PCM commands the boost control solenoid to operate at a 100% duty cycle (ON) to allow full boost pressure upon demand. However, if reverse gear is selected or the PCM detects rapid deceleration or engine load is extremely high, reduced boost pressure is desired. Under these conditions, the PCM commands the boost control solenoid to operate at a 0% duty cycle (OFF), which opens the bypass valve. With the Bypass valve open, boost pressure is reduced by recirculating intake air back through the supercharger inlet.

Diagnostic Aids
If the Boost Control System Check has been performed and no electrical or vacuum related fault is noted, check for the following conditions:
^ Mis-adjusted or sticking bypass valve actuator.
^ Binding bypass valve or bypass valve linkage.

An intermittent may be caused by a poor connection, rubbed through wire insulation, or a wire broken inside the insulation. Check for the following conditions:
^ Poor Connection or Damaged Harness.
Inspect PCM harness connector for backed out terminals, improper mating, improperly formed or damaged terminals, poor terminal to wire connection and damaged harness.
^ Intermittent Test.
Disconnect PCM and install a DVM to monitor voltage between the boost control solenoid control circuit at the PCM connector and ground. With the key ON, observe voltage while manipulating related connectors and wiring harness. If the failure is induced, the voltage display will change. This may indicate the location of the fault

Test Description
The numbers below refer to the step numbers on the diagnostic table.
2. Verifies ignition feed to the boost control solenoid.
3. The boost control solenoid should be commanded OFF (0% duty cycle) with the ignition ON, engine not running. If the system is functioning properly, the test lamp should be OFF.
4. Ensures that the PCM can control the Output Driver Module (ODM) output for the Boost Control Solenoid and the Boost Control Solenoid control circuit is not open.
5. Checks for a malfunctioning Boost Control Solenoid (sticking open or leaking).
20. This vehicle is equipped with a PCM which utilizes an Electrically Erasable Programmable Read Only Memory (EEPROM). When the PCM is being replaced, the new PCM must be programmed.