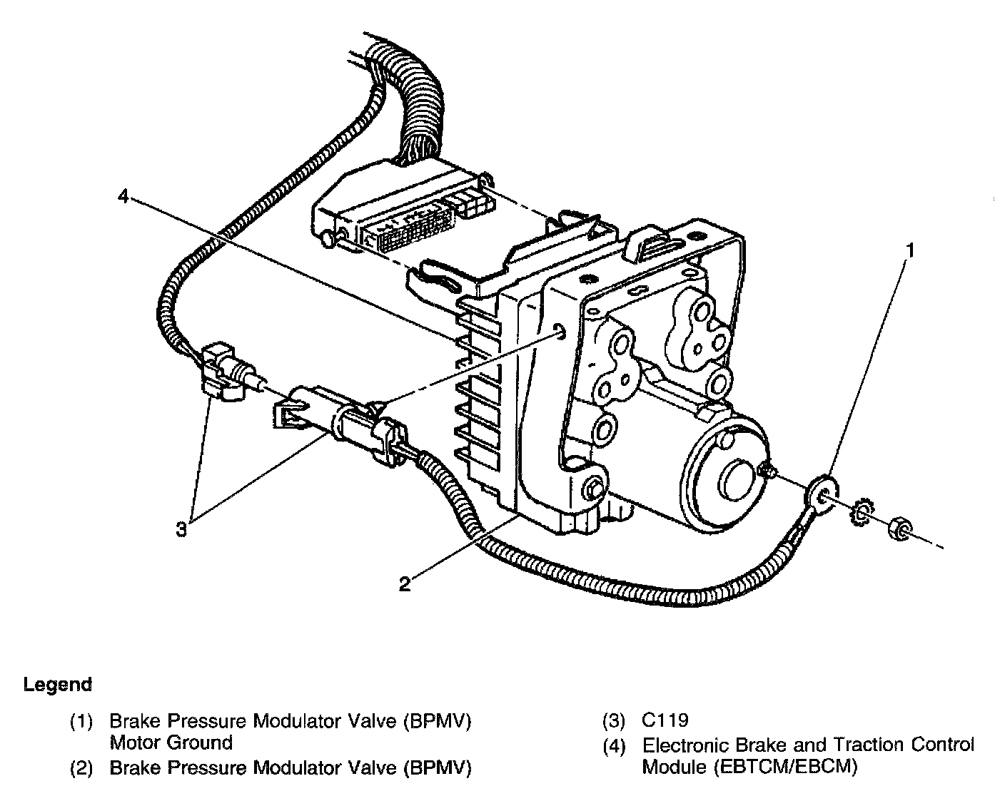
Electronic Brake and Traction Control Module (EBTCM)

Need a step-by-step guide?

Get an AI-powered repair guide with parts lists, cost estimates, and clear instructions for your 1999 Buick.

AI Repair Guides

Engine Compartment, Left Front Corner:





In the left front of the engine compartment, near the base of the radiator support