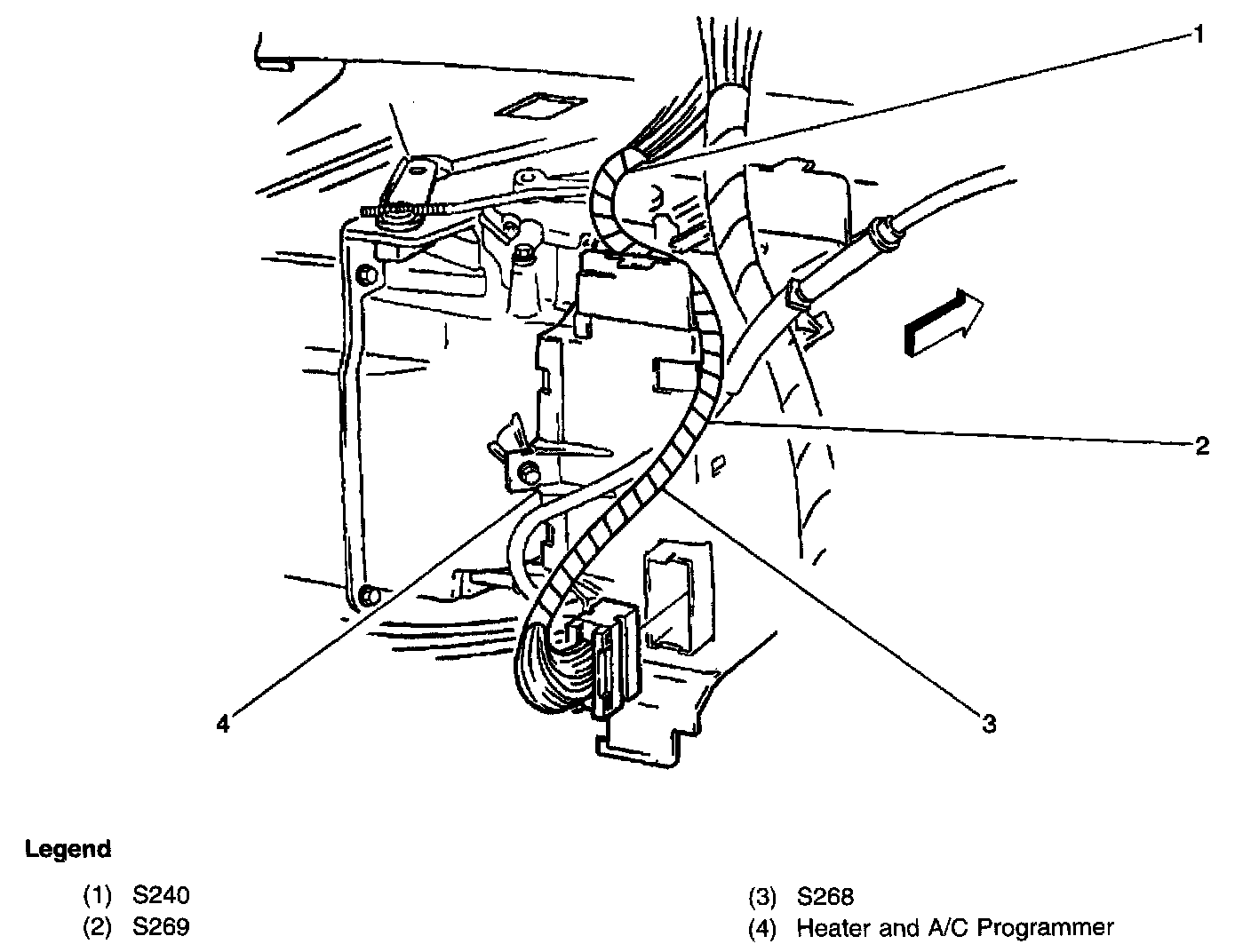
Heater and A/C Programmer

Need a step-by-step guide?

Get an AI-powered repair guide with parts lists, cost estimates, and clear instructions for your 1999 Buick.

AI Repair Guides

Passenger Compartment, Below The Right Corner Of The IP:





Under the right side of the IP, near the rear of the IP compartment