System Diagnosis - EVAP Control

Need a step-by-step guide?

Get an AI-powered repair guide with parts lists, cost estimates, and clear instructions for your 1996 Buick.

AI Repair Guides












RESULTS OF INCORRECT OPERATION

Poor idle, stalling and poor driveability can be caused by the following items:

^ Inoperative Evaporative Emission (EVAP) canister purge valve.

^ Damaged EVAP canister.

^ Hoses split, cracked and, or not connected to the proper tubes.

Evidence of fuel loss or fuel vapor odor can be caused by the following items:

^ Liquid fuel leaking from fuel lines, or fuel pump.

^ Cracked or damaged EVAP canister.

^ Disconnected, mis-routed, kinked, deteriorated or damaged vapor hoses, or control hoses.

If the EVAP canister purge valve is always open, the canister can purge to the intake manifold at all times. This can allow extra fuel during warm-up, which can cause a too rich operation.

If the EVAP canister purge valve is always closed, the canister can become over-loaded, resulting in fuel odor.


DIAGNOSIS

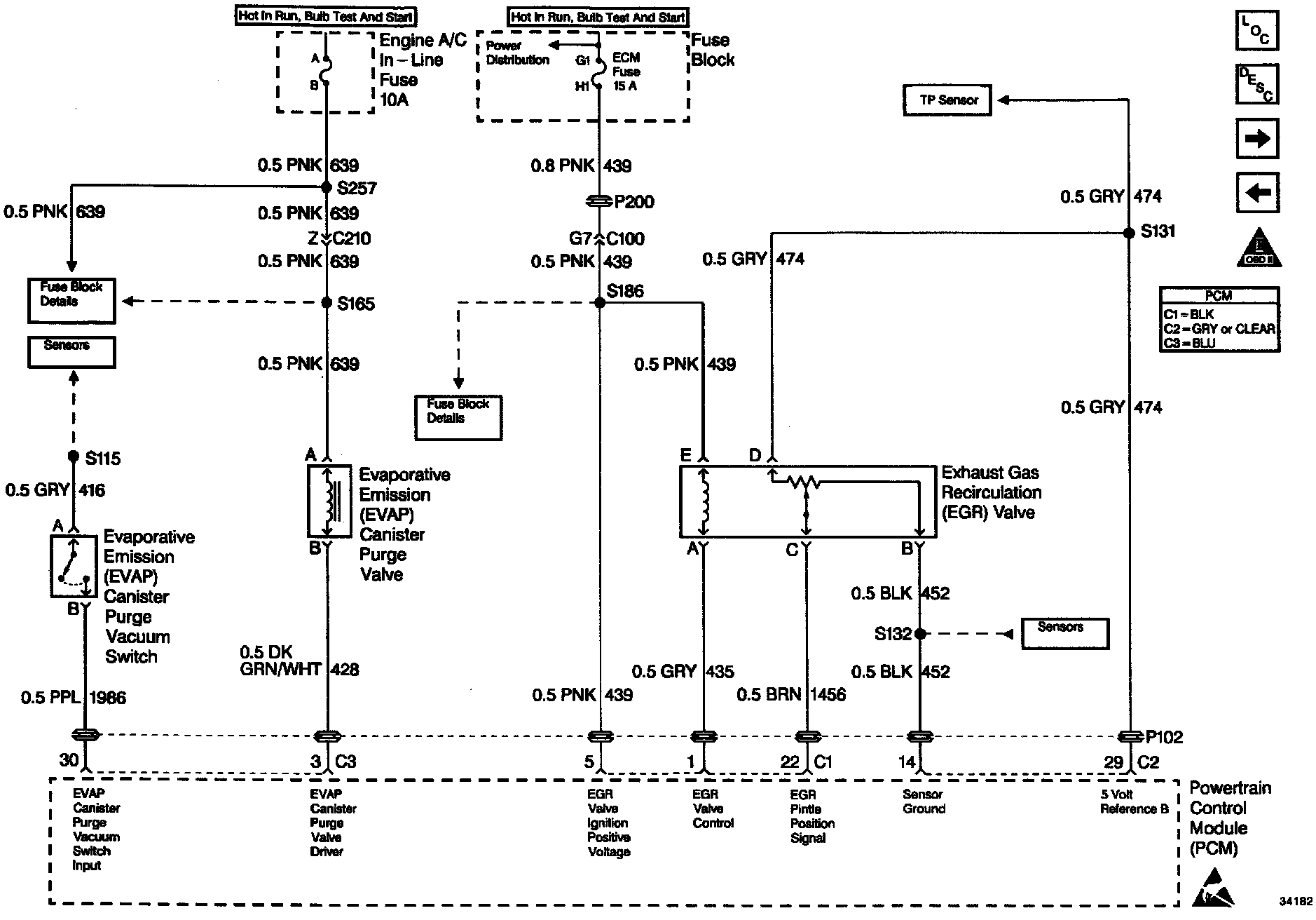
The EVAP canister purge valve operation is covered in Evaporative Emission (EVAP) Canister Purge Valve Check and also in DTC's P0441 and P1441. The EVAP purge vacuum switch is diagnosed by DTC's P0441 and DTC P1441.

A open or shorted circuit in the purge valve can also be diagnosed in PCM Outputs.


VISUAL CHECK OF THE EVAP CANISTER

If cracked or damaged, replace canister.


CIRCUIT DESCRIPTION

Canister purge is controlled by a purge valve that allows idle purge and ported vacuum to purge the canister when energized. The Powertrain Control Module (PCM) supplies a ground to energize the valve (purge ON). The purge valve control by the PCM is pulse width modulated (turned ON and OFF several times a second). The duty cycle (pulse width) is determined by Closed Loop feed back from the Oxygen Sensor (O2S). The duty cycle will freeze if the engine has idled longer than 10 seconds and continue incrementing when throttle position rises above 1.5%. The duty cycle is calculated by the PCM and the output commanded when the following conditions have been met:

^ Engine run time after start is more than 120 seconds if coolant temperature less than 56°C (133°F).

^ Engine run time after start is more than 30 seconds if coolant temperature is greater than 56°C (133°F).

^ Engine has not idled longer than 10 seconds.


DIAGNOSTIC AIDS

Make a visual check of vacuum hose(s). Check throttle body for possible cracked, broken, or plugged vacuum block. Check the engine for a possible mechanical problem that may cause a low vacuum condition.

The scan tool may be utilized to determine if the purge valve is operating by viewing the Evaporative Emission (EVAP) Vacuum Switch parameter. When purge is commanded, and the engine is oft idle (approx. 1500 RPM), the EVAP Vacuum Switch should display OFF (purge present). After the engine is returned to idle (no ported vacuum) the EVAP Vacuum Switch will display ON (no purge present).


TEST DESCRIPTION

Number(s) below refer to the step number(s) on the Diagnostic Table.

2. Checks if the purge valve is opened or closed. The purge valve is normally de-energized in this step, so it should be closed.

3. Completes functional check by commanding purge valve ON. This should normally energize the purge valve opening the valve which should allow the vacuum to drop (purge ON).

6. Checks to determine if purge valve was open due to electrical circuit problem or defective purge valve.