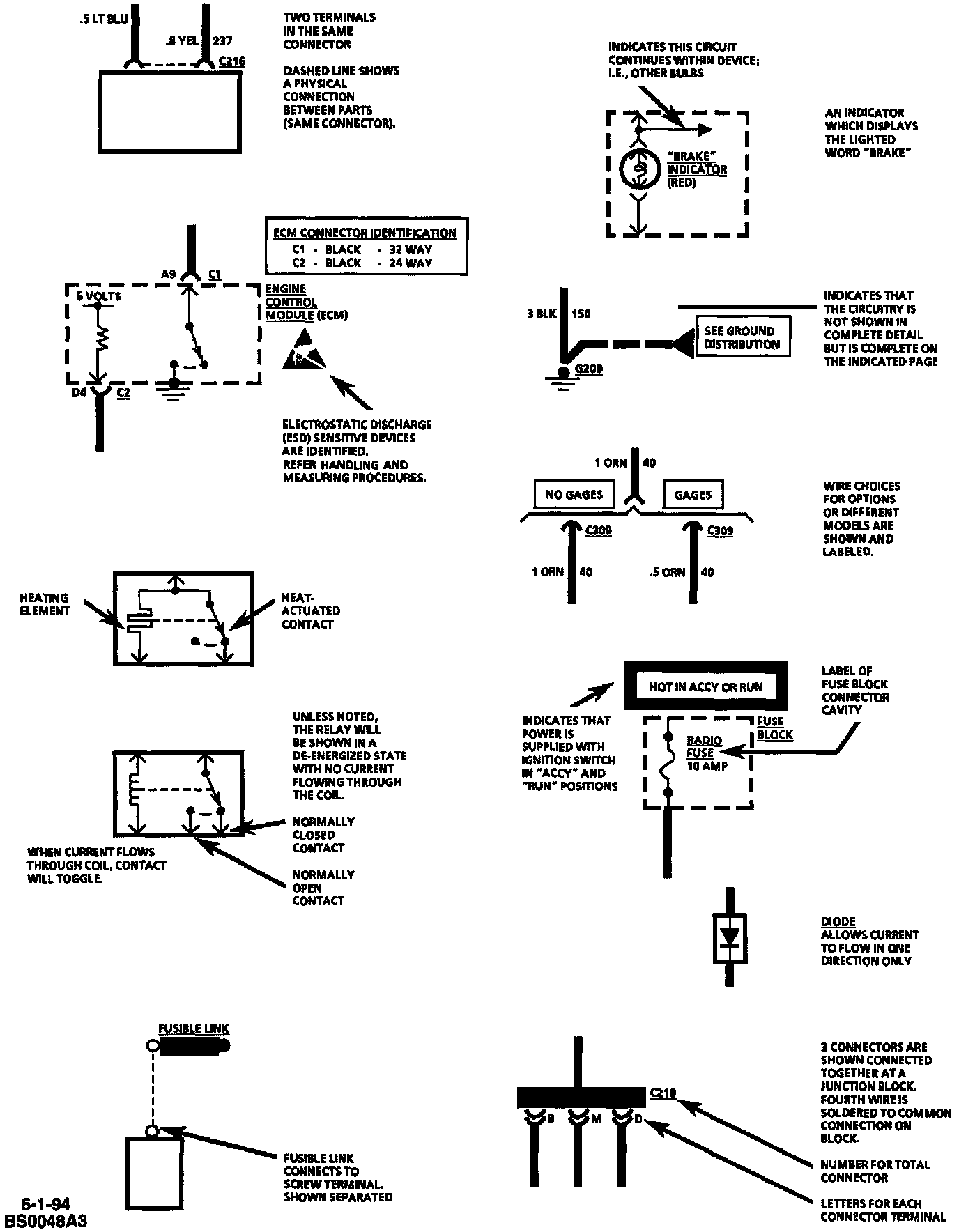
Schematic Symbols

Need a step-by-step guide?

Get an AI-powered repair guide with parts lists, cost estimates, and clear instructions for your 1996 Buick.

AI Repair Guides

Fig.1-Symbols (Part 1 Of 3):





Fig.2-Symbols (Part 2 Of 3):





Fig.3-Symbols (Part 3 Of 3):




Vacuum Motors operate like electrical solenoids, mechanically pushing or pulling a shaft between two fixed positions. When vacuum is applied, the shaft is pulled in. When no vacuum is applied, the shaft is pushed all the way out by a spring.

Double Diaphragm Motors can be operated by vacuum in two directions. When there is no vacuum, the motor is in the center "at rest" position.

Some Vacuum Motors such as the Servo Motor in the Cruise Control can position the actuating arm at any position between fully extended and fully retracted. The servo is operated by a control valve that applies varying amounts of vacuum to the motor. The higher the vacuum level, the greater the retraction of the motor arm. Servo Motors work like the two position motors; the only difference is in the way the vacuum is applied. Servo Motors are generally larger and provide a calibrated control.