Ignition System: Description and Operation

Need a step-by-step guide?

Get an AI-powered repair guide with parts lists, cost estimates, and clear instructions for your 1993 Buick.

AI Repair Guides

Ignition Control Wiring:




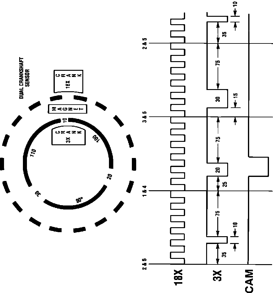
Dual Crank Sensor Operation:







GENERAL DESCRIPTION
The Electronic Ignition (EI) system consists of a camshaft sensor, a dual hall-effect crankshaft position sensor, an engine crankshaft balancer with crankshaft position sensor interrupter rings attached to the rear, the Ignition Control (IC) portion of the PCM, The Knock Sensor (KS) control portion of the PCM, an ignition control module, three ignition coils, and the related connecting wires.

CAMSHAFT SENSOR
The camshaft sensor sends a signal to the PCM which uses it as a "sync pulse" to trigger the injectors in proper sequence. The cam signal is passed through the ignition module to the PCM for control of Sequential Fuel Injection.

DUAL (3X/18X) CRANKSHAFT SENSOR
The ignition control module interprets the 18X and 3X "ON-OFF" signals as an indication of crankshaft position, and must have both signals to "fire" the correct ignition coil. Since the 3X interrupter gaps in the harmonic balance each have a different width (10°, 20°, & 30°), the PCM can tell the difference between the three 3X signals. Correct ignition coil firing sequence is determined based on how many 18X signals occurs during the 3X signal.

KNOCK SENSOR
The knock sensor (KS) signal (CKT 630) goes directly to the PCM and is used by the PCM in its determination of Ignition Control (IC) during periods of detected ignition knock. When the knocking stops, the PCM advances timing in small increments. This allows the PCM to maintain maximum timing advance under various conditions.

OPERATION
In much the same manner as the distributor type ignition system, this system uses the IC signal from the PCM. Above 450 rpm, the PCM applies 5.0 volts to the ignition module (bypass circuit) signaling the module to allow the PCM to control the dwell and spark timing. This is called IC mode. During IC mode, the PCM compensates for all driving conditions. In this mode, the PCM also monitors the knock sensor and retards the ignition timing if a knock is detected. When the knocking stops, the PCM advances timing in small increments.

Ignition Current Flow:





Three separate coils are mounted to the module assembly. Each coil provides the spark for two plugs simultaneously. Each coil can also be replaced separately. A "Waste Spark" method of distribution is used on this system. Each cylinder is paired with its opposing cylinder in firing order so that one cylinder on the compression stroke fires simultaneously with its opposing cylinder on the exhaust stroke. Requiring less voltage to fire the plug on the exhaust stroke, most of the available voltage is sent to the compression stroke cylinder. This process is reversed as the cylinders' roles are reversed.

The ignition module controls spark timing under 400 RPM and must receive a "sync-pulse" followed by a Crank Signal in that order to enable engine start up. The ignition module monitors the crankshaft sensor signals and based on these signals, sends a reference signal to the PCM to allow the correct spark and fuel injector control to be maintained during all driving conditions.


MODES OF OPERATION
There are two "modes" of ignition operation:

Module Mode - In module mode, the ignition system operated independently of the PCM with spark advance being set at 10°. In fact, the PCM could be disconnected from the vehicle and the spark plugs would still fire. The PCM switches to "IC" mode as soon as the engine begins cranking. If a PCM/IC fault is detected, the ignition system will switch to this mode.

IC Mode - In the IC mode, the PCM is in full control of spark timing and ignition dwell time. The PCM controls ignition based on various inputs:
^ Engine speed
^ Crankshaft position
^ Engine coolant temperature
^ Throttle position
^ Knock sensor input
^ PRNDL switch input
^ Vehicle speed
^ Diagnostic request input
^ PCM and ignition system supply voltage

IGNITION CIRCUITS
The EST system utilizes several input circuits. These input circuits include the fuel control reference, spark reference, crankshaft reference ground, bypass signal, the IC output, KS input, and cam signal, all of which are described below.

Fuel Control Reference (CKT 430) - From the ignition module, the PCM uses this signal to calculate engine rpm and crankshaft position. The PCM compares pulses on this circuit to any that are on ground CKT 453, ignoring any pulses that appear on both. The PCM also uses the pulses on this circuit to initiate injector pulses. If the PCM receives no pulses on this circuit, no fuel injection pulses will occur, the engine will not run.

Spark Reference (CKT 647) - The spark reference signal is used to accurately control spark timing at low rpm and allow IC operation during crank. Below 1200 rpm, the PCM is monitoring CKT 647 and using it as the reference for ignition timing advance. When engine speed exceeds 1200 rpm, the PCM begins using CKT 430, fuel control reference to control spark timing.

IC Output (CKT 423) - The IC output circuitry of the PCM sends out timing pulses to the ignition module on this circuit. When in the module mode, the ignition module grounds these pulses. When in the IC mode, these pulses are the ignition timing pulses used by the ignition module to energize the ignition coils. Proper sequencing of the 3 ignition coils is always the job of the ignition module. If CKT 423 is open or grounded when the engine is started, a code 42 will set and the ignition system will stay in the module mode. If CKT 423 becomes open or grounded during IC mode operation, The engine will quit running but will restart. Upon restart, following an ignition cycle, a code 42 will be set, and the ignition will operate in module mode.

Bypass Circuit (CKT 424) - The PCM either allows the ignition module to keep the spark advance at module mode 10° BTDC, or the PCM signals the ignition module that the PCM is going to control the spark advance IC mode. The ignition module determines the correct operating mode based on the level of voltage that the PCM sends to the ignition module on the bypass control circuit. The PCM provides 5.0 volts to the ignition module if the PCM is going to control spark timing IC mode. If the PCM does not turn ON the 5.0 volts, or if the ignition module doesn't receive it, the module will keep control of spark timing module mode. An open or grounded bypass control CKT 424 will set a code 42 and the ignition system will stay at module mode advance.

KS System Signal (CKT 496) - The KS system is comprised of a knock sensor and the PCM. The PCM monitors the KS signal CKT 496 to determine when engine detonation occurs. When the knock sensor detects detonation, the PCM retards the timing to reduce detonation. Retarded timing can also be a result of excessive valve lifter, pushrod or other mechanical engine or transmission noise.

Cam Signal (CKT 630) - The PCM uses this signal to determine the position of the #1 piston during its power stroke. This signal is used by the PCM to calculate true Sequential Fuel Injection (SFI) mode of operation. A loss of the is signal will set a code 41. If the cam signal is lost while the engine is running the fuel injection system will shift to a calculated sequential fuel injection mode based on the last fuel injection pulse, and the engine will continue to run. The engine can be re-started and will run in the calculated sequential mode as long as the fault is present with a 1 in 6 chance of being correct.

Reference Low (CKT 453) - This is a ground circuit for the digital rpm counter inside the PCM, but the wire is connected to engine ground only through the ignition module. Although this circuit is electrically connected to the PCM, it is not connected to ground at the PCM. The PCM compares voltage pulses on the reference input CKT 430 to any on this circuit, ignoring pulses that ground on both. If the circuit is open, or connected to ground at the PCM, it may cause poor engine performance and possibly a SERVICE ENGINE SOON light with no code.