Electronic/Powertrain Control Module (ECM/PCM)

Need a step-by-step guide?

Get an AI-powered repair guide with parts lists, cost estimates, and clear instructions for your 1993 Buick.

AI Repair Guides

Engine Management Wiring Diagram (1 Of 4):





Part 1 of 4

PIN # - CIRCUIT

C14 - Diagnostic Request
C4 - Serial Data
D1 - Fuel Pump Relay
D2 - Ignition Control
D9 - Fuel Control
D8 - Reference Low (Ground)
C10 - Camshaft Sensor Signal
D7 - EST By-Pass
A20 - Spark Reference
C18 - Knock Sensor Signal


Engine Management Wiring Diagram (2 Of 4):





Part 2 of 4

PIN # - CIRCUIT

C13 - Coolant Temperature Sensor Signal
C7 - Sensor Ground
C19 - Throttle Position Sensor Signal
B4 - +5 Volts (Reference)
C12 - Intake Air Temperature (IAT) Sensor Signal
C2 - Intake Air Temperature (IAT) Sensor Ground
D17 - Injector #1
D4 - Injector #2
D5 - Injector #3
D6 - Injector #4
D22 - Injector #5
D11 - Injector #6
B5 - Ignition Feed
D15 - Mass Air Flow (MAF) Sensor Signal
C21 - Oxygen Sensor Ground
B1 - PCM Ground
C16 - Oxygen Sensor Signal
A3 - Canister Purge Solenoid
A10 - EGR Solenoid #3
A11 - EGR Solenoid #2
A5 - EGR Solenoid #1


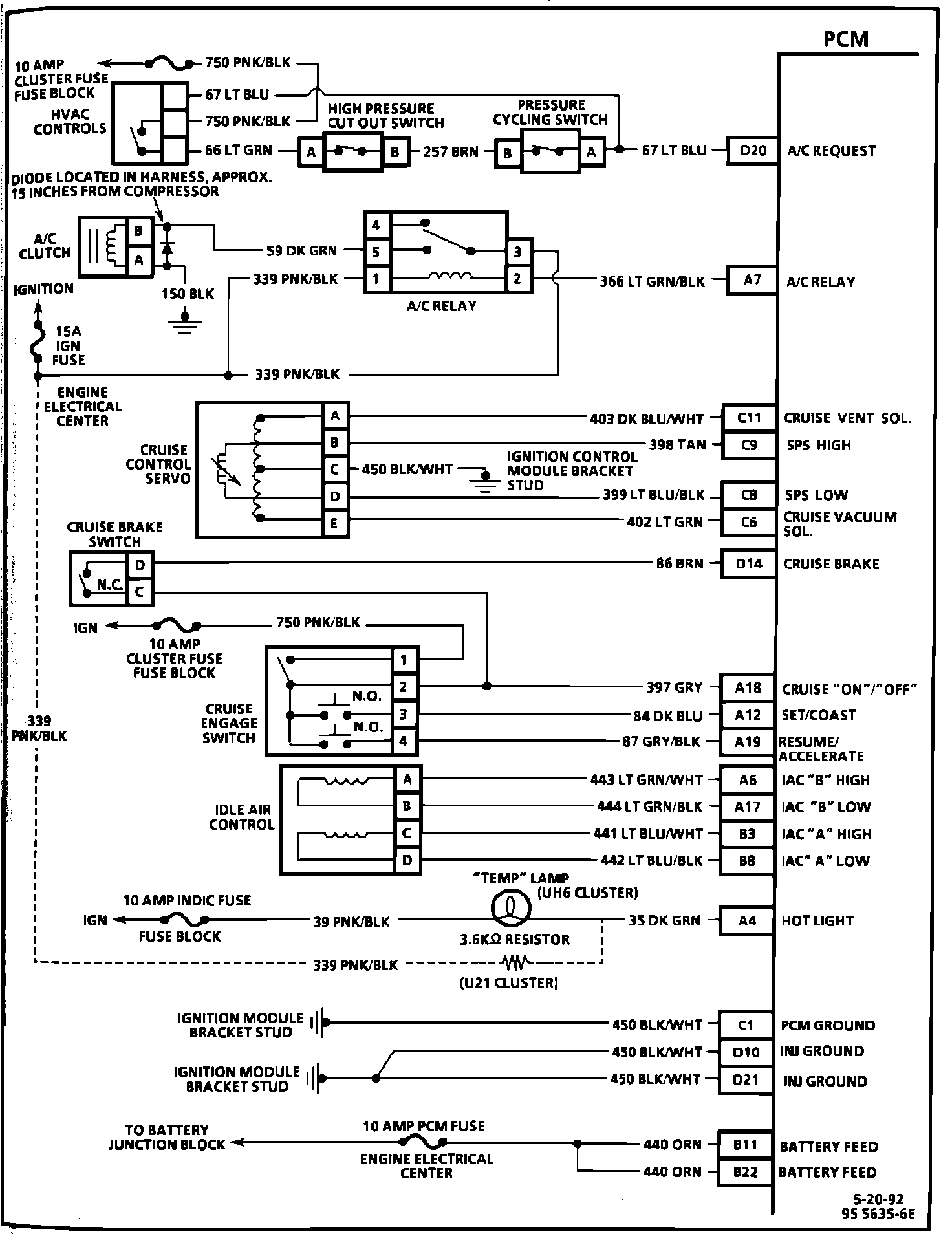
Engine Management Wiring Diagram (3 Of 4):





Part 3 of 4

PIN # - CIRCUIT

D20 - A/C Request
A7 - A/C Relay
C11 - Cruise Vent Solenoid
C9 - SPS High
C8 - SPS Low
C6 - Cruise Vacuum Solenoid
D14 - Cruise Brake Input
A18 - Cruise "ON"/"OFF"
A12 - Set/Coast
A19 - Resume/Accelerate
A6 - Idle Air Control (IAC) Valve "B" High
A17 - Idle Air Control (IAC) Valve "B" Low B3 - Idle Air Control (IAC) Valve "A" High
B8 - Idle Air Control (IAC) Valve "A" Low
A4 - Temperature Warning Lamp (Overheat)
C1 - PCM Ground
D10 - Injector Ground
D21 - Injector Ground
B11 - Battery
B22 - Battery


Engine Management Wiring Diagram (4 Of 4):





Part 4 of 4

PIN # - CIRCUIT

A1 - Service Engine Soon Lamp
A13 - Cruise Indicator Light
B9 - [1][2]Torque Converter Clutch PWM Solenoid
A22 - Shift Solenoid "A"
A21 - Shift Solenoid "B"
A9 - [1][2]Torque Converter Clutch Apply Solenoid
B6 - Torque Converter Clutch Brake Input
D13 - PRNDL "A"
D18 - PRNDL "B"
D12 - PRNDL "C"
C17 - PRNDL "P"
B20 - Vehicle Speed Sensor "High"
B21 - Vehicle Speed Sensor "Low"
B13 - 4K/Mi Speed
A8 - Low Speed Fans
A2 - High Speed Fans
D19 - Cooling Fans Request