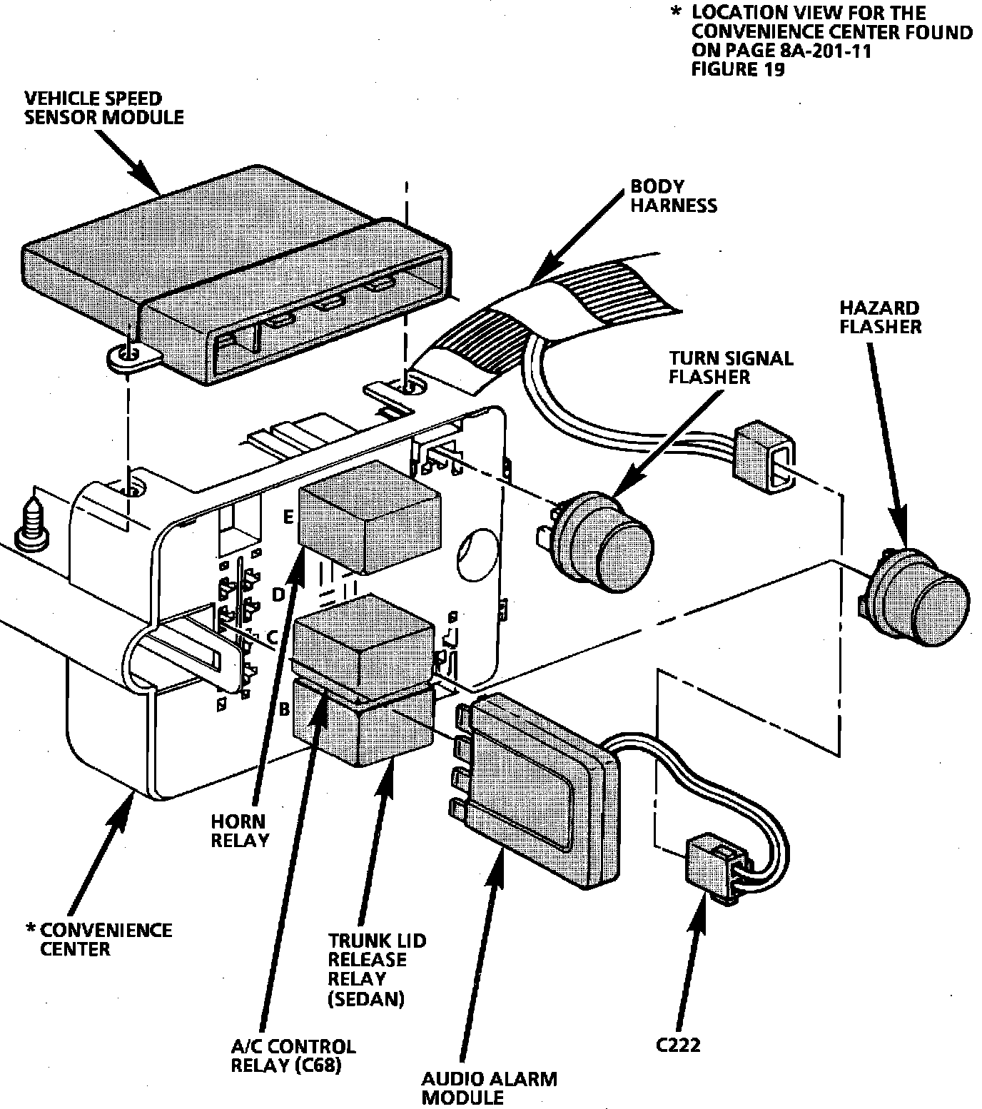
Audible Warning Device Control Module: Locations

Need a step-by-step guide?

Get an AI-powered repair guide with parts lists, cost estimates, and clear instructions for your 1992 Buick.

AI Repair Guides

Component Location View. Convenience Center:




In Convenience Center, forward of Park Brake