Vehicle Speed Sensor Module

Need a step-by-step guide?

Get an AI-powered repair guide with parts lists, cost estimates, and clear instructions for your 1992 Buick.

AI Repair Guides

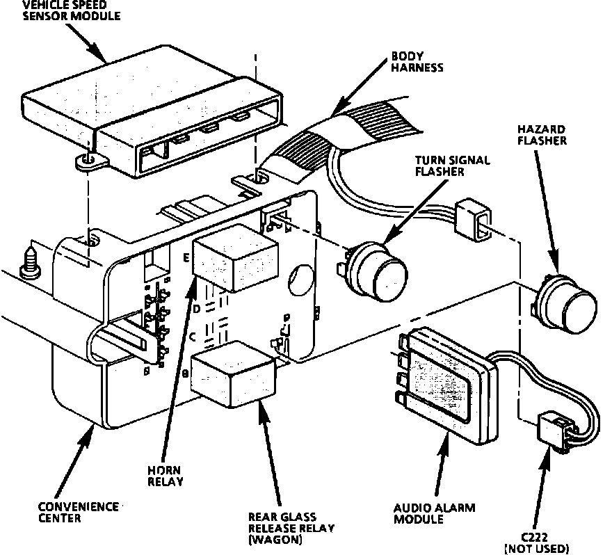
Convenience Center.:




LH Side Of I/P:




LH Kick Panel.:




Engine Component Location.:






LH Side Of I/P, At Top Of Convenience Center

Applicable to: Caprice, Custom Cruiser & Roadmaster