Radio

Need a step-by-step guide?

Get an AI-powered repair guide with parts lists, cost estimates, and clear instructions for your 1992 Buick.

AI Repair Guides

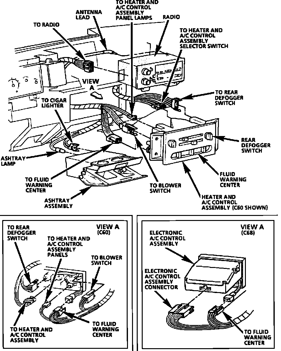
Front Of I/P.:




Center Of I/P

Applicable to: Caprice, Custom Cruiser & Roadmaster