A/C Unit

Need a step-by-step guide?

Get an AI-powered repair guide with parts lists, cost estimates, and clear instructions for your 2012 Audi.

AI Repair Guides





A/C Unit

- Remove A/C unit. Refer to=> [ A/C Unit ] A/C Unit.

- Remove attachments from heating & A/C unit. Refer to=> [ Attachments - Manually Regulated A/C System ] Attachments - Manually Regulated A/C System.

- Remove attachments from heating & A/C unit. Refer to=> [ Attachments - Automatically Regulated A/C System ] Attachments - Automatically Regulated A/C System.






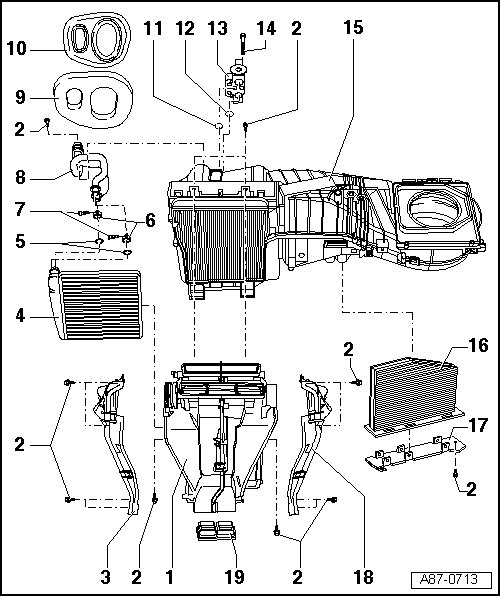
1 - Air Distribution Housing For A/C System

Do not disassemble further.

On vehicles without an auxiliary air heater heating element (Z35) the opening for the auxiliary air heater heating element is covered by the cover for the heater core.

If necessary, coat bearing areas and guides of temperature doors thinly with grease (e.g. with G 052 745 A3 ).

Different versions in vehicles with manually and automatically regulated A/C system. Refer to Electronic Parts Catalog (ETKA).

A step-up gear with curved washer for actuating air distribution doors is installed on the air distribution housing for vehicles with manually regulated A/C system. Do not remove this step-up gear as the adjustment cannot be reestablished.

Beginning November 2007, an air distribution housing (for heating or A/C) with a door in the air outlet to the defroster vents in the instrument panel without a side cut-out is gradually being installed. On vehicles without A/C (just heating) or with a manual A/C system, the change to this door has no influence on the controls (the door is controlled only by adjusting the heating or A/C). Refer to=> [ Air Distribution Housing Defroster Outlet Door ] Overhaul.

On vehicles with manually regulated A/C system, the air distribution doors are moved manually via a flexible shaft. On vehicles with automatically regulated A/C system, air distribution doors are actuated by different control motors.

On vehicles with manually regulated A/C system, the right and left temperature doors are connected to each other via the shaft and are operated by a control motor. On vehicles with an automatically regulated A/C system, the left and right temperature doors are each actuated by one control motor.

The change to the door has no influence on the A/C controls on vehicles with manual A/C (without automatic A/C) (the door is controlled only when the manual A/C is adjusted).

On vehicles with an automatic A/C, the Climatronic control module (J255) was already changed at the end of MY 2007. Refer to Electronic Parts Catalog (ETKA). The Climatronic control module (J255) , part number 8P0 820 043 beginning with index AE can be entered, via the "adaptation", and the version of the door in the air outlet to the defroster vents in the instrument and number of control motors on the A/C unit (with and without Airflow door motor (V71) ) ( Climatronic control module (J255) ). Check using "Vehicle diagnosis, testing and information system" (VAS5051B) under "Guided Fault Finding".

2 - Screw

3 - Air Guide Channel To Left Footwell Vent

A/C system version (with temperature sensor mount).

Vehicles with manually regulated A/C system: temperature sensor will be discontinued at a later point in time (date not yet finalized), the mount is sealed on vehicles without temperature sensor.

4 - Heater Core For Heater Unit

Removing and installing, refer to => [ Heater Core ] Heater Core.

5 - Sealing Ring

Replacing

Coat thinly with coolant and insert on proper side. Refer to=> [ Heater Core ] Heater Core.

6 - Clip

Replacing

Ensure it is seated correctly.

Removing and installing, refer to => [ Heater Core ] Heater Core.

7 - Screw

Tightening specification 2.5 Nm

8 - Coolant Pipes

Disconnect and connect from heater core => [ Heater Core ] Heater Core.

9 - Foam Spacer

Installed between grommet and A/C unit.

10 - Grommet

Insert before installing A/C unit into vehicle bulkhead. Refer to=> [ A/C Unit ] A/C Unit.

Installing, refer to=> [ A/C Unit ] A/C Unit.

11 - O-ring

Replacing, refer to=> [ Refrigerant Circuit O-rings ] Refrigerant Circuit O-Rings.

Allocation, refer to Electronic Parts Catalog.

12 - O-ring

Replacing, refer to=> [ Refrigerant Circuit O-rings ] Refrigerant Circuit O-Rings.

Allocation, refer to Electronic Parts Catalog.

13 - Expansion Valve

Refrigerant lines, disconnecting and reconnecting, refer to=> [ Expansion Valve Refrigerant Lines, Disconnecting and Connecting ] Expansion Valve Refrigerant Lines, Disconnecting and Connecting.

Removing and installing, refer to=> [ Expansion Valve ] Expansion Valve.

After switching off the A/C compressor in this vehicle, it may take a relatively long time for the pressure on the high pressure side to decrease. This is because the expansion valve is cold and the pressure on the low pressure side increases quickly after shutting the compressor off, then the expansion valve closes and the refrigerant flows slowly to the low pressure side.

14 - Screw

Tightening specification 10 Nm

Removing and installing, refer to=> [ Expansion Valve ] Expansion Valve.

15 - Evaporator Housing

Disassembling and assembling, refer to=> [ Evaporator Housing ] Evaporator Housing.

16 - Dust and Pollen Filter

Removing and installing, refer to => [ Dust and Pollen Filter ] Service and Repair.

Follow the replacement intervals.

With activated charcoal insert. Refer to=> [ Dust and Pollen Filter with Activated Charcoal Insert ] Description and Operation.

17 - Cover For Dust and Pollen Filter

Removing and installing, refer to => [ Dust and Pollen Filter ] Service and Repair.

18 - Air Guide Channel To Right Footwell Vent

Different versions on vehicles with manually regulated A/C system (without temperature sensor mount) and on vehicles with automatically regulated A/C system (with temperature sensor mount).

19 - Plug

Installed only in vehicles without air duct to vent in rear center console (introduction of a vent in center console not yet finalized).