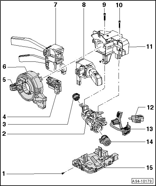
Steering Column Switch Module Overview
1 Screw
• 0.4 Nm
2 Steering Lock Housing
• Removing and installing, refer to => [ Steering Lock Housing ] Service and Repair
3 Ignition/Starter Switch (D)
• Removing and installing, refer to => [ Ignition Switch ] Service and Repair
4 Steering Angle Sensor (G85)
• Removing and installing, refer to => [ Steering Angle Sensor ] Steering Angle Sensor
5 Transport Protection
• To secure coil connector with slip ring in center position
6 Coil Connector with Slip Ring
• Removing and installing, refer to => [ Airbag Spiral Spring/Return Spring With Slip Ring ] Airbag Spiral Spring/Return Spring With Slip Ring
Risk of damaging coil connector.
• Coil connector with slip ring is not to be turned following removal.
7 Turn Signal Switch (E2)
• On vehicles with cruise control, with auxiliary cruise control switch (E45)
• Removing and installing, refer to => [ Turn Signal Switch, Cruise Control Switch ] Turn Signal Switch, Cruise Control Switch
8 Windshield Wiper/Washer Switch (E22)
• Removing and installing, refer to => [ Windshield Wiper/Washer Switch ] Windshield Wiper/Washer Switch
9 Screw for steering lock housing
• Tear off bolt
• Removing and installing, refer to => [ Steering Lock Housing ] Service and Repair
10 Screw for steering lock housing
• Tear off bolt
• Removing and installing, refer to => [ Steering Lock Housing ] Service and Repair
11 Mount
12 Ignition Switch Key Lock Solenoid (N376)
• On vehicles with automatic transmission
• Removing and installing, refer to => [ Ignition Switch Key Lock Solenoid ] Service and Repair
13 Adapter wiring set
• For steering lock housing
• Removing and installing, refer to => [ Steering Lock Housing Adapter Wiring Harness ] Service and Repair
14 Lock Cylinder
• Removing and installing => [ Lock Cylinder ] Service and Repair
15 Steering Column Electronic Systems Control Module (J527)
• Removing and installing, refer to => [ Steering Column Electronic Systems Control Module ] Steering Column Electronic Systems Control Module
• Pin assignment for steering column electronic systems control module, refer to => [ Steering Column Electronic Systems Control Module Connector Assignment ] [1][2]Diagrams.