Steering Column Switch Module Assembly Overview

Need a step-by-step guide?

Get an AI-powered repair guide with parts lists, cost estimates, and clear instructions for your 2006 Audi.

AI Repair Guides





Steering Column Switch Module

CAUTION!
Before beginning repairs on the electrical system:

Obtain the anti-theft radio security code.

Switch the ignition off.

Disconnect the battery Ground (GND) strap.

After reconnecting vehicle battery, re-code and check operation of anti-theft radio. Also check operation of clock and power windows according to Repair Information and/or Owner's Manual.

Steps after reconnecting voltage supply => Battery.

General Information

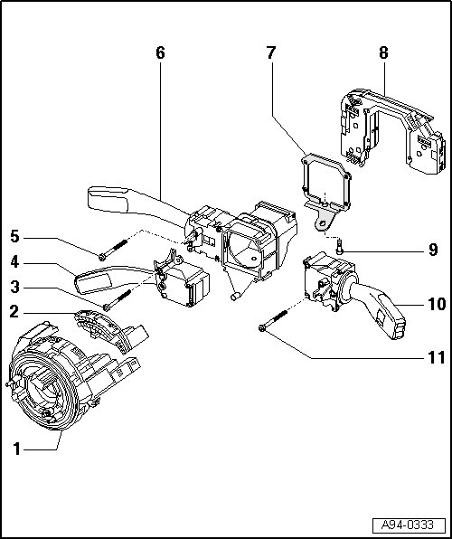
Steering column switch module (SCSM) is composed of return ring with slip ring, Steering Angle Sensor (G85), steering column switch (signal switch, wiper switch, cruise control switch) and Steering Column Electronic Systems Control Module (J527).

Use tester (VAS5051) to check Steering Column Electronic Systems Control Module (J527).

Steering Column Switch Module Assembly Overview





1 Return spring with slip ring

Clipped in at switch for turn signals, high beam and low beam and flasher

CAUTION!
Return ring with slip ring must not be moved in removed condition.

2 Steering Angle Sensor (G85)

Clipped on at return ring with slip ring

3 Cylinder bolt

4 Cruise control switch

5 Cylinder bolt

6 Switch for turn signals, high beam and low beam and flasher

7 Retaining bracket

8 Steering Column Electronic Systems Control Module (J527)

Terminal assignment of Steering Column Electronic Systems Control Module (J527) => [ Steering Column Electronic Systems Control Module, Front Terminal Assignments ]

9 Clamping screw -3 Nm

10 Switch for windshield wiper and wiper-washer operation

11 Cylinder bolt